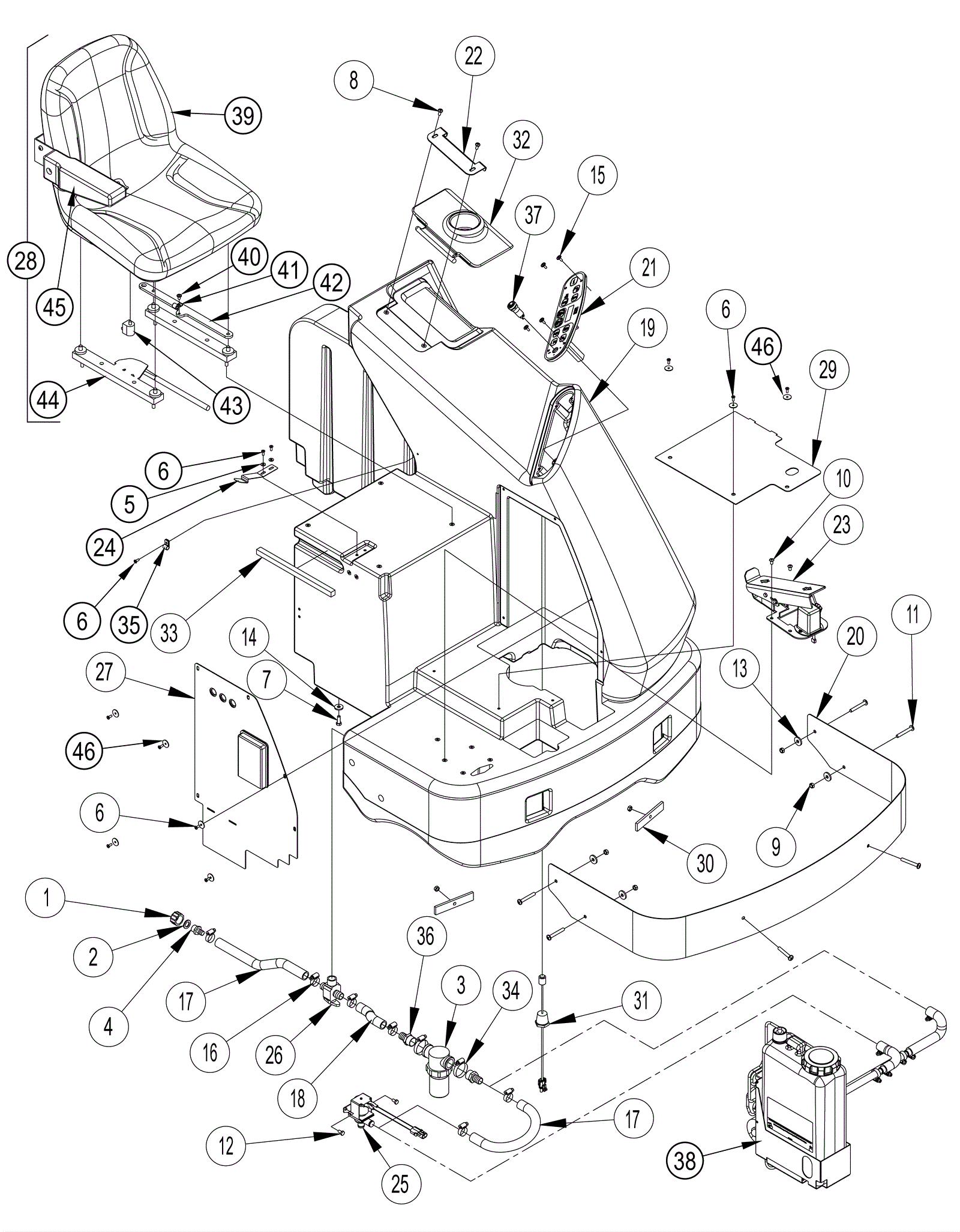
| # | Part | Description | Price | Req | Notes | Availability |
1 |
172-0254
|
Nylon pipe cap |
$12.89
|
1 |
|
usually ships 13-18 days |
2 |
172-0197
|
Rubber washer |
$11.35
|
1 |
|
usually ships 13-18 days |
3 |
172-9347
|
Filter |
$46.67
|
1 |
|
usually ships 13-18 days |
5 |
999-1862
|
Washer #10 flat SAE stainless steel |
$0.99
|
2 |
|
ships same day |
6 |
999-0267
|
Screw 10-24 x 1/2 pan head phillips zinc |
$0.99
|
11 |
|
ships same day |
7 |
181-0983
|
Screw 5/16-18 x 7/8 hex head |
$12.89
|
4 |
|
usually ships 1-5 days |
8 |
999-0567
|
Screw 1/4-20 x 5/8 pan head phillips stainless steel |
$0.99
|
2 |
|
ships same day |
9 |
999-0211
|
Nut 5/16-18 hex nylon insert lock zinc plated |
$0.99
|
6 |
|
ships same day |
10 |
999-0522
|
Screw 1/4-20 x 1/2 pan head phillips stainless steel |
$1.03
|
9 |
|
ships same day |
11 |
272-5815
|
Screw 5/16-18 x 2 1/4 pan head phillips |
$14.18
|
6 |
|
usually ships 1-5 days |
12 |
272-9677
|
Screw 1/4-20 x 1/2 hex head |
$12.89
|
2 |
|
usually ships 13-18 days |
13 |
172-3047
|
Washer 11/32 x 1/8 flat |
$12.89
|
4 |
|
usually ships 13-18 days |
14 |
181-0788
|
Washer |
$11.35
|
4 |
|
usually ships 13-18 days |
15 |
999-0454
|
Screw 10-24 x 1/2 truss head phillips zinc plated |
$0.99
|
4 |
|
ships same day |
17 |
272-1125
|
Spiral hose |
$35.82
|
2 |
|
usually ships 1-5 days |
18 |
272-5816
|
Hose |
$12.89
|
1 |
|
usually ships 1-5 days |
19 |
372-3029
|
Solution tank |
$2,346.77
|
1 |
|
usually ships 13-18 days |
20 |
272-5818
|
Front bumper |
$177.07
|
1 |
|
usually ships 13-18 days |
21a |
272-5819
|
Touch pad assembly |
$865.00
|
1 |
|
usually ships 1-5 days |
21b |
272-5820
|
Control panel assembly |
$914.51
|
1 |
|
usually ships 1-5 days |
22 |
272-5822
|
Lid mount |
$53.61
|
1 |
|
usually ships 1-5 days |
23 |
272-5405
|
Pedal assembly |
$401.42
|
1 |
|
usually ships 13-18 days |
24 |
272-5823
|
Clip |
$41.97
|
1 |
|
usually ships 1-5 days |
25 |
272-5824
|
Solenoid valve assembly |
$142.09
|
1 |
|
usually ships 13-18 days |
26 |
272-3985
|
Ball valve |
$97.85
|
1 |
|
usually ships 13-18 days |
28 |
272-5825
|
Seat mounting assembly |
$593.97
|
1 |
|
usually ships 1-5 days |
29 |
272-5827
|
Floor plate |
$64.38
|
1 |
|
usually ships 1-5 days |
30 |
272-5828
|
Bumper mount plate |
$14.41
|
2 |
|
usually ships 1-5 days |
31 |
272-5829
|
Liquid level switch |
$135.11
|
1 |
|
usually ships 1-5 days |
32 |
272-5830
|
Solution lid assembly |
$137.59
|
1 |
|
usually ships 1-5 days |
33 |
272-5833
|
Gasket |
$12.89
|
1 |
|
usually ships 1-5 days |
34 |
272-7768
|
Hose clamp |
$12.89
|
2 |
|
usually ships 1-5 days |
35 |
181-0978
|
Cable clamp |
$12.89
|
1 |
|
usually ships 13-18 days |
36 |
172-0261
|
Barb adapter |
$12.89
|
2 |
|
usually ships 13-18 days |
37 |
172-3785
|
Key switch with two keys |
$64.90
|
1 |
|
ships same day |
38a |
272-5709
|
Chemical metering assembly |
$1,864.25
|
1 |
|
usually ships 1-5 days |
38b |
272-5710
|
Chemical metering assembly |
$1,763.86
|
1 |
|
usually ships 1-5 days |
39 |
272-7645
|
Seat (OBSOLETE) |
$239.03
|
1 |
|
usually ships 1-5 days |
40 |
272-1562
|
Screw 1/4-20 x 3/5 pan head thread forming |
$11.35
|
1 |
|
ships same day |
41 |
172-9530
|
Cable clamp |
$12.89
|
1 |
|
usually ships 1-5 days |
42 |
N/A
|
Not available |
Call for price
|
1 |
(Strap) |
usually ships 3-26 days |
43 |
272-9417
|
Seat switch |
$24.09
|
1 |
|
usually ships 13-18 days |
44 |
999-0588
|
Washer 7/8 flat stainless steel |
$11.44
|
1 |
|
ships same day |
45 |
372-2497
|
Arm rest |
$108.34
|
1 |
|
usually ships 13-18 days |
46 |
999-0588
|
Washer 7/8 flat stainless steel |
$11.44
|
8 |
|
ships same day |
N/S |
272-5821
|
Panel assembly |
$320.69
|
1 |
|
usually ships 1-5 days |
N/S |
272-5826
|
Screw 1/2-13 x 3/4 hex head lock |
$14.41
|
1 |
|
usually ships 1-5 days |
N/S |
172-9547
|
Seat |
$1,282.60
|
1 |
|
usually ships 1-5 days |
N/S |
172-8800
|
Seat switch |
$83.60
|
1 |
|
usually ships 1-5 days |
N/S |
172-9545
|
Strap |
$39.52
|
1 |
|
usually ships 1-5 days |
N/S |
172-9530
|
Cable clamp |
$12.89
|
1 |
|
usually ships 1-5 days |
N/S |
999-0456
|
Screw 1/4-20 x 3/4 pan head phillips stainless steel |
$1.76
|
1 |
|
ships same day |
N/S |
272-5832
|
Solution lid gasket |
$25.75
|
1 |
|
usually ships 1-5 days |