| # | Part | Description | Price | Req | Notes | Availability |
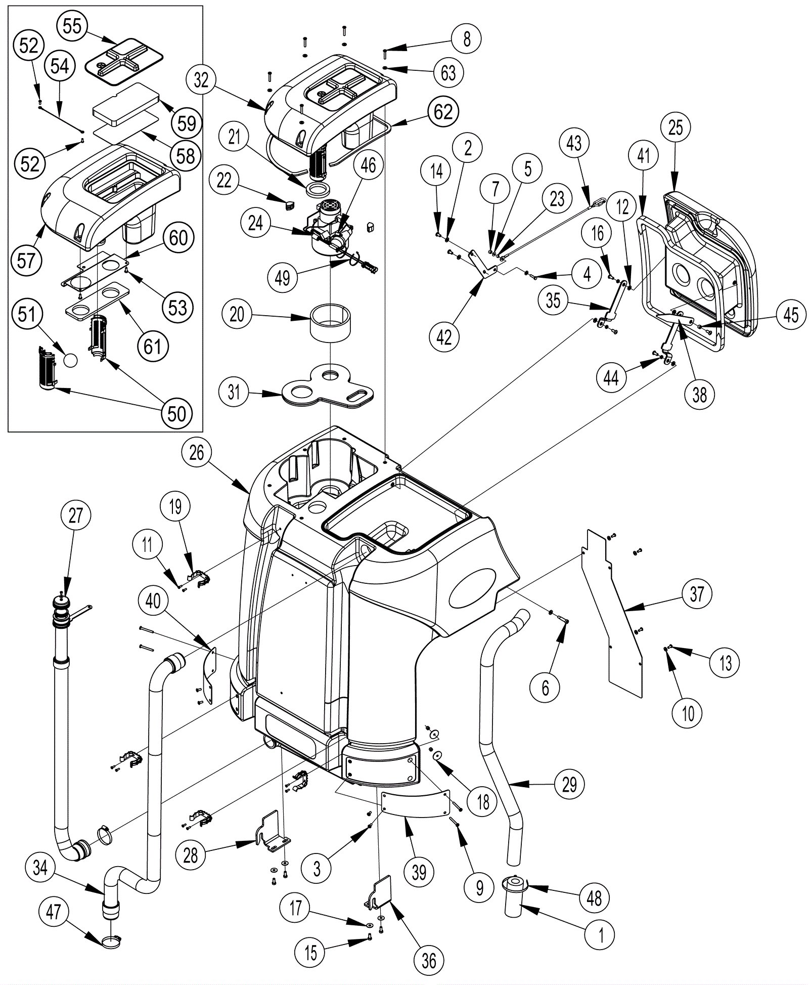
1 |
172-0126
|
Acoustical foam |
$30.60
|
1 |
|
usually ships 13-18 days |
2 |
999-0024
|
Washer 5/16 flat stainless steel |
$1.34
|
3 |
|
ships same day |
3 |
999-0567
|
Screw 1/4-20 x 5/8 pan head phillips stainless steel |
$0.99
|
4 |
|
ships same day |
4 |
999-0456
|
Screw 1/4-20 x 3/4 pan head phillips stainless steel |
$1.76
|
1 |
|
ships same day |
5 |
999-0123
|
Washer 1/4 SAE flat zinc plated |
$0.99
|
2 |
|
ships same day |
6 |
172-5131
|
Screw .38 x 1 1/4 x 5/16-18 socket shoulder |
$12.89
|
1 |
|
usually ships 13-18 days |
7 |
999-0294
|
Nut 1/4-20 hex nylon lock type NE stainless steel |
$1.18
|
5 |
|
ships same day |
8 |
999-0523
|
Screw 1/4-20 x 1 1/2 pan head phillips stainless steel |
$0.99
|
5 |
|
ships same day |
9 |
172-3256
|
Screw 1/4 - 20 x 2 1/4 pan phil |
$14.18
|
4 |
|
usually ships 1-5 days |
10 |
999-0335
|
Washer 1/4 x 5/8 SAE flat stainless steel |
$0.99
|
4 |
|
ships same day |
11 |
999-0332
|
Screw 10-24 x 5/8 pan head phillips stainless steel |
$1.54
|
8 |
|
ships same day |
12 |
999-9004
|
Washer 5/16 SAE flat stainless steel |
$1.69
|
4 |
|
ships same day |
13 |
999-0567
|
Screw 1/4-20 x 5/8 pan head phillips stainless steel |
$0.99
|
4 |
|
ships same day |
14 |
999-1454
|
Bolt 5/16-18 x 5/8 pan head stainless steel |
$2.00
|
2 |
|
usually ships 1-5 days |
15 |
999-1232
|
Screw 5/16-18 x 3/4 hex head stainless steel |
$0.99
|
4 |
|
ships same day |
16 |
999-9006
|
Screw 5/16-18 x 3/4 pan head phillips stainless steel |
$1.44
|
4 |
|
usually ships 16-20 days |
17 |
272-1288
|
Washer 21/64-1 x 1/16 flat stainless steel |
$12.89
|
4 |
|
usually ships 1-5 days |
18 |
272-9793
|
Washer fender .281 x 1.5 x .074 |
$14.18
|
4 |
|
usually ships 1-5 days |
19 |
172-3169
|
Plastic clamp |
$27.26
|
4 |
|
ships same day |
20 |
172-3353
|
Vacuum muffler |
$32.56
|
1 |
|
usually ships 13-18 days |
21 |
272-0430
|
Vacuum duct gasket |
$14.41
|
1 |
|
ships same day |
22 |
272-2108
|
Vibration mount |
$14.41
|
2 |
|
ships same day |
23 |
172-0162
|
Bushing |
$14.41
|
1 |
|
usually ships 1-5 days |
24 |
172-1071
|
36V vacuum motor assembly |
$312.82
|
1 |
|
usually ships 13-18 days |
25 |
272-9794
|
Recovery tank lid |
$281.00
|
1 |
|
usually ships 13-18 days |
26 |
272-9795
|
Recovery tank |
$3,206.27
|
1 |
|
usually ships 1-5 days |
27b |
272-8537
|
Drain hose cap assembly |
$17.74
|
1 |
|
ships same day |
28 |
272-9796
|
Recovery tank mount |
$41.97
|
1 |
|
usually ships 1-5 days |
29 |
272-9797
|
Vacuum hose |
$37.27
|
1 |
|
usually ships 13-18 days |
31 |
272-9798
|
Vacuum fan seal assembly |
$114.06
|
1 |
|
usually ships 1-5 days |
32 |
272-9799
|
Top cover assembly |
$505.34
|
1 |
(includes 50-61) |
usually ships 1-5 days |
34 |
272-7176
|
Squeegee vacuum hose |
$136.64
|
1 |
|
usually ships 13-18 days |
35 |
272-9801
|
Lid hinge arm |
$34.23
|
2 |
|
usually ships 1-5 days |
36 |
272-9802
|
Right hinge plate |
$45.00
|
1 |
|
usually ships 1-5 days |
37 |
272-9803
|
Exhaust panel |
$96.35
|
1 |
|
usually ships 1-5 days |
38 |
272-9804
|
Prop |
$17.74
|
1 |
|
usually ships 1-5 days |
39 |
272-9805
|
Right rear bumper |
$27.26
|
1 |
|
usually ships 1-5 days |
40 |
272-9806
|
Left rear bumper |
$27.26
|
1 |
|
usually ships 1-5 days |
41 |
272-6564
|
Recovery tank lid gasket assembly (OBSOLETE) |
$55.65
|
1 |
|
usually ships 13-18 days |
42 |
272-9807
|
Cable mount plate |
$12.89
|
1 |
|
usually ships 1-5 days |
43 |
272-9973
|
Quick link cable assembly |
$19.25
|
1 |
|
usually ships 1-5 days |
44 |
272-9974
|
Bushing |
$19.01
|
3 |
|
usually ships 1-5 days |
45 |
272-9975
|
Bushing |
$20.82
|
1 |
|
usually ships 1-5 days |
46 |
272-9976
|
#32 hose clamp SAE |
$11.35
|
1 |
|
ships same day |
47 |
272-9977
|
#36 hose clamp SAE |
$8.80
|
2 |
|
usually ships 1-5 days |
48 |
997-2102
|
Cable tie |
$1.38
|
1 |
|
ships same day |
50 |
172-0517
|
Float cage half (2 required for full float cage) |
$19.25
|
2 |
|
ships same day |
51 |
172-0192
|
Float ball |
$10.52
|
1 |
|
usually ships 18-27 days |
52 |
272-9978
|
Screw 10-14 x 1/2 pan head phillips plastite |
$11.35
|
2 |
|
usually ships 13-18 days |
53 |
272-1601
|
Screw 1/4-14 X 5/8 pan head phillips type B |
$12.89
|
2 |
|
usually ships 1-5 days |
54 |
172-3357
|
9 inch wire rope |
$14.41
|
1 |
|
usually ships 13-18 days |
55 |
272-5303
|
Recovery tank lid and gasket |
$37.27
|
1 |
|
usually ships 13-18 days |
57 |
272-9979
|
Recovery tank top |
$347.34
|
1 |
|
usually ships 1-5 days |
58 |
272-9980
|
Filter screen |
$17.74
|
1 |
|
usually ships 13-18 days |
59 |
272-9981
|
Filter |
$16.20
|
1 |
|
usually ships 13-18 days |
60 |
272-9982
|
Vacuum cover plate |
$45.00
|
1 |
|
usually ships 1-5 days |
61 |
272-9983
|
Vacuum fan gasket |
$19.25
|
1 |
|
usually ships 1-5 days |
62 |
272-6565
|
Gasket strip |
$12.89
|
1 |
|
usually ships 13-18 days |
63 |
272-9984
|
Washer .266 x .906 x .06 flat stainless steel |
$9.70
|
5 |
|
usually ships 1-5 days |
N/S |
272-9800
|
Recovery tank harness |
$111.02
|
1 |
|
usually ships 1-5 days |