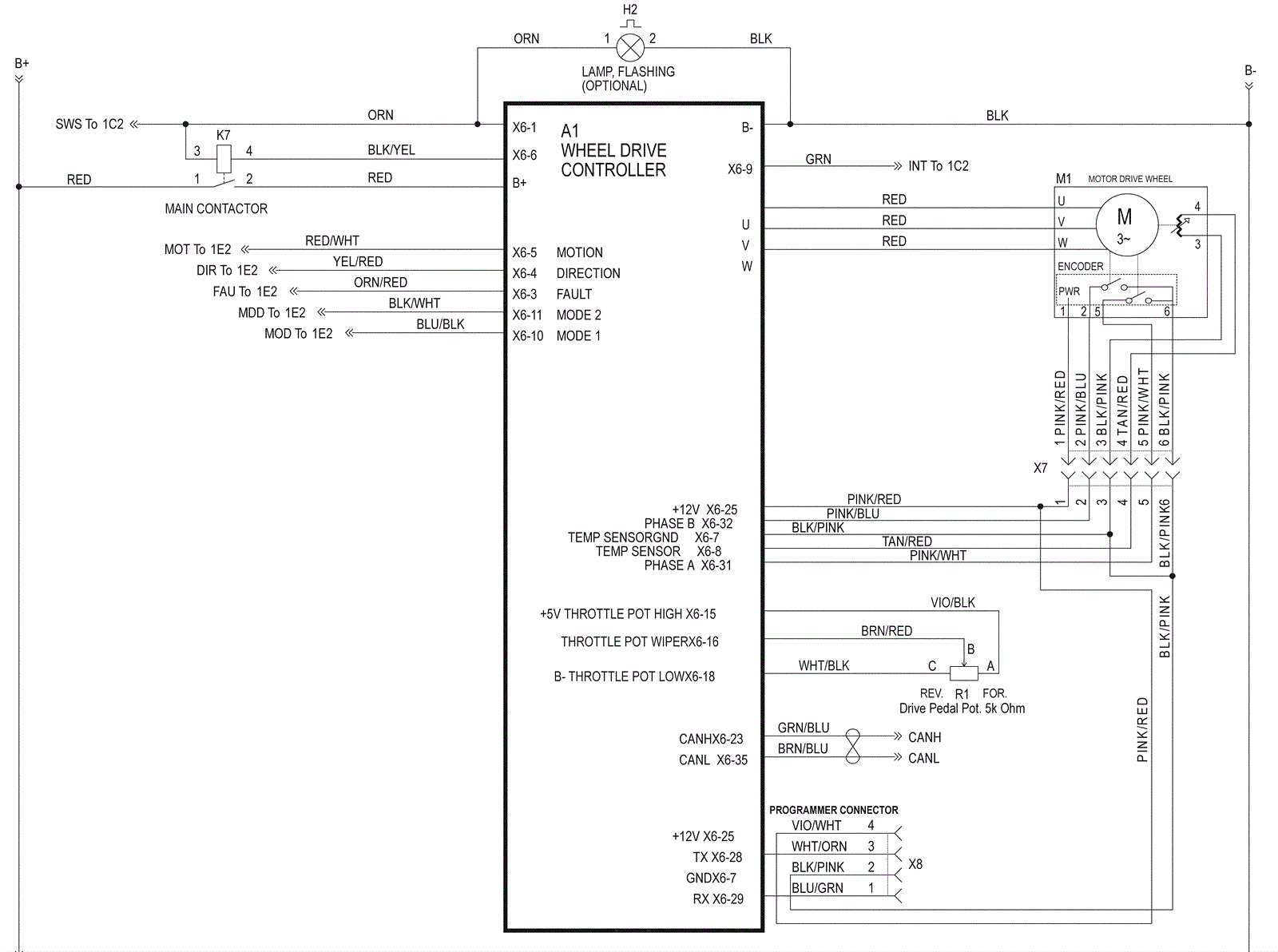
Electrical Schematic -2
Click to enlarge