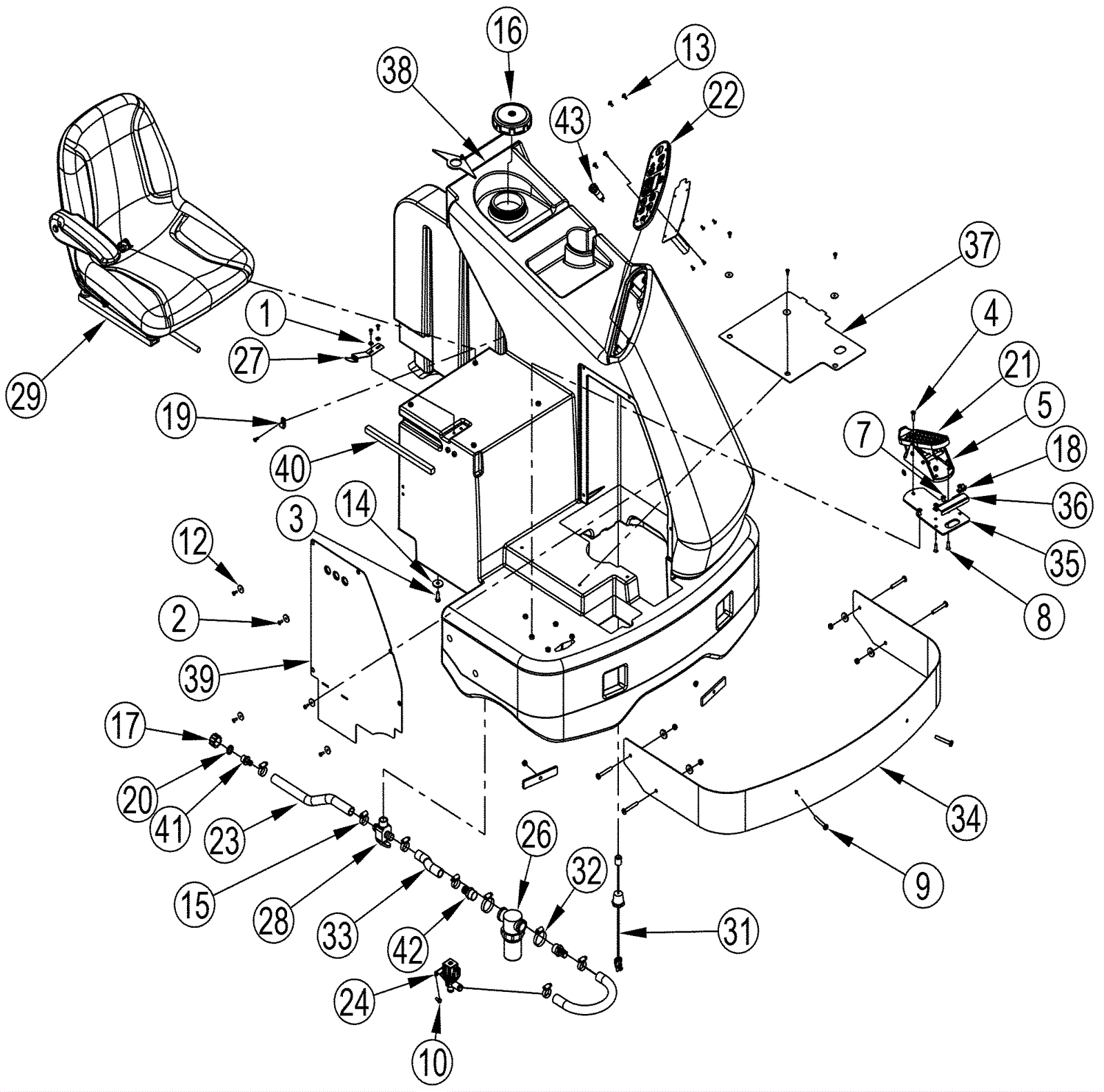
| # | Part | Description | Price | Req | Notes | Availability |
1 |
999-1862
|
Washer #10 flat SAE stainless steel |
$0.99
|
2 |
|
ships same day |
2 |
999-0267
|
Screw 10-24 x 1/2 pan head phillips zinc |
$0.99
|
11 |
|
ships same day |
3 |
181-0983
|
Screw 5/16-18 x 7/8 hex head |
$12.89
|
4 |
|
usually ships 1-5 days |
4 |
999-0342
|
Screw 1/4-20 x 1 pan head phillips stainless steel |
$0.99
|
1 |
|
ships same day |
5 |
999-0294
|
Nut 1/4-20 hex nylon lock type NE stainless steel |
$1.18
|
2 |
|
ships same day |
7 |
999-0567
|
Screw 1/4-20 x 5/8 pan head phillips stainless steel |
$0.99
|
4 |
|
ships same day |
8 |
999-1895
|
Screw 1/4-20 x 7/8 flat head phillips stainless steel |
$0.99
|
2 |
|
usually ships 1-5 days |
9 |
272-5815
|
Screw 5/16-18 x 2 1/4 pan head phillips |
$14.18
|
6 |
|
usually ships 1-5 days |
10 |
272-9677
|
Screw 1/4-20 x 1/2 hex head |
$12.89
|
2 |
|
usually ships 13-18 days |
12 |
999-0588
|
Washer 7/8 flat stainless steel |
$11.44
|
8 |
|
ships same day |
13 |
999-0454
|
Screw 10-24 x 1/2 truss head phillips zinc plated |
$0.99
|
4 |
|
ships same day |
14 |
181-0788
|
Washer |
$11.35
|
4 |
|
usually ships 13-18 days |
15 |
997-2004
|
Hose clamp |
$2.15
|
6 |
|
ships same day |
16 |
472-5121
|
SOLUTION CAP ASSEMBLY |
$115.74
|
1 |
|
usually ships 13-18 days |
17 |
172-0254
|
Nylon pipe cap |
$12.89
|
1 |
|
usually ships 13-18 days |
18 |
172-9530
|
Cable clamp |
$12.89
|
1 |
|
usually ships 1-5 days |
19 |
181-0978
|
Cable clamp |
$12.89
|
1 |
|
usually ships 13-18 days |
20 |
172-0197
|
Rubber washer |
$11.35
|
1 |
|
usually ships 13-18 days |
21 |
272-8880
|
Foot pedal assembly |
$281.00
|
1 |
|
usually ships 13-18 days |
22 |
272-8003
|
Control panel assembly |
$727.43
|
1 |
|
usually ships 13-18 days |
23 |
272-1125
|
Spiral hose |
$35.82
|
1 |
|
usually ships 1-5 days |
24 |
272-8006
|
36v solenoid |
Call for price
|
1 |
|
usually ships 13-18 days |
26 |
172-9347
|
Filter |
$46.67
|
1 |
|
usually ships 13-18 days |
27 |
272-5823
|
Clip |
$41.97
|
1 |
|
usually ships 1-5 days |
28 |
272-3985
|
Ball valve |
$97.85
|
1 |
|
usually ships 13-18 days |
29 |
272-5825
|
Seat mounting assembly |
$593.97
|
1 |
|
usually ships 1-5 days |
31 |
272-5829
|
Liquid level switch |
$135.11
|
1 |
|
usually ships 1-5 days |
32 |
272-7768
|
Hose clamp |
$12.89
|
2 |
|
usually ships 1-5 days |
33 |
272-5816
|
Hose |
$12.89
|
1 |
|
usually ships 1-5 days |
34 |
272-5818
|
Front bumper |
$177.07
|
1 |
|
usually ships 13-18 days |
35 |
372-3026
|
Pedal adapter plate |
Call for price
|
1 |
|
usually ships 13-18 days |
36 |
372-3027
|
Cover adapter |
Call for price
|
1 |
|
usually ships 13-18 days |
37 |
372-3028
|
Floor plate |
$69.71
|
1 |
|
usually ships 13-18 days |
38 |
372-3029
|
Solution tank |
$2,346.77
|
1 |
|
usually ships 13-18 days |
39 |
472-8752
|
ELETRICAL PANEL ASSY |
$353.25
|
1 |
(includes 53-55) |
usually ships 13-18 days |
41 |
170-0264
|
Hose barb |
$11.35
|
1 |
|
usually ships 13-18 days |
42 |
172-0261
|
Barb adapter |
$12.89
|
2 |
|
usually ships 13-18 days |
43 |
172-3785
|
Key switch with two keys |
$64.90
|
1 |
|
ships same day |
N/S |
572-9300
|
Seat belt |
$778.61
|
1 |
|
ships same day |