| # | Part | Description | Price | Req | Notes | Availability |
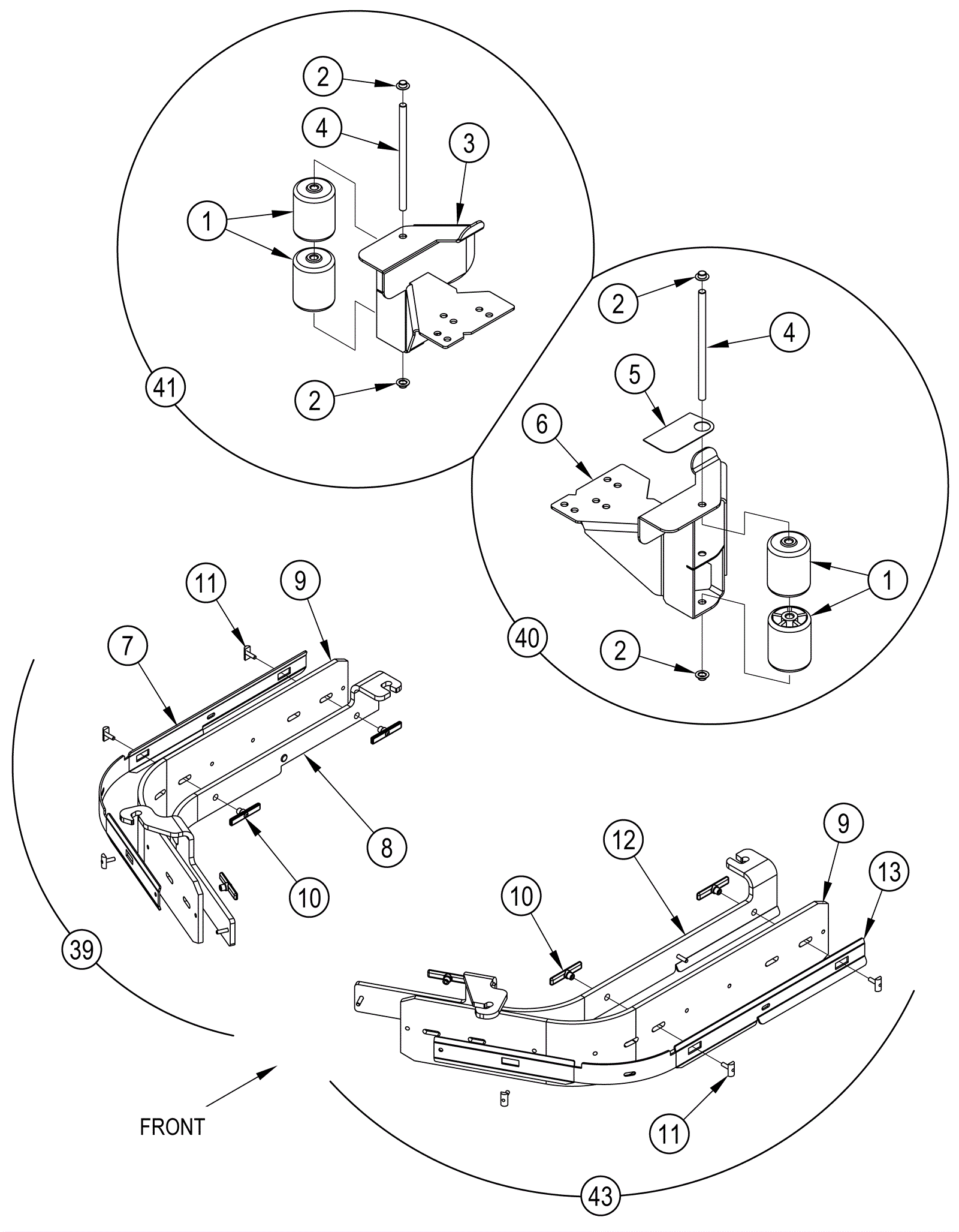
1 |
172-9157
|
Roller wheel |
$48.17
|
4 |
|
usually ships 13-18 days |
2 |
172-4017
|
1/2 inch push cap |
$10.57
|
4 |
|
usually ships 1-5 days |
3 |
472-8767
|
LEFT GUARD WELDT |
$281.00
|
1 |
|
usually ships 13-18 days |
4 |
272-9741
|
Pin |
$12.89
|
2 |
|
usually ships 1-5 days |
5 |
272-9742
|
Surface grip |
$22.58
|
1 |
|
usually ships 1-5 days |
6 |
472-8766
|
RIGHT GUARD WELDT |
$281.00
|
1 |
|
usually ships 13-18 days |
7 |
272-9744
|
Left skirt strap |
$96.35
|
1 |
|
usually ships 1-5 days |
8a |
272-9745
|
40 inch left bracket weldment |
$297.34
|
1 |
(40 inch deck) |
usually ships 1-5 days |
8b |
272-9746
|
Left bracket weldment |
$305.09
|
1 |
(45 and 48 inch deck) |
usually ships 1-5 days |
9a |
272-3521
|
Skirt blade linatex |
$78.12
|
2 |
(standard) |
ships same day |
9b |
272-7311
|
Skirt blade gum rubber |
$109.53
|
2 |
(optional) |
usually ships 1-5 days |
9c |
272-7312
|
Skirt blade polyurethane |
$329.16
|
2 |
(optional) |
usually ships 13-18 days |
10 |
272-3520
|
Thumb nut |
$24.09
|
6 |
|
usually ships 13-18 days |
11 |
272-3519
|
Skirt retainer (screw) |
$34.23
|
6 |
|
usually ships 13-18 days |
12 |
272-9747
|
Right bracket weldment |
$288.88
|
1 |
|
usually ships 1-5 days |
13 |
272-9748
|
Right skirt strap |
$101.65
|
1 |
|
usually ships 13-18 days |
39a |
272-7174
|
Left hand skirt assembly |
$593.97
|
1 |
(includes 7-11) (40 inch deck) |
usually ships 13-18 days |
39b |
272-9737
|
Left hand skirt assembly |
$529.45
|
1 |
(includes 7-11) (45 and 48 inch deck) |
usually ships 13-18 days |
40 |
472-8768
|
RIGHT GUARD ASSY |
$433.22
|
1 |
(includes 1,2,4,5 and 6) |
usually ships 13-18 days |
41 |
472-8769
|
LEFT GUARD ASSY |
$425.50
|
1 |
(includes 1-4) (45 and 48 inch deck) |
usually ships 13-18 days |
43 |
272-7175
|
Right hand skirt assembly |
$585.32
|
1 |
(includes 9-13) |
usually ships 13-18 days |