| # | Part | Description | Price | Req | Notes | Availability |
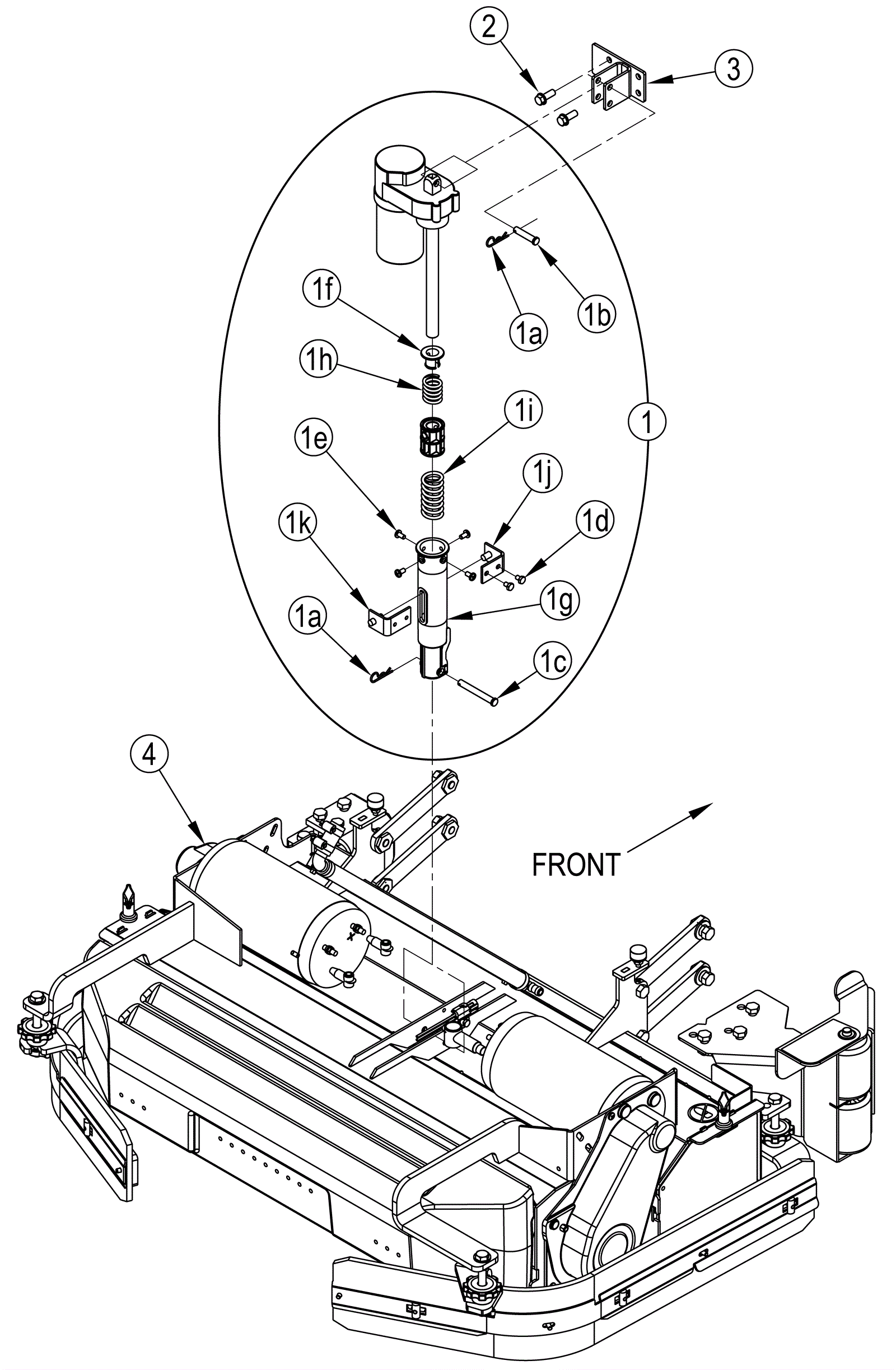
1 |
272-3525
|
Deck actuator kit |
$721.96
|
1 |
(includes 1a-1k) |
usually ships 13-18 days |
1a |
997-2511
|
Cotter pin |
$0.99
|
2 |
|
ships same day |
1b |
272-3526
|
Clevis pin |
$12.89
|
1 |
|
usually ships 1-5 days |
1c |
272-3527
|
Clevis pin |
$12.89
|
1 |
|
usually ships 1-5 days |
1d |
999-0360
|
Screw 1/4-20 x 3/8 hex head thread rolling unslotted |
$0.99
|
2 |
|
ships same day |
1e |
999-1129
|
Screw 1/4-20 x 1/2 pan head phillips thread rolling zinc |
$0.99
|
4 |
|
ships same day |
1f |
472-7972
|
CAP-ACTUATOR SPRING |
$9.70
|
1 |
|
usually ships 13-18 days |
1g |
172-8952
|
Spring housing |
$76.04
|
1 |
|
usually ships 13-18 days |
1h |
272-3529
|
Upper spring housing |
$20.91
|
1 |
|
usually ships 13-18 days |
1i |
272-3530
|
Lower spring housing |
$37.27
|
1 |
|
usually ships 13-18 days |
1j |
172-8954
|
Nut retainer |
$55.14
|
1 |
|
usually ships 13-18 days |
1k |
172-8955
|
Nut retainer |
$55.14
|
1 |
|
usually ships 13-18 days |
2 |
272-9731
|
Screw 3/8-16 x 1 hex head |
$11.35
|
2 |
|
usually ships 1-5 days |
3 |
272-3528
|
Mount weldment |
$70.59
|
1 |
|
usually ships 1-5 days |
4a |
472-8756
|
40 IN CYL SCRUB ASSY |
$8,657.04
|
1 |
|
usually ships 13-18 days |
4b |
472-8758
|
45 IN CYL SCRUB ASSY |
$11,382.80
|
1 |
|
usually ships 13-18 days |
4c |
472-8757
|
48 IN CYL SCRUB ASSY |
$11,382.80
|
1 |
|
usually ships 13-18 days |