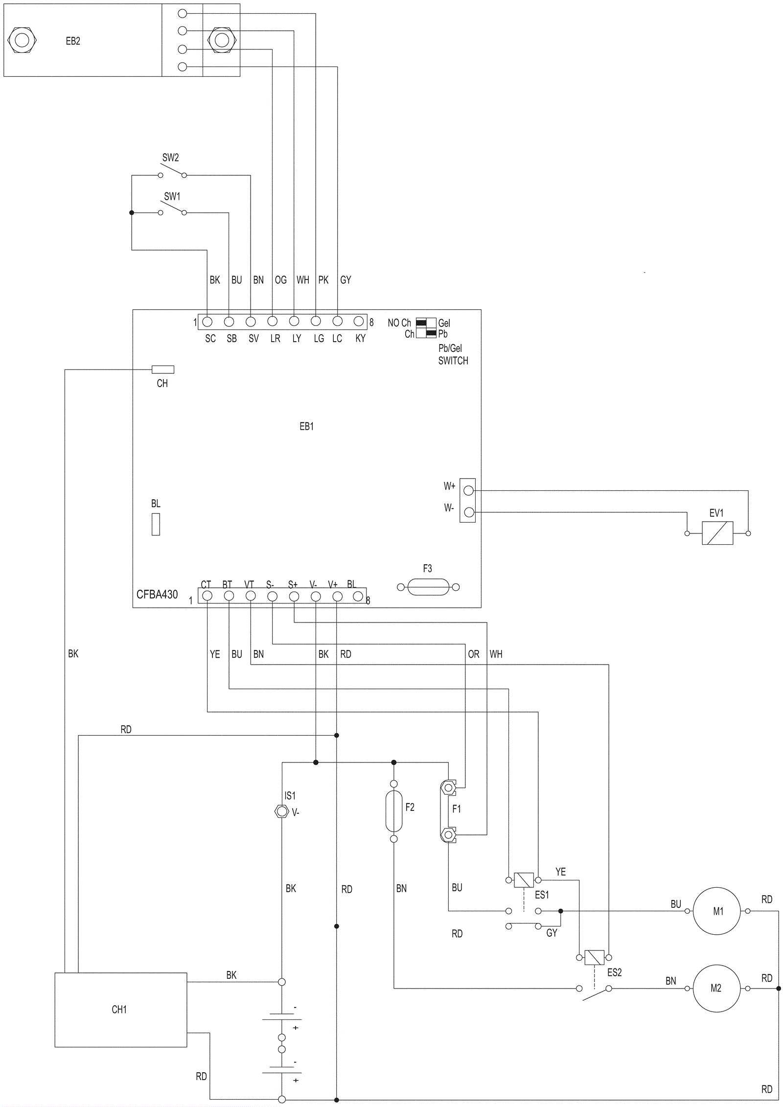
Wiring Diagram - After SN 072820309
Click to enlarge