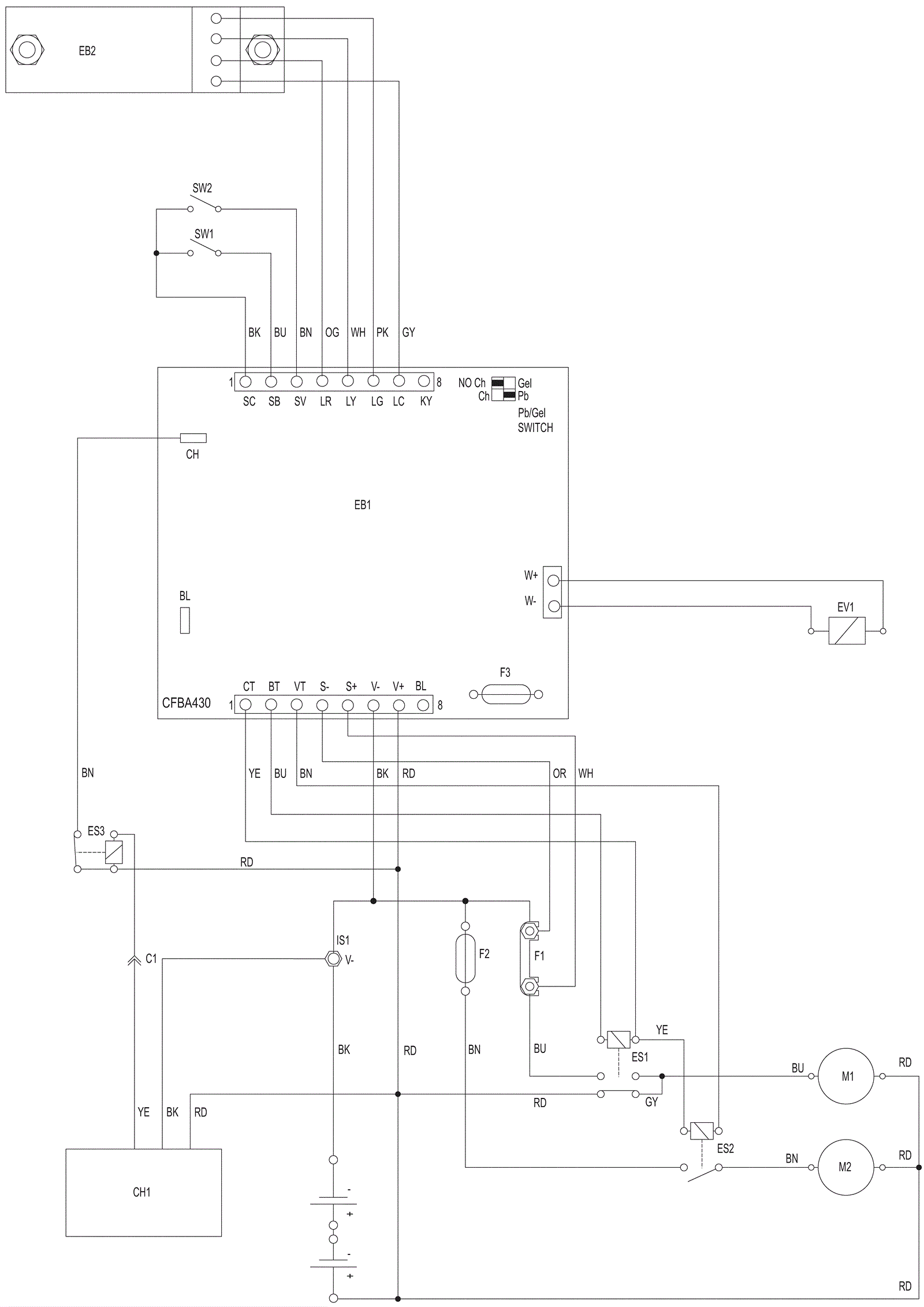
Wiring Diagram - Before SN 072820309
Click to enlarge