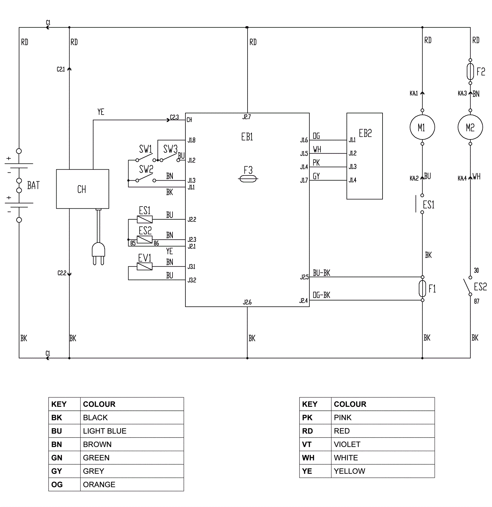
| # | Part | Description | Price | Req | Notes | Availability |
C1 |
991-9284
|
50amp charger plug SB50 with pins (red) |
$6.47
|
1 |
|
ships same day |
C2 |
272-8969
|
Cable extension (OBSOLETE) |
$24.74
|
1 |
|
usually ships 13-18 days |
CH |
272-8144
|
24V onboard battery charger |
$489.80
|
1 |
|
usually ships 13-18 days |
EB1 |
181-0957
|
Electronic card |
$249.19
|
1 |
|
ships same day |
EB2 |
272-5469
|
LED card |
$65.07
|
1 |
|
usually ships 13-18 days |
ES1 |
272-7141
|
24V switch |
$192.54
|
1 |
|
usually ships 13-18 days |
ES2 |
272-9288
|
24V relay |
$37.27
|
1 |
|
usually ships 13-18 days |
EV1 |
272-9656
|
24V solenoid valve |
$34.00
|
1 |
|
ships same day |
F1 |
272-7144
|
30amp fuse |
$12.89
|
1 |
|
usually ships 13-18 days |
F2 |
272-6292
|
40amp brush fuse strip |
$12.89
|
1 |
|
ships same day |
F3 |
181-0962
|
5 amp fuse |
$5.50
|
1 |
|
usually ships 13-18 days |
M1 |
272-9654
|
24V gear motor kit |
$1,587.67
|
1 |
|
usually ships 13-18 days |
M2 |
272-9647
|
24V vacuum motor kit |
$368.72
|
1 |
|
usually ships 13-18 days |
SW1 |
272-0638
|
Rocker switch |
$12.89
|
1 |
|
ships same day |