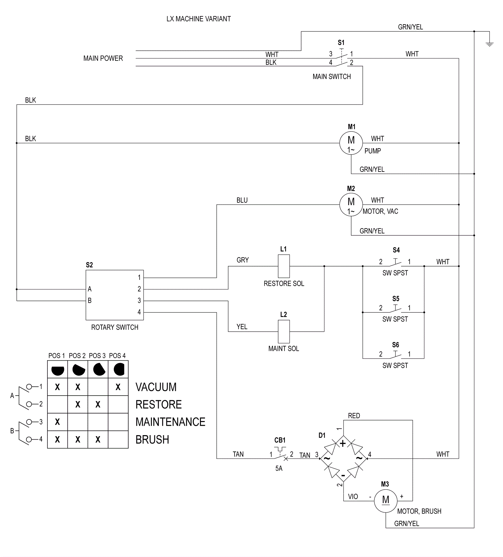
| # | Part | Description | Price | Req | Notes | Availability |
CB1 |
472-5538
|
5A circuit breaker with boot |
$12.89
|
1 |
|
usually ships 13-18 days |
D1 |
172-4139
|
35amp rectifier |
$14.41
|
1 |
|
ships same day |
L1 |
472-5630
|
120V valve/nozzle assembly |
$142.86
|
1 |
|
ships same day |
L2 |
472-5548
|
120V valve/nozzle assembly |
$168.42
|
1 |
|
ships same day |
M1 |
472-5542
|
115V 120PSI pump |
$368.72
|
1 |
|
ships same day |
M2a |
472-5540
|
120V vacuum motor |
$312.82
|
1 |
|
ships same day |
M2b |
472-5587
|
Carbon brush kit (pkg of 2) |
$22.58
|
1 |
|
usually ships 13-18 days |
M3 |
272-0521
|
115V brush motor |
$463.53
|
1 |
|
ships same day |
S1 |
372-4035
|
Rocker switch |
$12.89
|
1 |
|
usually ships 1-5 days |
S2 |
472-5539
|
SWITCH-ROTARY |
$43.48
|
1 |
|
usually ships 13-18 days |
S4 |
272-0503
|
Snap action switch |
$13.78
|
1 |
|
usually ships 13-18 days |
S5 |
272-0503
|
Snap action switch |
$13.78
|
1 |
|
usually ships 13-18 days |
S6 |
272-0503
|
Snap action switch |
$13.78
|
1 |
|
usually ships 13-18 days |