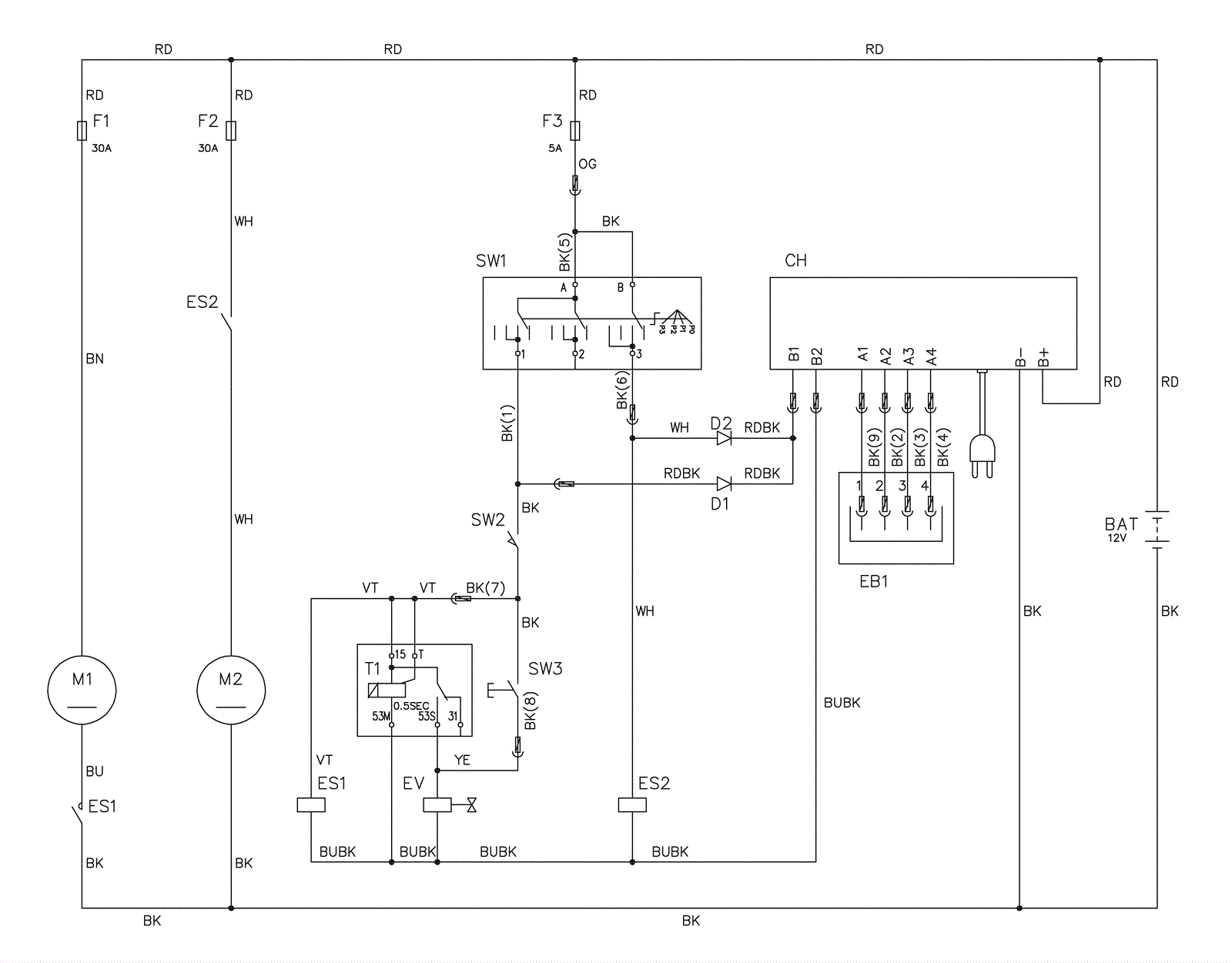
# | Part | Description | Price | Req | Notes | Availability |
BAT |
162-0042
|
12V 115Ah AGM battery (Group 31) (SNSR) |
$500.50
|
|
|
ships same day |
CH |
572-3824
|
CHARGER BATT O/B 12V 12A 100-2 |
$1,148.62
|
|
|
usually ships 13-18 days |
EB1 |
272-7562
|
LED Board |
$12.00
|
|
|
ships same day |
ES1 |
572-3243
|
BRUSH MOTOR CONTACTOR (OBSOLETE) |
$111.86
|
|
|
usually ships 13-18 days |
ES2 |
272-7539
|
12V relay |
$32.69
|
|
|
usually ships 13-18 days |
EV |
272-7542
|
Solenoid valve |
$176.52
|
|
(before SN 3510145009117) |
usually ships 13-18 days |
EV |
572-3374
|
SOLENOID VALVE 12V EV |
$131.95
|
|
(after SN 3510145009118) |
usually ships 13-18 days |
F1 |
272-2572
|
30amp circuit breaker |
$81.60
|
|
|
usually ships 13-18 days |
F2 |
272-7144
|
30amp fuse |
$12.31
|
|
|
usually ships 13-18 days |
F3 |
181-0962
|
5 amp fuse |
$5.50
|
|
|
usually ships 13-18 days |
M1 |
572-3204
|
REDUCTION GEARMOTOR KIT 12V (OBSOLETE) |
$1,297.48
|
|
|
usually ships 13-18 days |
M2 |
272-7541
|
12V vacuum motor |
$284.00
|
|
|
usually ships 13-18 days |
SW1 |
572-3232
|
SWITCH ROTATIVE 4 POSITION SW1 (OBSOLETE) |
$10.56
|
|
|
usually ships 13-18 days |
SW2 |
272-8640
|
Switch |
$30.71
|
|
|
ships same day |
SW3 |
272-7561
|
Pump switch (OBSOLETE) |
$15.48
|
|
|
usually ships 13-18 days |