| # | Part | Description | Price | Req | Notes | Availability |
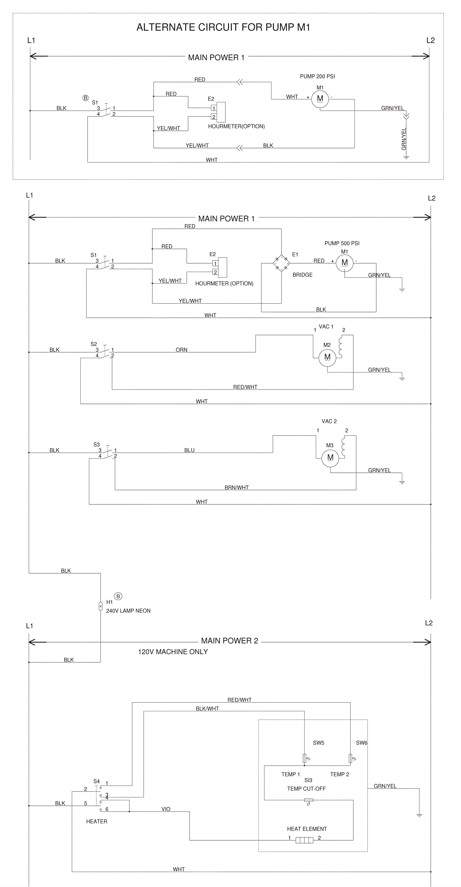
E1 |
209-0452
|
15amp bridge rectifier (OBSOLETE) |
$12.52
|
1 |
|
usually ships 13-18 days |
E2 |
472-4639
|
KIT-HOUR METER 120/240 |
$86.94
|
1 |
(optional) |
usually ships 13-18 days |
H1 |
209-0671
|
Light (green) |
$22.58
|
1 |
|
usually ships 13-18 days |
M1 |
472-4635
|
KIT-PUMP MOTOR 120V |
$1,475.13
|
1 |
|
usually ships 13-18 days |
M2a |
472-4655
|
VAC MTR-6.5A-120V-3 STAGE-CSA |
$208.89
|
2 |
|
usually ships 13-18 days |
M2b |
209-0658
|
Carbon brush kit |
$19.25
|
1 |
|
usually ships 13-18 days |
M3a |
472-4655
|
VAC MTR-6.5A-120V-3 STAGE-CSA |
$208.89
|
2 |
|
usually ships 13-18 days |
M3a |
209-0658
|
Carbon brush kit |
$19.25
|
1 |
|
usually ships 13-18 days |
S4 |
472-4595
|
ROCKER SWITCH-3 POSITION (OBSOLETE) |
$26.04
|
1 |
|
usually ships 13-18 days |
S13 |
N/A
|
Not available |
Call for price
|
1 |
(Thermal cutout only available in kit) |
usually ships 3-26 days |
K1 |
272-7417
|
PEX heater repair kit |
$428.68
|
1 |
(includes SW5, SW6 and S13) |
usually ships 1-5 days |