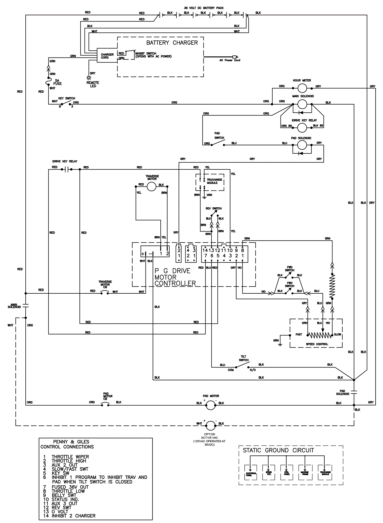
Wiring Diagram - 20BT and 24BT
Click to enlarge