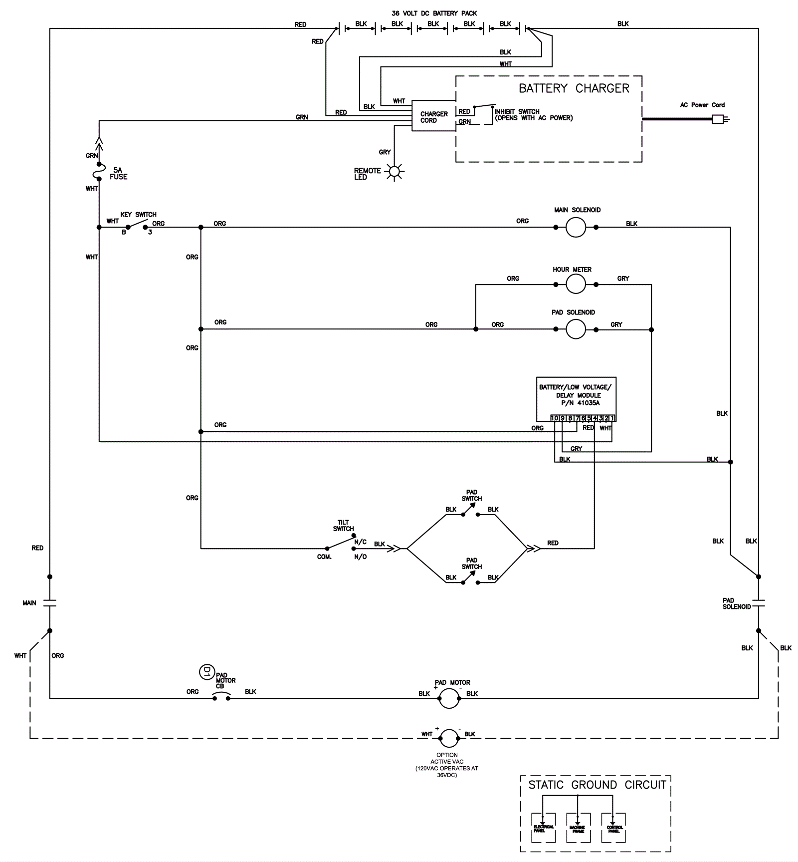
Wiring Diagram - 20B and 24B
Click to enlarge