| # | Part | Description | Price | Req | Notes | Availability |
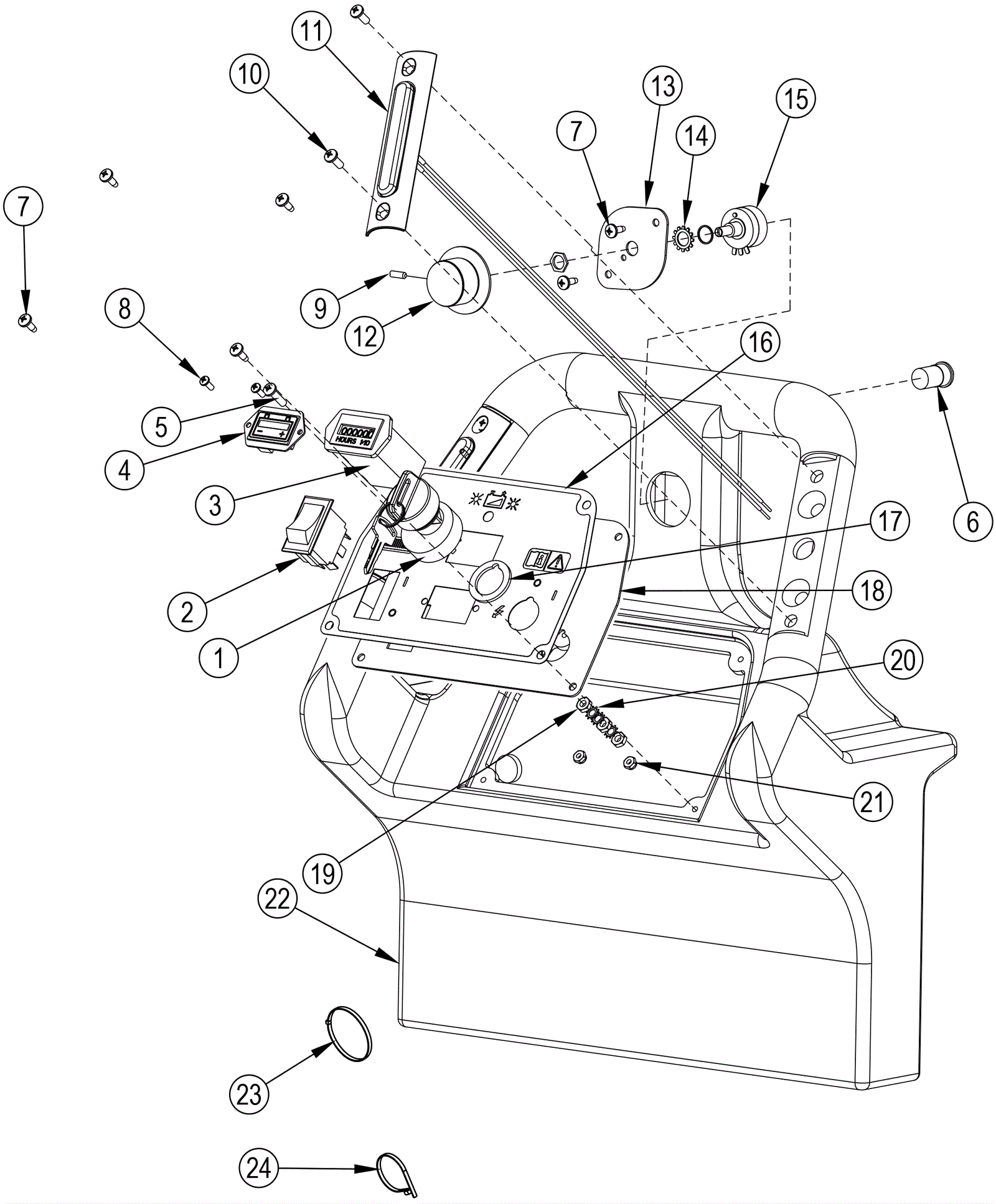
1 |
170-9026
|
Key switch |
$72.26
|
1 |
|
usually ships 13-18 days |
2 |
170-0058
|
Rocker switch 2 position 6 prong |
$64.75
|
1 |
|
usually ships 12-15 days |
3a |
170-0052
|
Hour meter |
$117.26
|
1 |
(OEM) |
usually ships 13-18 days |
3b |
991-7137
|
Hour meter |
$78.26
|
1 |
(NON-OEM) |
ships same day |
4 |
270-0637
|
Tru-charge meter |
$117.26
|
1 |
|
usually ships 13-18 days |
5 |
999-0414
|
Screw 10-32 x 3/4 pan head slotted zinc plated |
$0.99
|
1 |
|
ships same day |
6 |
170-7409
|
Push button reverse switch |
$94.68
|
1 |
|
usually ships 13-18 days |
7 |
999-0110
|
Screw 10-16 x 1/2 pan head phillips self-drilling |
$0.99
|
6 |
|
ships same day |
8a |
999-0463
|
Screw 6-32 x 3/8 pan head slotted zinc plated |
$0.99
|
2 |
(20BTand 24BT) |
ships same day |
8b |
999-0462
|
Screw 8-32 x 1/2 pan head slotted zinc plated |
$0.99
|
2 |
(20B and 24B) |
ships same day |
9 |
999-0431
|
Screw 8-32 x 1/4 set socket cup point alloy plain finish |
$0.99
|
1 |
|
ships same day |
10 |
999-0851
|
Screw 10-32 x 1/2 round head slotted nylon |
$0.99
|
4 |
|
ships same day |
11 |
272-8479
|
Handle switch assembly |
$40.44
|
2 |
(qty 4 for 20B and 24B) |
ships same day |
12 |
170-1876
|
Traverse control knob |
$51.96
|
1 |
|
usually ships 13-18 days |
13 |
272-8587
|
5K potentiometer retainer |
$11.35
|
1 |
|
usually ships 13-18 days |
14 |
999-0201
|
Washer 3/8 internal star lock |
$0.99
|
1 |
|
ships same day |
15 |
272-3511
|
Potentiometer harness assembly |
$50.45
|
1 |
|
usually ships 1-5 days |
16a |
272-8588
|
Control panel decal |
$35.75
|
1 |
(20BTand 24BT) |
usually ships 1-5 days |
16b |
272-8478
|
Control panel label |
$37.27
|
1 |
(20B and 24B) |
usually ships 1-5 days |
17 |
272-8524
|
Key switch spacer |
$12.89
|
1 |
|
usually ships 1-5 days |
18a |
272-8589
|
Control panel |
$12.89
|
1 |
(20BTand 24BT) |
usually ships 1-5 days |
18b |
272-8477
|
Control panel |
$12.89
|
1 |
(20B and 24B) |
usually ships 1-5 days |
19 |
999-0460
|
Nut 10-32 hex |
$0.99
|
3 |
|
ships same day |
20 |
999-0311
|
Washer #10 external star lock zinc plated |
$0.99
|
4 |
(qty 2 for 20B and 24B) |
ships same day |
21 |
999-0227
|
Nut 6-32 hex nylon insert lock jam zinc plated |
$0.99
|
2 |
|
ships same day |
22a |
272-8480
|
Handle |
$312.82
|
1 |
(20BTand 24BT) |
ships same day |
22b |
272-7424
|
Handle |
$281.00
|
1 |
(20B and 24B) |
usually ships 1-5 days |
23 |
170-0080
|
Wire tie |
$12.89
|
1 |
(20B and 20BT) |
usually ships 13-18 days |
24 |
372-2096
|
Cable tie |
$12.89
|
1 |
(20B) |
usually ships 13-18 days |