| # | Part | Description | Price | Req | Notes | Availability |
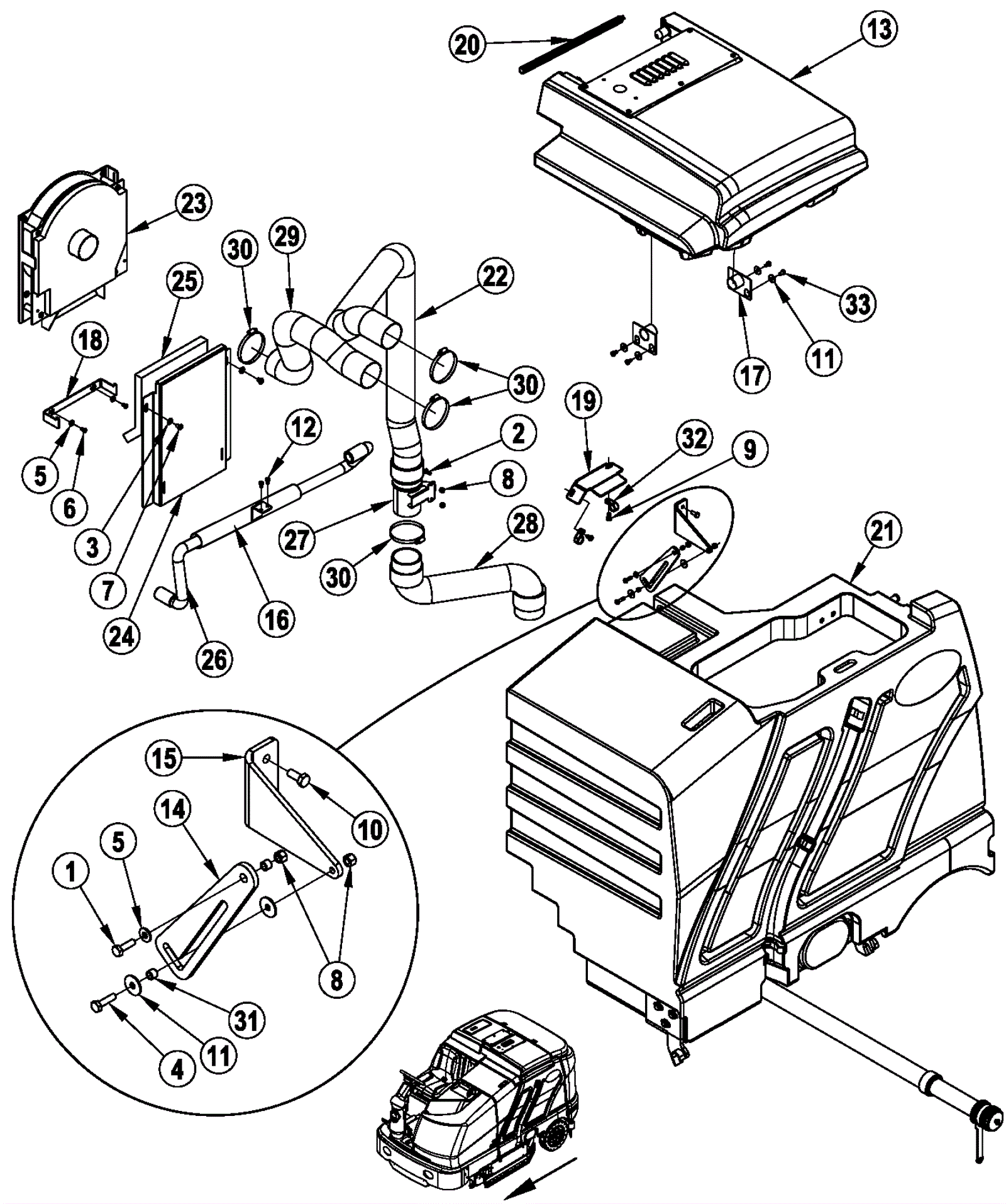
1 |
999-0822
|
Screw 1/4-20 x 7/8 hex head plain finish |
$0.99
|
1 |
|
ships same day |
2 |
999-1032
|
Screw 1/4-20 x 5/8 hex head stainless steel |
$0.99
|
2 |
|
ships same day |
3 |
999-0024
|
Washer 5/16 flat stainless steel |
$1.34
|
2 |
|
ships same day |
4 |
999-0830
|
Screw 1/4-20 x 1 hex head plain finish |
$0.99
|
1 |
|
ships same day |
5 |
999-0123
|
Washer 1/4 SAE flat zinc plated |
$0.99
|
3 |
|
ships same day |
6 |
999-0522
|
Screw 1/4-20 x 1/2 pan head phillips stainless steel |
$1.03
|
2 |
|
ships same day |
7 |
999-1891
|
Screw 5/16-18 x 1/2 pan head phillips stainless steel |
$0.99
|
2 |
|
usually ships 1-5 days |
8 |
999-0294
|
Nut 1/4-20 hex nylon lock type NE stainless steel |
$1.18
|
4 |
|
ships same day |
9 |
272-1465
|
Screw 1/4-20 X 5/8 hex head lock |
$12.89
|
2 |
|
usually ships 1-5 days |
10 |
999-0556
|
Bolt 5/16-18 x 3/4 hex head stainless steel |
$0.99
|
2 |
|
ships same day |
11 |
172-0553
|
Washer 17/64 x 1/16 flat |
$11.35
|
6 |
|
usually ships 13-18 days |
12 |
999-1129
|
Screw 1/4-20 x 1/2 pan head phillips thread rolling zinc |
$0.99
|
2 |
|
ships same day |
13 |
N/A
|
Not available |
Call for price
|
1 |
(Recovery Tank Cover Assembly)(see Recovery System -2) |
usually ships 3-26 days |
14 |
272-3784
|
Recovery tank cover prop arm |
$34.23
|
1 |
|
usually ships 1-5 days |
15 |
272-3785
|
Bracket |
$28.94
|
1 |
|
usually ships 1-5 days |
16 |
272-3786
|
Tube weldment |
$112.55
|
1 |
|
usually ships 1-5 days |
17 |
272-3787
|
Hinge support weldment |
$30.60
|
2 |
|
usually ships 1-5 days |
18 |
272-3788
|
Panel mounting bracket |
$30.60
|
1 |
|
usually ships 1-5 days |
19 |
272-3789
|
Tube support plate |
$22.58
|
1 |
|
usually ships 1-5 days |
20 |
272-3790
|
Gasket |
$14.41
|
1 |
|
usually ships 1-5 days |
21 |
272-3791
|
Recovery tank assembly |
$2,244.35
|
1 |
(see Recovery System -2) |
usually ships 1-5 days |
22 |
272-3792
|
Cuffed hose assembly |
$86.94
|
1 |
|
usually ships 13-18 days |
23 |
272-3793
|
Vacuum fan assembly |
$1,683.87
|
1 |
(see Vacuum Fan Assembly - 2) |
usually ships 13-18 days |
24 |
272-3794
|
Panel weldment |
$168.42
|
1 |
|
usually ships 1-5 days |
25 |
272-3795
|
Sound foam |
$32.56
|
1 |
|
usually ships 1-5 days |
26 |
272-3796
|
Cuffed hose assembly |
$40.44
|
1 |
|
usually ships 13-18 days |
27 |
272-3797
|
Tube weldment |
$238.29
|
1 |
|
usually ships 13-18 days |
28 |
272-3798
|
Squeegee hose assembly |
$59.84
|
1 |
|
usually ships 13-18 days |
29 |
172-2835
|
Hose |
$77.69
|
1 |
|
usually ships 13-18 days |
30 |
997-2009
|
Hose clamp |
$3.30
|
4 |
|
ships same day |
31 |
172-0162
|
Bushing |
$14.41
|
2 |
|
usually ships 1-5 days |
32 |
172-2122
|
P clamp |
$12.89
|
2 |
|
usually ships 13-18 days |
33 |
272-9727
|
Screw 1/4-20 x 1/2 hex head lock |
$12.89
|
4 |
|
usually ships 1-5 days |