| # | Part | Description | Price | Req | Notes | Availability |
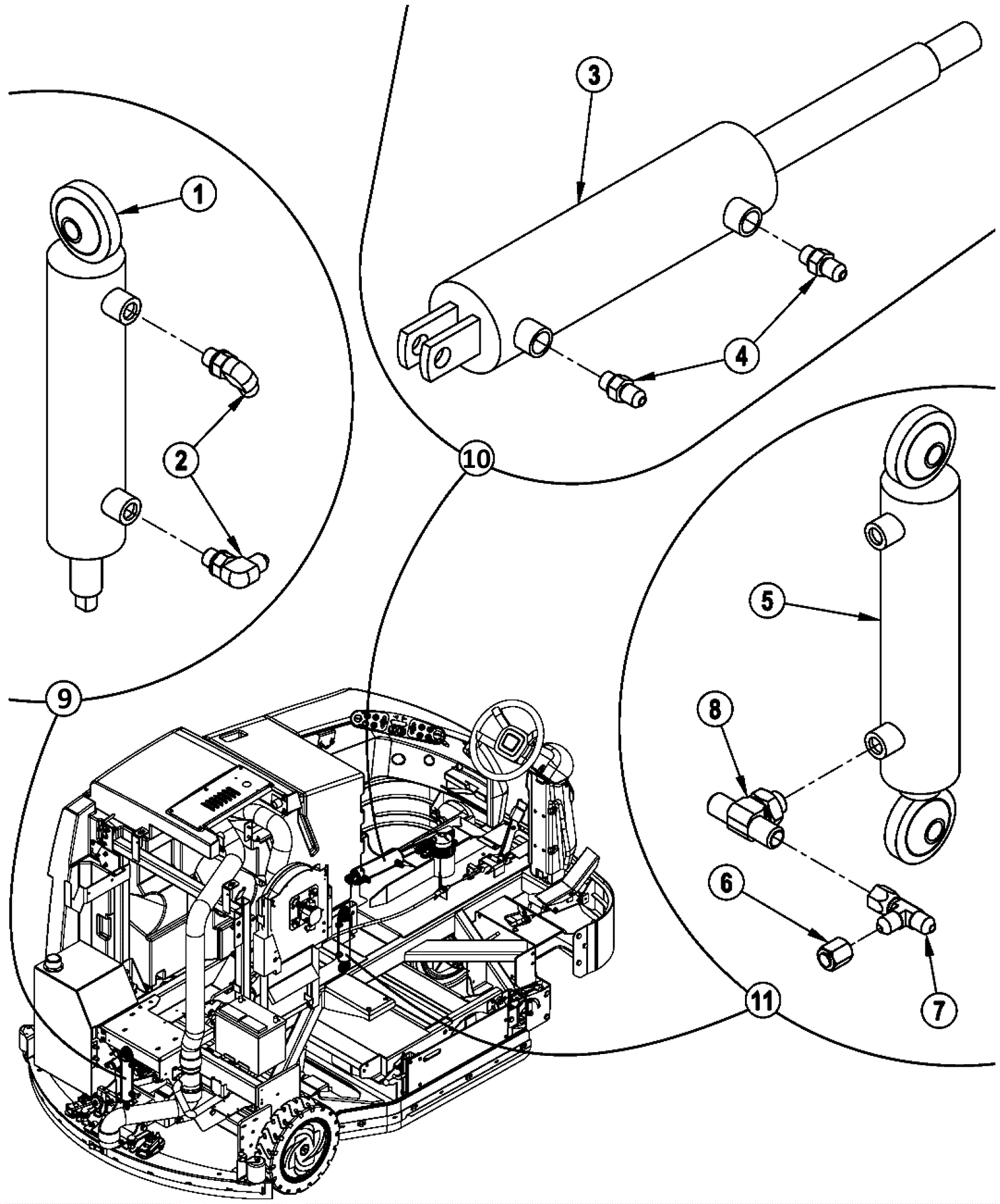
1a |
272-7929
|
Hydraulic cylinder 1 1/2 x 5 inch |
$392.79
|
1 |
|
usually ships 1-5 days |
1b |
272-7930
|
Seal kit |
$103.32
|
1 |
|
usually ships 1-5 days |
2 |
272-2983
|
90 degree elbow |
$40.16
|
2 |
|
usually ships 1-5 days |
3a |
272-7931
|
Hydraulic cylinder 2 x 6 inch |
$433.22
|
1 |
|
usually ships 1-5 days |
3b |
272-7932
|
Seal kit |
$85.44
|
1 |
|
usually ships 1-5 days |
4 |
272-3192
|
Connector |
$15.17
|
2 |
|
usually ships 1-5 days |
5a |
272-7933
|
Hydraulic cylinder 1 1/2 x 5 inch |
$440.97
|
1 |
|
usually ships 1-5 days |
5b |
272-7934
|
Seal kit |
$96.35
|
1 |
|
usually ships 1-5 days |
6 |
272-7924
|
Flare tube end cap |
$11.35
|
1 |
|
usually ships 1-5 days |
7 |
272-3154
|
Tee |
$41.97
|
1 |
|
usually ships 1-5 days |
8 |
272-7935
|
Branch tee |
$35.75
|
1 |
|
usually ships 1-5 days |
9 |
N/A
|
Not available |
Call for price
|
1 |
(Squeegee Cylinder Assembly)(includes 1 and 2) |
usually ships 3-26 days |
10 |
N/A
|
Not available |
Call for price
|
1 |
(Cylinder Assembly)(includes 3 and 4) |
usually ships 3-26 days |
11 |
N/A
|
Not available |
Call for price
|
1 |
(Scrub Lift Cylinder Assembly)(includes 5-8) |
usually ships 3-26 days |