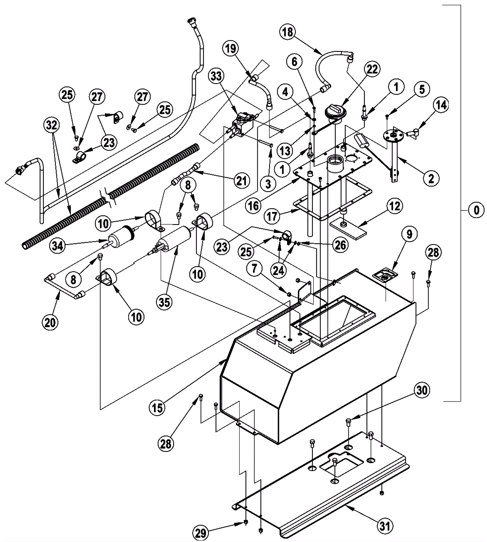
| # | Part | Description | Price | Req | Notes | Availability |
0 |
272-6461
|
Petrol assembly tank |
$2,365.00
|
1 |
(includes 1-22) |
usually ships 1-5 days |
1 |
272-7862
|
Quick connect fitting |
$94.68
|
2 |
|
usually ships 1-5 days |
2 |
272-3325
|
Fuel level sender |
$160.73
|
1 |
|
usually ships 13-18 days |
3 |
999-1892
|
Screw 1/4-20 x 2 hex cap stainless steel |
$1.52
|
2 |
|
ships same day |
4 |
999-1862
|
Washer #10 flat SAE stainless steel |
$0.99
|
4 |
|
ships same day |
5 |
999-0267
|
Screw 10-24 x 1/2 pan head phillips zinc |
$0.99
|
18 |
|
ships same day |
6 |
999-0705
|
Screw 10-24 x 3/4 pan head phillips stainless steel |
$0.99
|
1 |
|
ships same day |
7 |
999-0294
|
Nut 1/4-20 hex nylon lock type NE stainless steel |
$1.18
|
2 |
|
ships same day |
8 |
172-4889
|
Screw 3/8-16 x 1/2 hex lock |
$12.89
|
3 |
|
usually ships 1-5 days |
9 |
172-5459
|
Unleaded fuel decal |
$12.89
|
1 |
|
usually ships 1-5 days |
10 |
272-9298
|
P-clamp |
$14.41
|
3 |
|
usually ships 1-5 days |
12 |
272-3327
|
Strainer |
$45.00
|
1 |
|
usually ships 1-5 days |
13 |
272-7863
|
Bushing |
$14.41
|
1 |
|
usually ships 1-5 days |
14 |
172-2303
|
Rubber boot |
$14.41
|
1 |
|
usually ships 1-5 days |
15 |
272-7864
|
Fuel tank weldment |
$2,004.56
|
1 |
|
usually ships 1-5 days |
16 |
272-7866
|
Cover plate weldment |
$649.85
|
1 |
|
usually ships 1-5 days |
17 |
272-7867
|
Cover gasket |
$12.89
|
1 |
|
usually ships 1-5 days |
18 |
272-6462
|
Fuel hose assembly |
$128.59
|
1 |
|
usually ships 1-5 days |
19 |
272-6463
|
Fuel hose assembly |
$94.75
|
1 |
|
usually ships 1-5 days |
20 |
272-6464
|
Fuel hose assembly |
$109.08
|
1 |
|
usually ships 1-5 days |
21 |
272-6465
|
Fuel hose assembly |
$85.14
|
1 |
|
usually ships 1-5 days |
22 |
272-7868
|
Fuel cap |
$35.75
|
1 |
|
usually ships 1-5 days |
23 |
272-1613
|
P clamp |
$11.35
|
3 |
|
usually ships 1-5 days |
24 |
999-1862
|
Washer #10 flat SAE stainless steel |
$0.99
|
2 |
|
ships same day |
25 |
272-1473
|
Bolt 10-24 x 5/8 hex head |
$12.89
|
3 |
|
usually ships 1-5 days |
26 |
999-0442
|
Nut 10-24 nylon insert lock stainless steel |
$1.76
|
1 |
|
ships same day |
27 |
172-0369
|
Washer 17/64 x 3/4 x 23/64 flat |
$12.89
|
2 |
|
usually ships 1-5 days |
28 |
999-0334
|
Bolt 1/4-20 x 3/4 inch hex head stainless steel |
$3.85
|
4 |
|
usually ships 16-20 days |
29 |
999-0294
|
Nut 1/4-20 hex nylon lock type NE stainless steel |
$1.18
|
4 |
|
ships same day |
30 |
272-5257
|
Bolt 3/8-16 x 3/4 hex head lock |
$12.89
|
4 |
|
usually ships 1-5 days |
31 |
272-7871
|
Tank mount weldment |
$288.88
|
1 |
|
usually ships 1-5 days |
32 |
272-6466
|
Fuel hose assembly |
$189.53
|
1 |
|
usually ships 1-5 days |
33 |
272-6431
|
Fuel manifold |
$1,073.64
|
1 |
(shipped with the engine) |
usually ships 1-5 days |
34 |
272-6428
|
Fuel filter |
$94.68
|
1 |
(shipped with the engine) |
usually ships 1-5 days |
35 |
272-6426
|
Fuel pump |
$1,571.33
|
1 |
(shipped with the engine) |
usually ships 1-5 days |