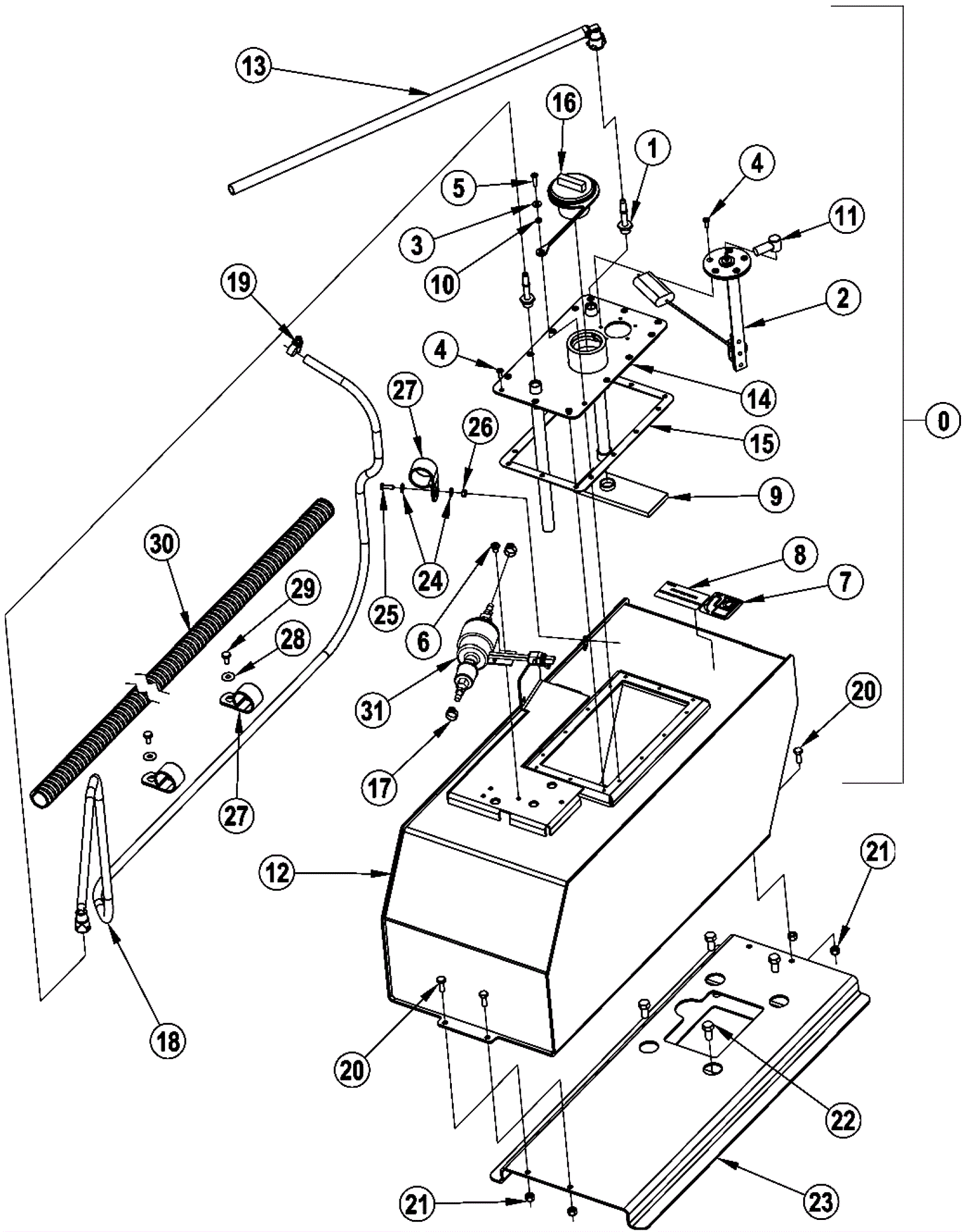
| # | Part | Description | Price | Req | Notes | Availability |
0 |
472-4190
|
TANK DIESEL ASSY EU |
$3,126.29
|
1 |
(includes 1-17) |
usually ships 13-18 days |
1 |
272-7862
|
Quick connect fitting |
$94.68
|
2 |
|
usually ships 1-5 days |
2 |
272-3325
|
Fuel level sender |
$160.73
|
1 |
|
usually ships 13-18 days |
3 |
999-1862
|
Washer #10 flat SAE stainless steel |
$0.99
|
1 |
|
ships same day |
4 |
999-0267
|
Screw 10-24 x 1/2 pan head phillips zinc |
$0.99
|
18 |
|
ships same day |
5 |
999-0705
|
Screw 10-24 x 3/4 pan head phillips stainless steel |
$0.99
|
1 |
|
ships same day |
6 |
272-1562
|
Screw 1/4-20 x 3/5 pan head thread forming |
$11.35
|
1 |
|
ships same day |
7 |
172-5700
|
Diesel fuel decal |
$76.04
|
1 |
|
usually ships 1-5 days |
8 |
272-7874
|
Low sulfur diesel decal |
$12.89
|
1 |
|
usually ships 1-5 days |
9 |
272-3327
|
Strainer |
$45.00
|
1 |
|
usually ships 1-5 days |
10 |
272-7863
|
Bushing |
$14.41
|
1 |
|
usually ships 1-5 days |
11 |
172-2303
|
Rubber boot |
$14.41
|
1 |
|
usually ships 1-5 days |
12 |
272-7864
|
Fuel tank weldment |
$2,004.56
|
1 |
|
usually ships 1-5 days |
13 |
272-7865
|
Hose assembly |
$72.26
|
1 |
|
usually ships 1-5 days |
14 |
272-7866
|
Cover plate weldment |
$649.85
|
1 |
|
usually ships 1-5 days |
15 |
272-7867
|
Cover gasket |
$12.89
|
1 |
|
usually ships 1-5 days |
16 |
272-7868
|
Fuel cap |
$35.75
|
1 |
|
usually ships 1-5 days |
17 |
272-7869
|
Clamp |
$12.89
|
2 |
|
usually ships 1-5 days |
18 |
272-7870
|
Fuel hose assembly |
$115.74
|
1 |
|
usually ships 1-5 days |
19 |
997-2001
|
Hose clamp |
$2.42
|
1 |
|
ships same day |
20 |
999-0334
|
Bolt 1/4-20 x 3/4 inch hex head stainless steel |
$3.85
|
4 |
|
usually ships 16-20 days |
21 |
999-0294
|
Nut 1/4-20 hex nylon lock type NE stainless steel |
$1.18
|
4 |
|
ships same day |
22 |
272-5257
|
Bolt 3/8-16 x 3/4 hex head lock |
$12.89
|
4 |
|
usually ships 1-5 days |
23 |
272-7871
|
Tank mount weldment |
$288.88
|
1 |
|
usually ships 1-5 days |
24 |
999-1862
|
Washer #10 flat SAE stainless steel |
$0.99
|
2 |
|
ships same day |
25 |
272-1473
|
Bolt 10-24 x 5/8 hex head |
$12.89
|
1 |
|
usually ships 1-5 days |
26 |
999-0442
|
Nut 10-24 nylon insert lock stainless steel |
$1.76
|
1 |
|
ships same day |
27 |
172-9261
|
P clamp |
$12.89
|
3 |
|
usually ships 1-5 days |
28 |
172-0369
|
Washer 17/64 x 3/4 x 23/64 flat |
$12.89
|
2 |
|
usually ships 1-5 days |
29 |
272-9677
|
Screw 1/4-20 x 1/2 hex head |
$12.89
|
2 |
|
usually ships 13-18 days |
30 |
272-7872
|
Conduit hose |
$28.94
|
1 |
|
usually ships 1-5 days |
31 |
272-7818
|
Electronic fuel pump |
$336.91
|
1 |
(shipped with the engine) |
usually ships 1-5 days |