| # | Part | Description | Price | Req | Notes | Availability |
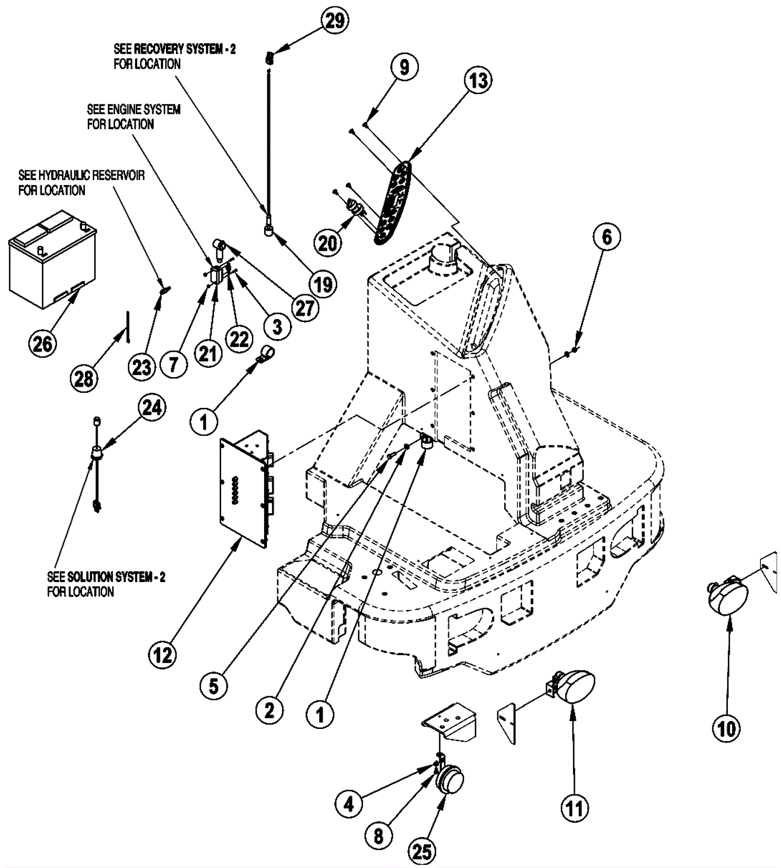
1 |
172-9261
|
P clamp |
$12.89
|
2 |
|
usually ships 1-5 days |
2 |
999-0024
|
Washer 5/16 flat stainless steel |
$1.34
|
2 |
|
ships same day |
3 |
999-6705
|
Screw 6-32 x 5/8 inch pan head stainless steel |
$0.99
|
2 |
|
ships same day |
4 |
999-0123
|
Washer 1/4 SAE flat zinc plated |
$0.99
|
1 |
|
ships same day |
5 |
999-0424
|
Bolt 5/16-18 x 1 hex head stainless steel |
$0.99
|
1 |
|
ships same day |
6 |
999-0211
|
Nut 5/16-18 hex nylon insert lock zinc plated |
$0.99
|
1 |
|
ships same day |
7 |
999-0227
|
Nut 6-32 hex nylon insert lock jam zinc plated |
$0.99
|
2 |
|
ships same day |
8 |
272-9677
|
Screw 1/4-20 x 1/2 hex head |
$12.89
|
1 |
|
usually ships 13-18 days |
9 |
999-0454
|
Screw 10-24 x 1/2 truss head phillips zinc plated |
$0.99
|
4 |
|
ships same day |
10a |
272-7700
|
Left side headlight assembly |
$131.95
|
1 |
|
usually ships 1-5 days |
10b |
272-7703
|
Headlight replacement bulb |
$27.26
|
|
|
usually ships 13-18 days |
11a |
272-7702
|
Right side headlight assembly |
$80.75
|
1 |
|
usually ships 1-5 days |
11b |
272-7703
|
Headlight replacement bulb |
$27.26
|
|
|
usually ships 13-18 days |
12a |
272-6391
|
Control board box assembly (OBSOLETE) |
$2,344.10
|
1 |
|
usually ships 1-5 days |
12b |
272-6392
|
Diesel control board box assembly (OBSOLETE) |
$1,907.40
|
1 |
(diesel only) |
usually ships 1-5 days |
13 |
272-6393
|
Dashboard panel assembly |
$1,082.95
|
1 |
|
usually ships 1-5 days |
19 |
272-7713
|
Liquid level switch |
$156.02
|
1 |
|
usually ships 1-5 days |
20a |
272-7714
|
Key switch assembly |
$184.81
|
1 |
(includes 20b) |
usually ships 1-5 days |
20b |
272-2196
|
Keys (pkg of 2) |
$42.10
|
1 |
|
ships same day |
21 |
272-7715
|
Fuseholder |
$46.67
|
1 |
|
usually ships 1-5 days |
22 |
272-7716
|
100amp fuse |
$76.04
|
1 |
|
usually ships 1-5 days |
23 |
272-7717
|
Temperature sender |
$30.60
|
1 |
|
usually ships 1-5 days |
24 |
272-5829
|
Liquid level switch |
$135.11
|
1 |
|
usually ships 1-5 days |
25 |
272-7719
|
12V horn |
$192.54
|
1 |
|
usually ships 1-5 days |
26 |
272-7720
|
12 volt battery |
$505.34
|
1 |
|
usually ships 13-18 days |
27 |
172-8964
|
Terminal insulator |
$14.41
|
1 |
|
usually ships 1-5 days |
28 |
170-6744
|
Wire tie |
$12.50
|
30 |
quantity of 33 on diesel models only) |
usually ships 1-5 days |
29 |
172-9902
|
Female connector |
$14.41
|
1 |
|
usually ships 1-5 days |
N/S |
272-7707
|
Main harness |
$2,244.35
|
1 |
|
usually ships 13-18 days |
N/S |
272-7708
|
Battery cable harness |
$353.25
|
1 |
|
usually ships 1-5 days |
N/S |
272-7709
|
Cable assembly (black) |
$27.26
|
1 |
|
usually ships 1-5 days |
N/S |
272-7710
|
Cable assembly (red) |
$38.79
|
1 |
|
usually ships 1-5 days |
N/S |
272-7711
|
Cable assembly (red) |
$73.78
|
1 |
|
usually ships 1-5 days |
N/S |
272-7712
|
Glow plug harness |
$61.56
|
1 |
(diesel only) |
usually ships 1-5 days |