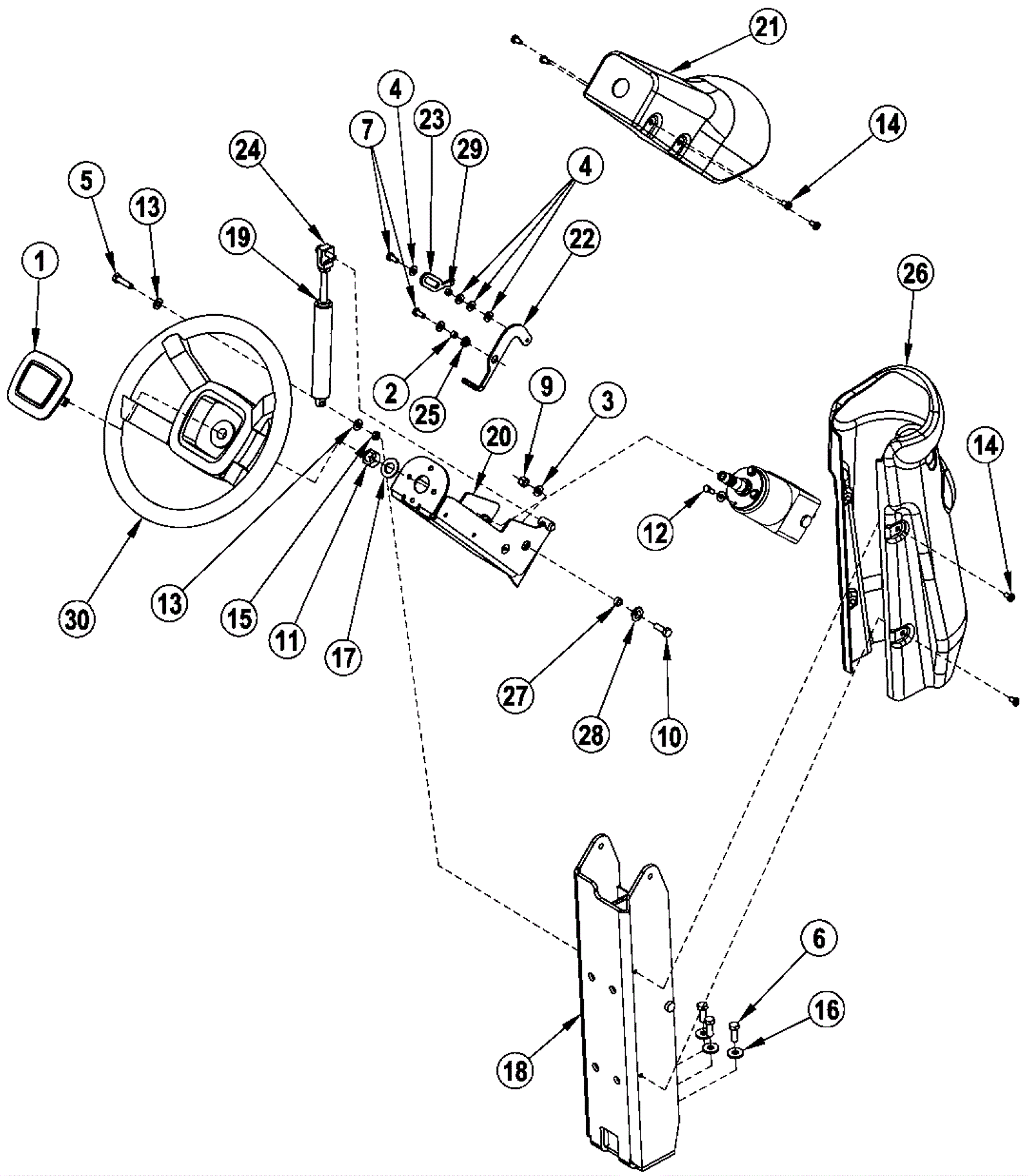
| # | Part | Description | Price | Req | Notes | Availability |
1 |
272-7657
|
Steering wheel cover |
$12.89
|
1 |
|
usually ships 1-5 days |
2 |
172-0186
|
Bushing |
$14.41
|
1 |
|
usually ships 1-5 days |
3 |
999-0024
|
Washer 5/16 flat stainless steel |
$1.34
|
2 |
|
ships same day |
4 |
999-0123
|
Washer 1/4 SAE flat zinc plated |
$0.99
|
9 |
|
ships same day |
5 |
999-0829
|
Screw 5/16-18 x 1 1/4 hex head plain finish |
$0.99
|
1 |
|
ships same day |
6 |
999-0562
|
Bolt 3/8-16 x 1 hex head stainless steel |
$1.50
|
3 |
|
ships same day |
7 |
272-1465
|
Screw 1/4-20 X 5/8 hex head lock |
$12.89
|
2 |
|
usually ships 1-5 days |
10 |
999-0785
|
Screw M8-1.25 x 30mm hex head stainless steel |
$2.24
|
2 |
|
ships same day |
11 |
172-4431
|
Nut M16-1 x 1.5mm hex |
$14.18
|
1 |
|
usually ships 1-5 days |
12 |
272-1599
|
Bolt M6 x 15mm hex head nylok |
$12.89
|
4 |
|
usually ships 1-5 days |
13 |
999-0406
|
Washer 5/16 internal star lock zinc plated |
$0.99
|
2 |
|
ships same day |
14 |
999-1129
|
Screw 1/4-20 x 1/2 pan head phillips thread rolling zinc |
$0.99
|
8 |
|
ships same day |
15 |
999-0430
|
Nut 5/16-18 hex jam plain finish |
$0.99
|
1 |
|
ships same day |
16 |
999-0120
|
Washer 3/8 SAE flat |
$0.99
|
3 |
|
ships same day |
17 |
181-1076
|
Washer 11/16 x 1 1/4 flat |
$12.89
|
1 |
|
usually ships 1-5 days |
18 |
272-7658
|
Lower column weldment |
$445.57
|
1 |
|
usually ships 1-5 days |
19 |
272-7659
|
Locking gas spring |
$168.42
|
1 |
|
usually ships 1-5 days |
20 |
272-7660
|
Upper column weldment |
$192.54
|
1 |
|
usually ships 1-5 days |
21 |
172-3492
|
Upper column shroud |
$42.44
|
1 |
|
usually ships 1-5 days |
22 |
272-7662
|
Lever |
$42.58
|
1 |
|
usually ships 1-5 days |
23 |
272-7663
|
Lever |
$12.89
|
1 |
|
usually ships 1-5 days |
24 |
272-7664
|
Rod end weldment |
$104.81
|
1 |
|
usually ships 1-5 days |
25 |
272-7665
|
Flange bearing |
$16.20
|
1 |
|
usually ships 1-5 days |
26 |
172-3491
|
Lower column shroud |
$115.74
|
1 |
|
usually ships 1-5 days |
27 |
172-4008
|
Bushing |
$38.50
|
2 |
|
ships same day |
28 |
272-9481
|
Flanged bearing |
$16.20
|
2 |
|
usually ships 13-18 days |
29 |
272-9784
|
Bushing |
$17.83
|
1 |
|
usually ships 1-5 days |
30 |
272-2969
|
Steering wheel |
$192.54
|
1 |
|
usually ships 1-5 days |