# | Part | Description | Price | Req | Notes | Availability |
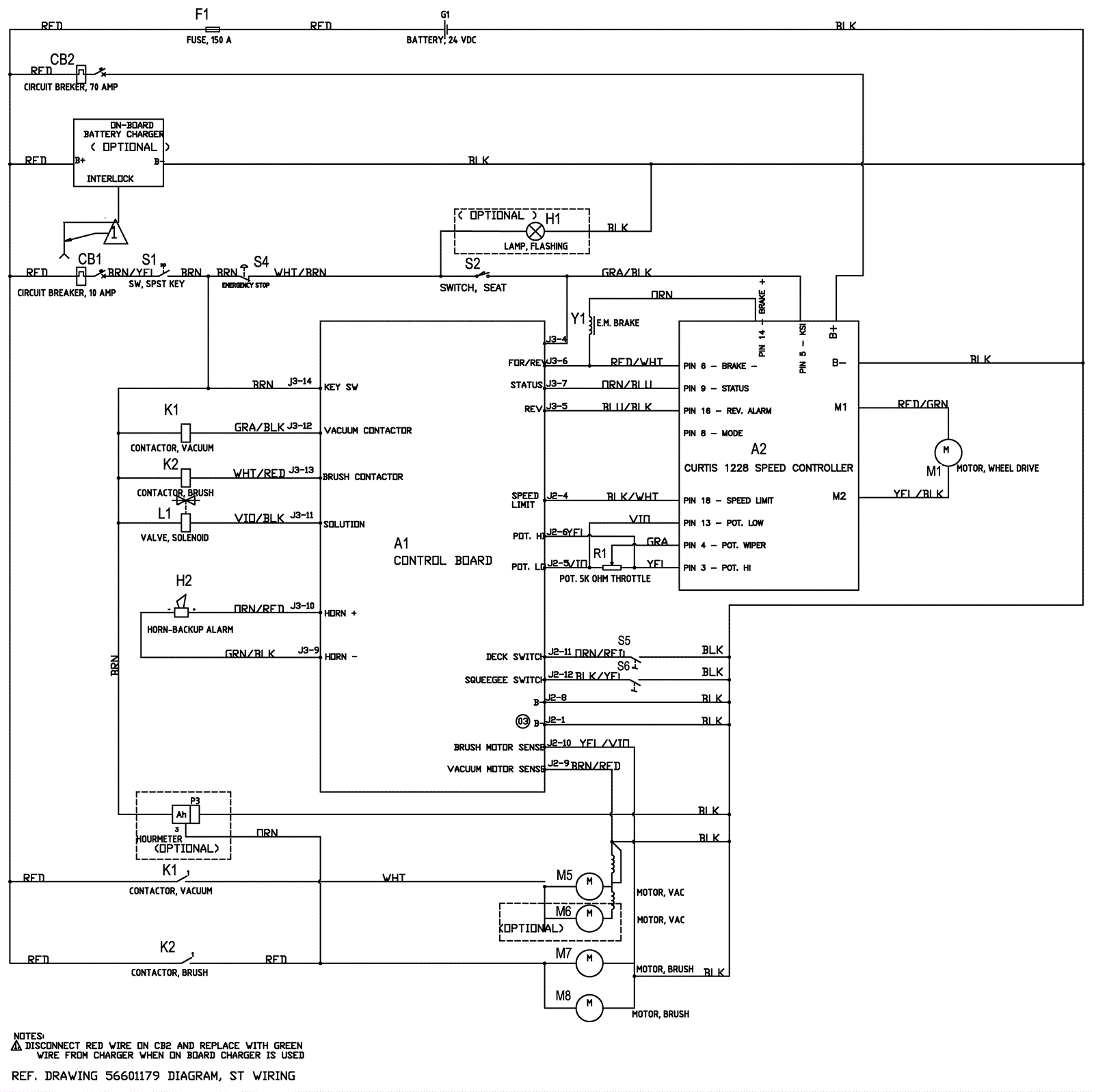
A2 |
272-3514
|
Speed control |
$811.94
|
1 |
|
usually ships 13-18 days |
BAT 1 |
162-0048
|
6V 415Ah AGM battery (Group L16) (SNSR) |
$874.50
|
4 |
|
ships same day |
BAT 2 |
162-0019
|
6V 390Ah wet battery (SNSR) |
$522.50
|
4 |
|
ships same day |
F1a |
172-8836
|
150amp fuse |
$19.67
|
1 |
|
usually ships 13-18 days |
CB1 |
172-2523
|
70amp circuit breaker |
$118.65
|
1 |
|
usually ships 1-5 days |
CB2 |
272-9374
|
10amp circuit breaker |
$24.60
|
1 |
|
usually ships 13-18 days |
H1 |
272-9485
|
Warning beacon |
$459.81
|
1 |
|
usually ships 1-5 days |
H2 |
172-8839
|
Backup alarm |
$52.67
|
1 |
|
usually ships 13-18 days |
K1 |
272-8794
|
24V contactor |
$93.46
|
1 |
|
usually ships 13-18 days |
K2 |
172-2163
|
24V solenoid 4 post (2 large 2 small) |
$126.03
|
1 |
|
usually ships 13-18 days |
L1 |
272-9265
|
Solenoid valve |
$252.90
|
1 |
|
usually ships 13-18 days |
M1 |
272-8807
|
Drive wheel motor |
$3,828.28
|
1 |
|
ships same day |
M5a |
272-9271
|
Vacuum motor |
$421.17
|
1 |
|
usually ships 13-18 days |
M6a |
272-9271
|
Vacuum motor |
$421.17
|
1 |
(optional) |
usually ships 13-18 days |
M6b |
991-1221
|
Carbon brush without plastic cover (pkg of 2) |
$15.95
|
1 |
|
usually ships 10-13 days |
M7 |
272-3605
|
Motor gearbox assembly |
$1,225.03
|
2 |
|
usually ships 13-18 days |
M8 |
272-3605
|
Motor gearbox assembly |
$1,225.03
|
2 |
|
usually ships 13-18 days |
R1 |
N/A
|
Not available |
Call for price
|
|
(part of 272-8880) |
usually ships 3-26 days |
S1a |
272-2195
|
Key switch assembly |
$92.03
|
1 |
|
usually ships 13-18 days |
S1b |
272-2196
|
Keys (pkg of 2) |
$40.52
|
1 |
(optional) |
ships same day |
S2 |
272-9417
|
Seat switch |
$23.01
|
1 |
|
usually ships 13-18 days |
S4 |
172-9233
|
Emergency stop button |
$268.38
|
1 |
|
usually ships 13-18 days |
S5 |
272-8850
|
Proximity sensor |
$169.11
|
1 |
|
usually ships 13-18 days |
S6 |
272-9264
|
Vac switch |
$19.98
|
1 |
|
usually ships 13-18 days |
N/S |
272-2358
|
24V onboard battery charger |
$1,453.52
|
1 |
|
usually ships 13-18 days |