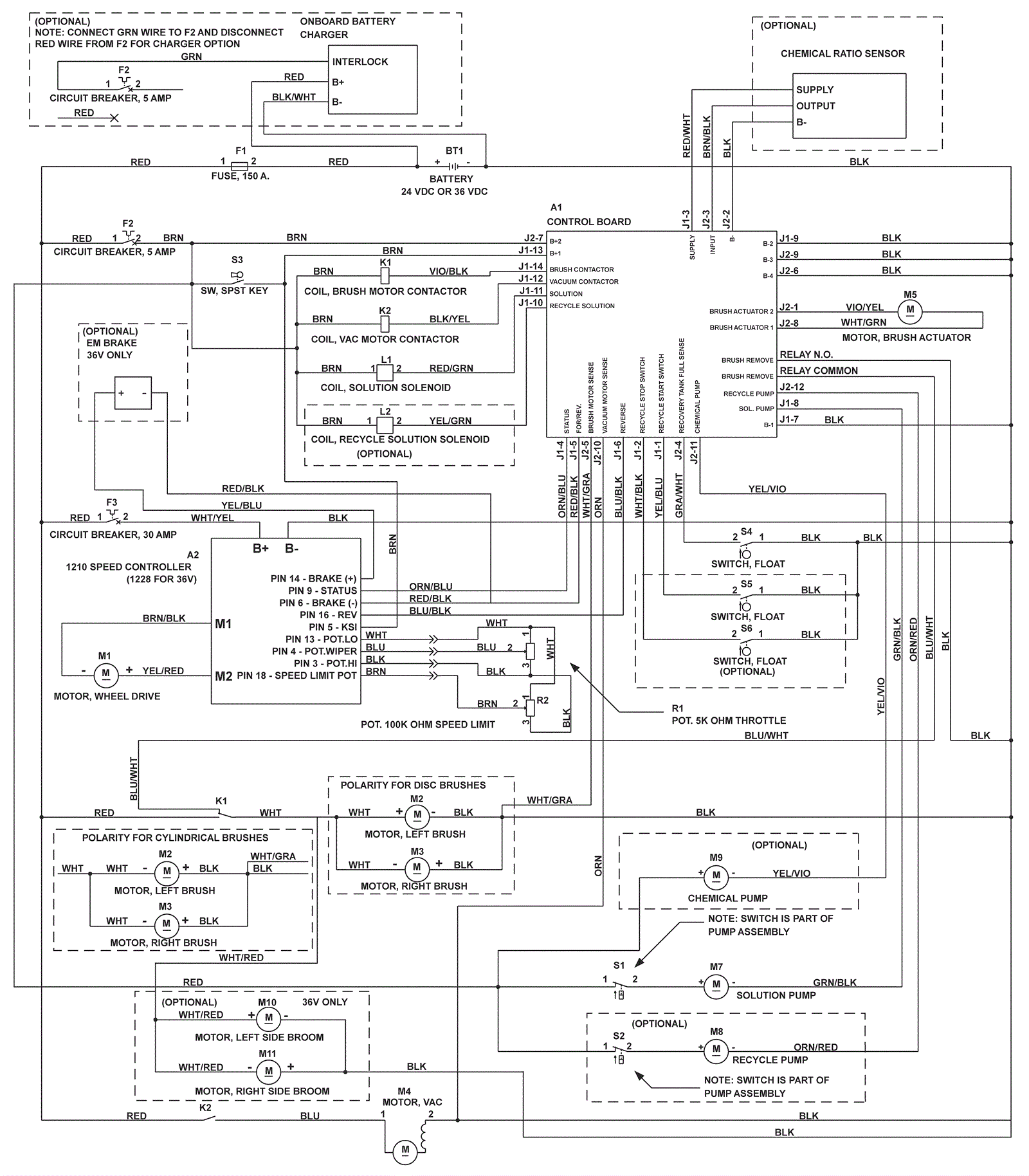
| # | Part | Description | Price | Req | Notes | Availability |
BT1 |
162-0005
|
6V 305Ah wet battery (SNSR) |
$412.50
|
6 |
|
ships same day |
BT1 |
162-0046
|
6V 335Ah AGM battery (Group J305) (SNSR) |
$654.50
|
6 |
|
ships same day |
A1 |
272-5301
|
Control panel |
$781.00
|
1 |
|
usually ships 1-5 days |
A2 |
272-2222
|
Speed controller |
$885.31
|
1 |
|
usually ships 1-5 days |
F1a |
172-8836
|
150amp fuse |
$19.67
|
1 |
|
usually ships 13-18 days |
F1b |
991-3061
|
150amp fuse |
$56.06
|
1 |
|
ships same day |
F2 |
991-1628
|
5amp circuit breaker |
$13.76
|
1 |
|
usually ships 13-18 days |
F3 |
272-2209
|
30amp circuit breaker |
$13.76
|
1 |
|
ships same day |
K1 |
272-1322
|
Motor contactor |
$222.53
|
1 |
|
usually ships 13-18 days |
K2 |
272-8184
|
36V 100amp contactor |
$55.56
|
1 |
|
usually ships 13-18 days |
L1 |
272-2586
|
36V solenoid valve |
$176.52
|
1 |
|
usually ships 1-5 days |
L2 |
272-2586
|
36V solenoid valve |
$176.52
|
1 |
|
usually ships 1-5 days |
M1a |
272-2270
|
36V transaxle |
$1,990.97
|
1 |
|
usually ships 13-18 days |
M1b |
991-3052
|
36V transaxle |
$350.00
|
1 |
|
ships same day |
M1c |
272-2271
|
Motor |
$1,608.28
|
1 |
|
usually ships 13-18 days |
M1d |
170-3568
|
Carbon brush (pkg of 4) |
$30.87
|
4 |
|
ships same day |
M1e |
272-2273
|
Neoprene mounting sleeve |
$26.04
|
2 |
|
usually ships 13-18 days |
M2a |
272-9384
|
36V brush motor |
$1,192.95
|
1 |
|
usually ships 1-5 days |
M2b |
172-8951
|
Carbon brush and spring kit |
$222.53
|
1 |
|
usually ships 13-18 days |
M3a |
272-9384
|
36V brush motor |
$1,192.95
|
1 |
|
usually ships 1-5 days |
M3b |
172-8951
|
Carbon brush and spring kit |
$222.53
|
1 |
|
usually ships 13-18 days |
M4a |
172-8007
|
36V 3 stage vacuum motor assembly |
$248.66
|
1 |
(OEM) |
usually ships 1-5 days |
M4b |
991-1202-P
|
36V 3 stage vacuum motor tangential with Packard plug |
$134.20
|
1 |
(NON-OEM) |
usually ships 1-5 days |
M4c |
991-1222
|
Plastic covered carbon brush (sold individually) |
$12.59
|
2 |
|
usually ships 18-24 days |
M5a |
172-8921
|
Actuator |
$606.83
|
1 |
|
usually ships 13-18 days |
M5b |
172-8922
|
Plastic drive nut |
$19.98
|
1 |
|
usually ships 13-18 days |
M7 |
272-2315
|
Solution pump |
$324.65
|
1 |
|
usually ships 13-18 days |
M8 |
272-2300
|
Pump 36vdc |
$620.68
|
1 |
(optional) |
usually ships 1-5 days |
M9 |
272-2175
|
Chemical pump |
$298.77
|
1 |
(optional) |
usually ships 13-18 days |
R1 |
172-2039
|
5K potentiometer |
$63.07
|
1 |
|
ships same day |
R2 |
991-9022
|
100K Potentiometer (speed control) |
$64.48
|
1 |
|
ships same day |
S1 |
N/A
|
Not available |
Call for price
|
1 |
(see 272-2315) |
usually ships 3-26 days |
N/S |
272-2224
|
36V onboard battery charger |
$1,180.45
|
1 |
|
ships same day |
N/S |
272-2176
|
Chemical sensor assembly |
$199.52
|
1 |
(chemical model) |
usually ships 1-5 days |
N/S |
172-3451
|
Battery spacer |
$13.76
|
1 |
|
usually ships 13-18 days |
N/S |
998-0010
|
Battery jumper cable - ring type (red) |
$6.06
|
1 |
|
ships same day |