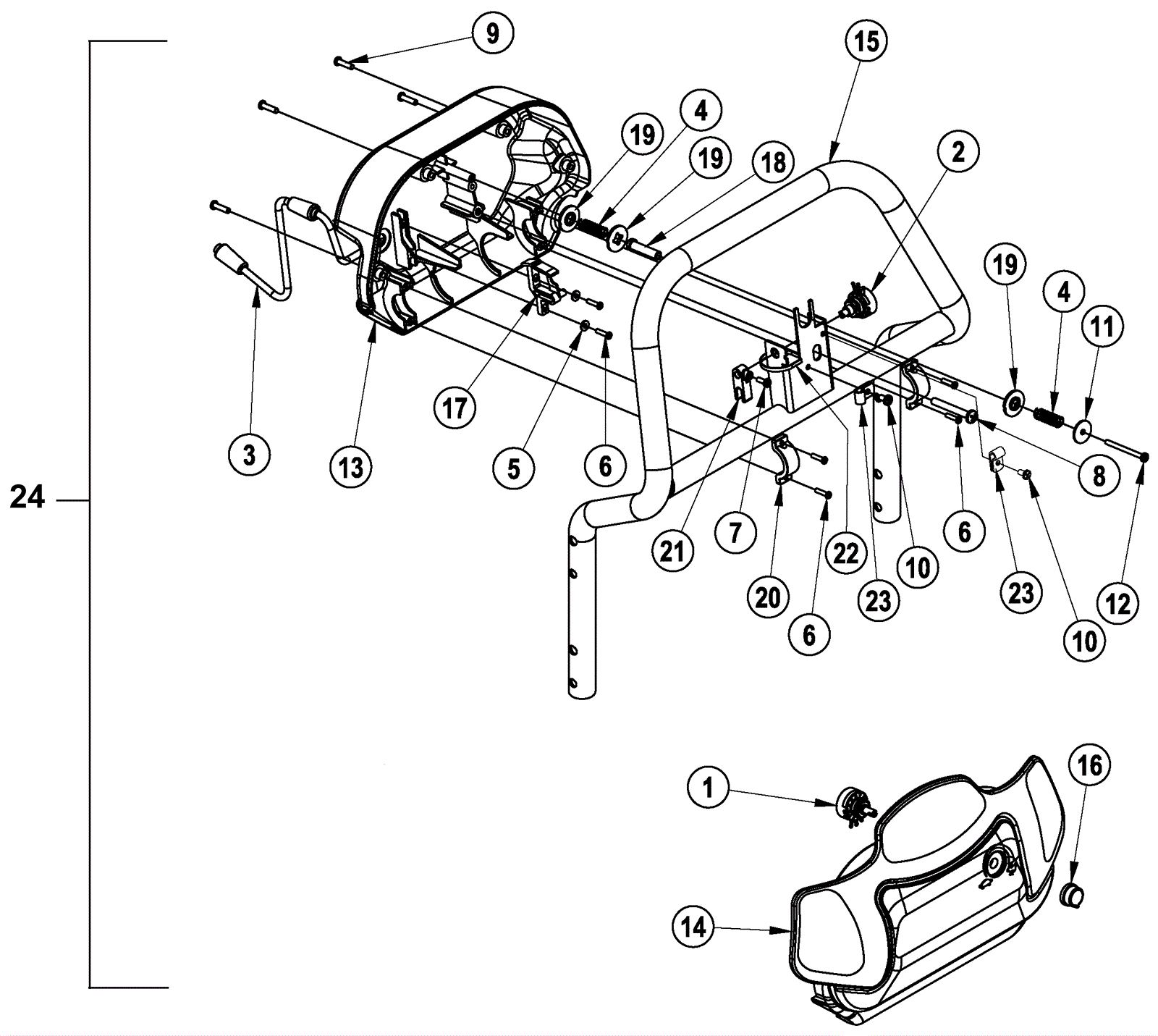
| # | Part | Description | Price | Req | Notes | Availability |
1 |
991-9022
|
100K Potentiometer (speed control) |
$67.52
|
1 |
|
ships same day |
2 |
172-2039
|
5K potentiometer |
$66.03
|
1 |
|
ships same day |
3 |
272-2187
|
Paddle harness |
$114.06
|
1 |
|
usually ships 13-18 days |
4 |
172-2036
|
Compression spring |
$12.89
|
2 |
|
usually ships 13-18 days |
5 |
999-0377
|
Washer 6 SAE flat plain finish |
$0.99
|
2 |
|
ships same day |
6 |
999-1362
|
Screw 6-18 x 5/8 pan head phillips stainless steel |
$0.99
|
6 |
|
ships same day |
7 |
999-0521
|
Screw M4-.7 x 12mm pan head phillips zinc |
$2.31
|
1 |
|
ships same day |
8 |
172-2035
|
Screw 1/4-10 x 2 pan head phillips |
$12.89
|
1 |
|
usually ships 13-18 days |
9 |
272-2188
|
Screw 8-10 x 3/4 pan head phillips plastite |
$12.50
|
4 |
|
usually ships 13-18 days |
10 |
999-0409
|
Screw 10-24 x 3/8 pan head slotted zinc plated |
$0.99
|
2 |
|
ships same day |
11 |
999-0588
|
Washer 7/8 flat stainless steel |
$11.44
|
1 |
|
ships same day |
12 |
172-2037
|
Screw 8 x 2 pan head phillips type B |
$11.35
|
1 |
|
usually ships 13-18 days |
13 |
272-2189
|
Rear paddle |
$43.48
|
1 |
|
ships same day |
14 |
272-2190
|
Front paddle |
$96.35
|
1 |
|
usually ships 13-18 days |
15 |
272-2191
|
Handle bar weldment |
$111.02
|
1 |
|
usually ships 1-5 days |
16 |
272-2192
|
Knob |
$14.41
|
1 |
|
usually ships 13-18 days |
17 |
172-2038
|
Cam controller |
$16.20
|
1 |
|
ships same day |
18 |
172-2043
|
Sleeve |
$28.94
|
1 |
|
usually ships 13-18 days |
19 |
172-2045
|
Washer plastic |
$11.35
|
3 |
|
usually ships 13-18 days |
20 |
272-1353
|
Clamp |
$12.89
|
2 |
|
usually ships 13-18 days |
21 |
172-2047
|
U clamp |
$11.35
|
1 |
|
ships same day |
22 |
997-2101
|
6 inch cable tie |
$0.99
|
1 |
|
ships same day |
23 |
172-4063
|
P clamp |
$12.89
|
2 |
|
usually ships 1-5 days |
24 |
272-2186
|
Handle assembly |
$818.29
|
4 |
(includes 1 thru 23) |
usually ships 13-18 days |