| # | Part | Description | Price | Req | Notes | Availability |
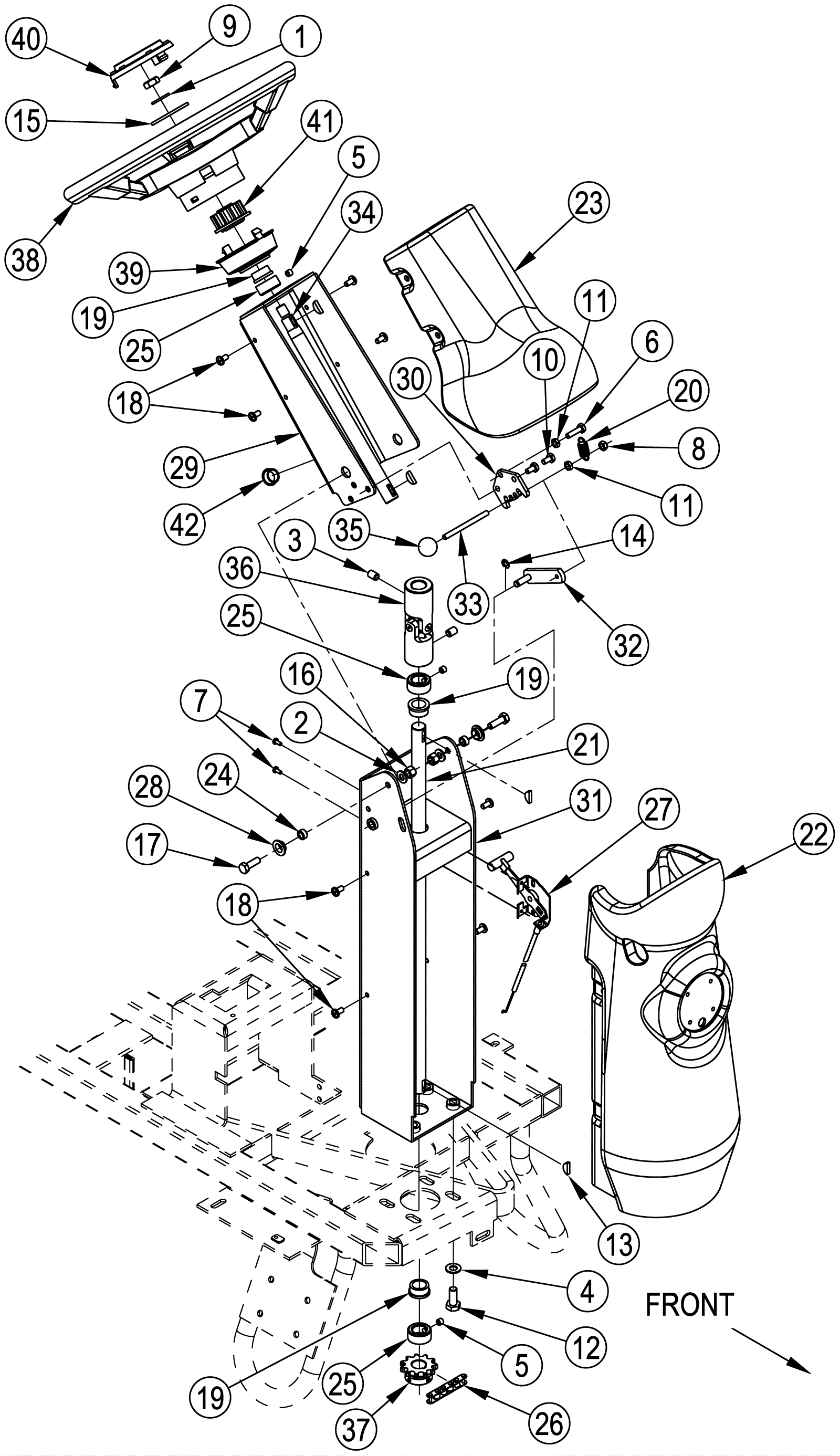
1 |
999-0114
|
Washer 1/2 SAE flat |
$0.99
|
3 |
|
ships same day |
2 |
999-0024
|
Washer 5/16 flat stainless steel |
$1.34
|
2 |
|
ships same day |
4 |
999-0120
|
Washer 3/8 SAE flat |
$0.99
|
4 |
|
ships same day |
6 |
999-0830
|
Screw 1/4-20 x 1 hex head plain finish |
$0.99
|
1 |
|
ships same day |
7 |
999-0363
|
Screw 8-32 x 3/8 hex head unslotted thread rolling |
$0.99
|
2 |
(not used on AXP or EcoFlex models) |
ships same day |
8 |
999-0190
|
Nut 1/4-20 hex plain finish |
$0.99
|
1 |
|
ships same day |
9 |
999-0262
|
Nut 1/2-13 nylon insert jam lock zinc plated |
$0.99
|
1 |
|
ships same day |
10 |
272-9727
|
Screw 1/4-20 x 1/2 hex head lock |
$12.89
|
2 |
|
usually ships 1-5 days |
11 |
999-0971
|
Nut 1/4-20 jam stainless steel |
$0.99
|
2 |
|
ships same day |
12 |
272-9728
|
Screw M10-1 1/2 x 25mm hex head full thread |
$8.30
|
4 |
|
usually ships 1-5 days |
13 |
172-9387
|
Woodruff key |
$12.89
|
4 |
|
usually ships 13-18 days |
14 |
172-0294
|
Retaining ring |
$12.89
|
1 |
|
usually ships 13-18 days |
15 |
999-0187
|
Washer 1/2 flat plain finish |
$0.99
|
1 |
|
ships same day |
17 |
999-0785
|
Screw M8-1.25 x 30mm hex head stainless steel |
$2.24
|
2 |
|
ships same day |
18 |
999-1129
|
Screw 1/4-20 x 1/2 pan head phillips thread rolling zinc |
$0.99
|
9 |
|
ships same day |
19 |
172-9388
|
Flanged bearing |
$14.41
|
3 |
|
usually ships 13-18 days |
20 |
272-9479
|
Extension spring |
$14.41
|
1 |
|
usually ships 13-18 days |
21 |
172-3490
|
Lower steering shaft |
$56.65
|
1 |
|
usually ships 13-18 days |
22 |
172-3491
|
Lower column shroud |
$115.74
|
1 |
|
usually ships 1-5 days |
23 |
172-3492
|
Upper column shroud |
$42.44
|
1 |
|
usually ships 1-5 days |
24 |
172-4008
|
Bushing |
$38.50
|
2 |
|
ships same day |
25 |
172-0115
|
Shaft collar |
$30.60
|
3 |
|
usually ships 13-18 days |
26 |
172-9068
|
Roller chain |
$73.78
|
1 |
|
ships same day |
27 |
172-9071
|
Solution control cable |
$48.17
|
1 |
(not used on AXP or EcoFlex models) |
usually ships 13-18 days |
28 |
272-9481
|
Flanged bearing |
$16.20
|
2 |
|
usually ships 13-18 days |
29 |
272-9484
|
Upper column |
$118.76
|
1 |
|
usually ships 13-18 days |
30 |
272-9480
|
Steering column ratchet |
$12.89
|
1 |
|
usually ships 13-18 days |
31 |
472-8232
|
STEERING UPGRADE KIT |
$473.52
|
1 |
|
usually ships 13-18 days |
32 |
272-9483
|
Steering weldment |
$53.61
|
1 |
|
usually ships 1-5 days |
33 |
272-9482
|
Rod |
$12.89
|
1 |
|
usually ships 13-18 days |
34 |
172-9072
|
Upper steering shaft |
$146.97
|
1 |
|
usually ships 1-5 days |
35 |
172-2674
|
Knob |
$12.89
|
1 |
|
ships same day |
36 |
172-9074
|
Universal joint |
$249.19
|
1 |
|
usually ships 1-5 days |
37 |
172-8093
|
Sprocket |
$100.16
|
1 |
|
usually ships 13-18 days |
38 |
172-9075
|
Steering wheel |
$302.03
|
1 |
|
usually ships 13-18 days |
39 |
172-9076
|
Cup |
$20.91
|
1 |
|
usually ships 1-5 days |
40 |
172-9077
|
Cap |
$58.45
|
1 |
|
usually ships 1-5 days |
41 |
172-9078
|
Steering wheel adapter |
$45.00
|
1 |
|
usually ships 1-5 days |
42 |
172-1803
|
Plug |
$12.89
|
1 |
|
usually ships 1-5 days |