| # | Part | Description | Price | Req | Notes | Availability |
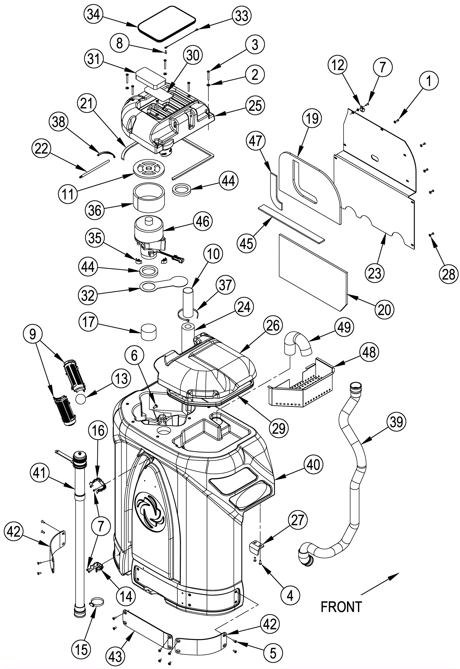
1 |
999-0477
|
Screw 10-24 x 5/16 truss head phillips zinc |
$1.54
|
8 |
|
ships same day |
2 |
999-0123
|
Washer 1/4 SAE flat zinc plated |
$0.99
|
7 |
|
ships same day |
3 |
999-1030
|
Screw 1/4-20 x 2 pan head phillips stainless steel |
$2.05
|
6 |
|
ships same day |
4 |
999-0456
|
Screw 1/4-20 x 3/4 pan head phillips stainless steel |
$1.76
|
4 |
|
ships same day |
5 |
999-0419
|
Screw 1/4-20 x 5/8 flat head slotted zinc plated |
$0.99
|
12 |
|
ships same day |
6 |
999-0399
|
Screw 5/16-18 x 3/4 pan head phillips zinc plated |
$0.99
|
1 |
|
ships same day |
7 |
999-0332
|
Screw 10-24 x 5/8 pan head phillips stainless steel |
$1.54
|
5 |
|
ships same day |
8 |
182-0034
|
Screw 10-14 x 1/2 pan head plastite |
$4.61
|
2 |
|
ships same day |
9 |
172-0517
|
Float cage half (2 required for full float cage) |
$19.25
|
2 |
|
ships same day |
10 |
272-1253
|
Vacuum hose 2 x 6 |
$30.60
|
1 |
|
usually ships 13-18 days |
11 |
272-1233
|
Gasket |
$16.20
|
1 |
|
usually ships 13-18 days |
12 |
181-0269
|
P clamp |
$12.89
|
1 |
|
usually ships 1-5 days |
13 |
172-0192
|
Float ball |
$10.52
|
1 |
|
usually ships 18-27 days |
14 |
272-1159
|
Plastic clamp |
$11.35
|
1 |
|
ships same day |
15 |
997-2003
|
Hose clamp |
$2.66
|
3 |
|
ships same day |
16 |
172-3169
|
Plastic clamp |
$27.26
|
1 |
|
ships same day |
17 |
172-3335
|
Foam cylinder |
$14.41
|
2 |
|
usually ships 13-18 days |
19 |
172-3337
|
Top panel muffler |
$37.27
|
1 |
|
usually ships 1-5 days |
20 |
172-3338
|
Bottom panel muffler |
$43.48
|
1 |
|
usually ships 1-5 days |
21 |
272-6565
|
Gasket strip |
$12.89
|
1 |
|
usually ships 13-18 days |
22 |
172-3333
|
Cover pivot pin |
$19.01
|
1 |
|
usually ships 13-18 days |
23 |
272-8999
|
Exhaust cover |
$111.02
|
1 |
|
usually ships 1-5 days |
24 |
172-0126
|
Acoustical foam |
$30.60
|
1 |
|
usually ships 13-18 days |
25 |
272-9000
|
Vacuum motor cover |
$232.99
|
1 |
|
usually ships 1-5 days |
26 |
272-9139
|
Recovery tank lid |
$138.15
|
1 |
|
usually ships 13-18 days |
27 |
172-3344
|
Tank mount bracket |
$51.96
|
2 |
|
usually ships 13-18 days |
28 |
999-1862
|
Washer #10 flat SAE stainless steel |
$0.99
|
9 |
|
ships same day |
29 |
172-3346
|
Recovery tank lid gasket |
$97.85
|
1 |
|
usually ships 13-18 days |
30 |
172-3347
|
Filter screen |
$22.58
|
1 |
|
usually ships 13-18 days |
31 |
172-3348
|
Filter |
$11.35
|
1 |
|
ships same day |
32 |
172-3349
|
Separator plate |
$28.72
|
1 |
|
usually ships 13-18 days |
33 |
172-3357
|
9 inch wire rope |
$14.41
|
1 |
|
usually ships 13-18 days |
34 |
272-5303
|
Recovery tank lid and gasket |
$37.27
|
1 |
|
usually ships 13-18 days |
35 |
172-3351
|
Vibration mount |
$11.35
|
3 |
|
ships same day |
36 |
172-3353
|
Vacuum muffler |
$32.56
|
1 |
|
usually ships 13-18 days |
37 |
997-2102
|
Cable tie |
$1.38
|
1 |
|
ships same day |
38 |
172-3358
|
Spring |
$14.41
|
1 |
|
usually ships 13-18 days |
39a |
272-6298
|
Vacuum hose assembly |
$34.23
|
1 |
(OEM) |
usually ships 13-18 days |
39b |
991-5152
|
Vacuum hose assembly |
$37.96
|
1 |
(NON-OEM) |
usually ships 10-15 days |
40 |
272-5412
|
Recovery tank |
$2,405.06
|
1 |
|
usually ships 1-5 days |
41a |
272-5577
|
Drain hose |
$106.05
|
1 |
|
ships same day |
41b |
375-3216
|
Drain hose assembly (black) |
$71.39
|
1 |
|
ships same day |
42 |
272-6033
|
Rear bumper |
$32.56
|
2 |
|
usually ships 1-5 days |
43 |
272-6034
|
Rear middle bumper |
$45.00
|
1 |
|
usually ships 1-5 days |
44 |
272-0430
|
Vacuum duct gasket |
$14.41
|
2 |
|
ships same day |
45 |
272-1252
|
Sound foam |
$11.99
|
1 |
|
usually ships 1-5 days |
46a |
272-9272
|
36V 3 stage vacuum motor |
$312.82
|
1 |
(OEM) |
usually ships 13-18 days |
46b |
991-1237
|
36V 3 stage vacuum motor bypass dual ball tangential |
$361.06
|
1 |
(NON-OEM) |
ships same day |
46c |
991-1221
|
Carbon brush without plastic cover (pkg of 2) |
$15.95
|
1 |
|
usually ships 10-13 days |
47 |
272-1254
|
Sound foam |
$13.40
|
1 |
|
usually ships 13-18 days |
48 |
272-6778
|
Strainer basket |
$24.67
|
1 |
|
usually ships 13-18 days |
49 |
272-6035
|
Recovery tank tube |
$43.48
|
1 |
|
usually ships 13-18 days |
N/S |
272-8537
|
Drain hose cap assembly |
$17.74
|
1 |
|
ships same day |
N/S |
272-9273
|
Drain hose extension |
$103.92
|
1 |
|
usually ships 13-18 days |
N/S |
172-3359
|
Vacuum harness |
$146.04
|
1 |
|
usually ships 1-5 days |