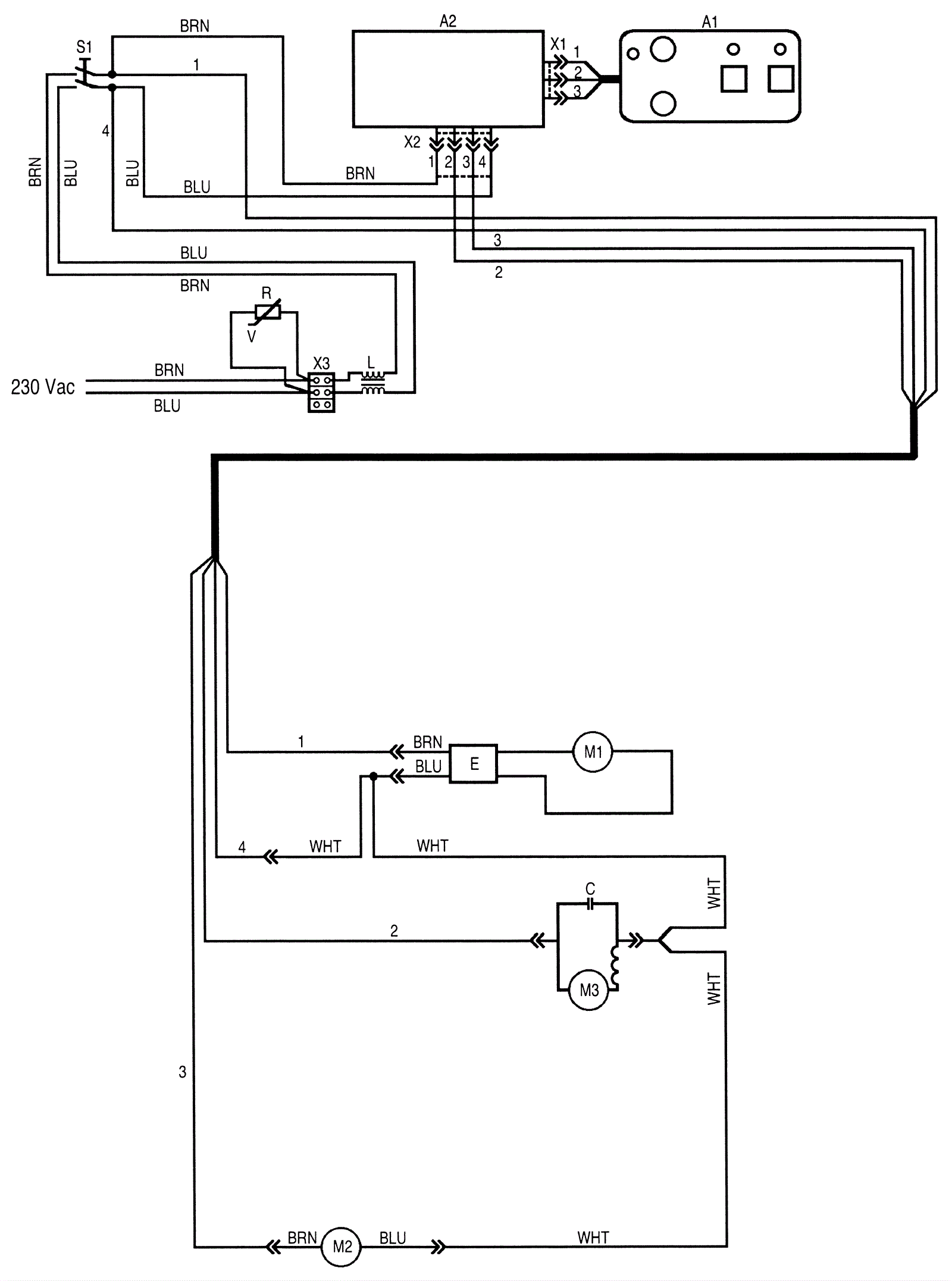
Electrical System-Harness Diagram-240 V
Click to enlarge