| # | Part | Description | Price | Req | Notes | Availability |
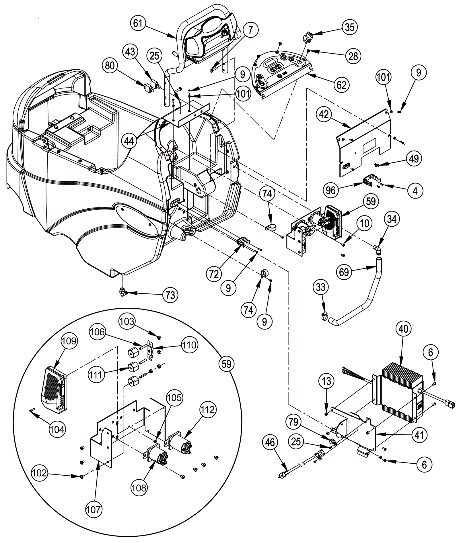
4 |
999-0267
|
Screw 10-24 x 1/2 pan head phillips zinc |
$0.99
|
2 |
|
ships same day |
6 |
999-0081
|
Screw 1/4-20 x 5/8 pan head slotted zinc |
$0.99
|
7 |
|
ships same day |
7 |
999-0109
|
Bolt 5/16-18 x 1 1/2 hex head grade 5 zinc plated |
$0.99
|
4 |
|
ships same day |
9 |
999-0269
|
Screw 10-24 x 5/8 pan head phillips zinc plated |
$0.99
|
10 |
|
ships same day |
10 |
999-0508
|
Screw 1/4-20 x 1/2 pan head phillips zinc plated |
$0.99
|
5 |
|
ships same day |
13 |
999-0152
|
Nut 1/4-20 nylon insert lock zinc plated |
$0.99
|
4 |
|
ships same day |
25 |
999-0409
|
Screw 10-24 x 3/8 pan head slotted zinc plated |
$0.99
|
3 |
|
ships same day |
28 |
999-0454
|
Screw 10-24 x 1/2 truss head phillips zinc plated |
$0.99
|
4 |
|
ships same day |
33 |
997-2005
|
Hose clamp |
$2.15
|
1 |
|
ships same day |
34 |
172-2100
|
90 degree barbed elbow 3/4 x 3/8 |
$12.89
|
1 |
|
ships same day |
35a |
272-2195
|
Key switch assembly |
$96.35
|
1 |
(includes 35b) |
usually ships 13-18 days |
35b |
272-2196
|
Keys (pkg of 2) |
$42.10
|
1 |
|
ships same day |
40 |
272-2358
|
24V onboard battery charger |
$1,453.52
|
1 |
|
usually ships 13-18 days |
41 |
272-2226
|
Charger bracket |
$91.65
|
1 |
|
usually ships 13-18 days |
42 |
272-9350
|
Electrical panel |
$55.14
|
1 |
|
usually ships 13-18 days |
43 |
272-2209
|
30amp circuit breaker |
$14.41
|
1 |
|
ships same day |
44 |
272-9351
|
Circuit breaker plate |
$27.26
|
1 |
|
usually ships 1-5 days |
46a |
272-2225
|
Onboard charger cord |
$32.56
|
1 |
|
ships same day |
46b |
991-8566
|
Onboard battery charger power cord |
$11.23
|
1 |
|
ships same day |
49 |
272-2177
|
Conduit clip |
$12.89
|
1 |
|
usually ships 13-18 days |
59 |
272-9357
|
Electrical box assembly |
$833.77
|
1 |
(includes 102-112) |
usually ships 1-5 days |
61 |
272-9364
|
Paddle assembly |
$1,106.27
|
1 |
|
usually ships 1-5 days |
62a |
272-9365
|
Control panel assembly |
$1,843.84
|
1 |
|
usually ships 13-18 days |
62b |
272-5316
|
Control panel assembly |
$409.17
|
1 |
(optional) |
usually ships 13-18 days |
69 |
172-1920
|
Solution drain hose |
$17.74
|
1 |
|
ships same day |
72 |
272-1159
|
Plastic clamp |
$11.35
|
1 |
|
ships same day |
73 |
172-2103
|
Elbow barb |
$11.35
|
1 |
|
usually ships 13-18 days |
74 |
272-2330
|
P clamp |
$12.89
|
2 |
|
usually ships 1-5 days |
79 |
172-2122
|
P clamp |
$12.89
|
2 |
|
usually ships 13-18 days |
80 |
272-9374
|
10amp circuit breaker |
$25.75
|
1 |
|
usually ships 13-18 days |
96 |
172-3169
|
Plastic clamp |
$27.26
|
1 |
|
ships same day |
101 |
999-0006
|
Washer 3/16 flat zinc plated |
$0.99
|
6 |
|
ships same day |
102 |
999-0509
|
Screw 1/4-20 x 3/8 pan head phillips zinc plated |
$0.99
|
7 |
|
ships same day |
103 |
999-0152
|
Nut 1/4-20 nylon insert lock zinc plated |
$0.99
|
4 |
|
ships same day |
104 |
999-1130
|
Screw 8-32 x 3/4 pan head phillips thread rolling zinc |
$0.99
|
2 |
|
ships same day |
105 |
999-0409
|
Screw 10-24 x 3/8 pan head slotted zinc plated |
$0.99
|
1 |
|
ships same day |
106 |
172-0346
|
Stud 1/4-20 |
$12.89
|
3 |
|
ships same day |
107 |
272-9359
|
Electrical panel |
$91.65
|
1 |
|
usually ships 1-5 days |
108 |
272-9360
|
24V 100amp contactor |
$67.56
|
1 |
|
usually ships 13-18 days |
109 |
272-9361
|
Speed controller |
$549.73
|
1 |
|
usually ships 13-18 days |
110a |
172-8836
|
150amp fuse |
$20.59
|
1 |
|
usually ships 13-18 days |
110b |
991-3061
|
150amp fuse |
$56.06
|
1 |
|
ships same day |
111 |
172-0103
|
Electrical mount |
$14.41
|
3 |
|
usually ships 1-5 days |
112 |
272-9362
|
24V 200amp contactor |
$109.53
|
1 |
|
usually ships 13-18 days |