SC800
Wiring Diagram
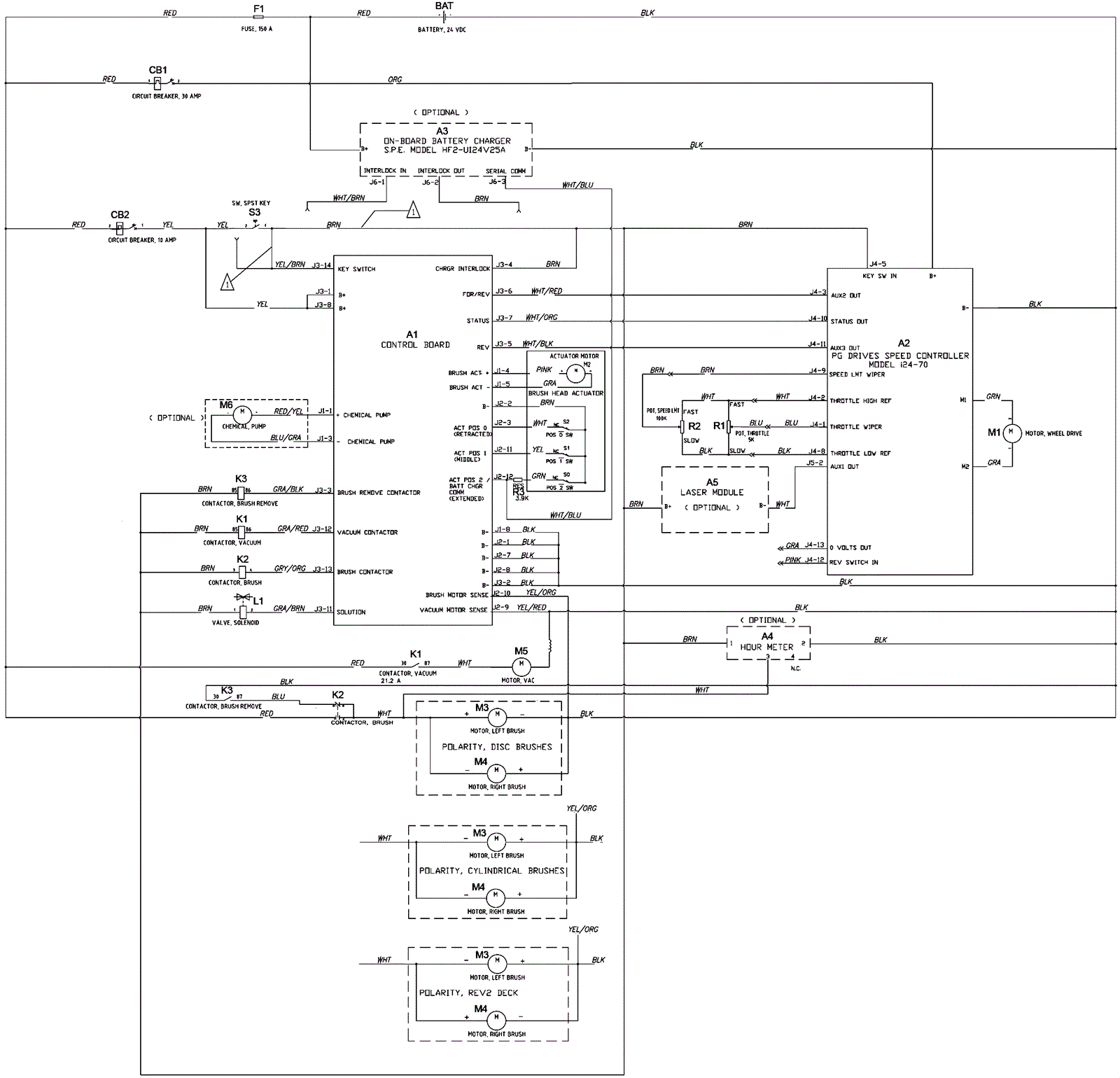
Click to enlarge
#
Part
Description
Price
Req
Notes
Availability
A1
272-9844
AXP control board kit
Call for price
1
usually ships 13-16 days
A2
272-9848
Speed controller
Call for price
1
usually ships 13-16 days
A3
272-8616
120V Onboard charger kit
Call for price
1
(optional)
usually ships 13-16 days
A4
172-2162
Hour meter
Call for price
1
(optional)
usually ships 13-16 days
A5
472-4530
LASER
Call for price
1
(optional)
usually ships 13-16 days
F1
172-8836
150amp fuse
Call for price
1
usually ships 13-16 days
CB1
272-2209
30amp circuit breaker
Call for price
1
usually ships 13-16 days
CB2
272-9374
10amp circuit breaker
Call for price
1
usually ships 13-16 days
K1
270-0216
Relay
Call for price
1
usually ships 13-16 days
K2
172-2173
24V contactor
Call for price
1
usually ships 13-16 days
K3
270-0216
Relay
Call for price
1
usually ships 13-16 days
L1
272-9815
Solenoid valve assembly
Call for price
1
usually ships 13-16 days
M1
272-9970
Transaxle motor kit
Call for price
1
usually ships 13-16 days
M2
272-3543
Actuator
Call for price
1
(includes S0, S1 and S2)
usually ships 13-16 days
M3a
272-9872
Gearbox motor assembly
Call for price
1
(disk)
usually ships 13-16 days
M3b
272-9886
Brush motor
Call for price
1
(cylindrical)
usually ships 1-5 days
M3c
272-6547
Motor
Call for price
1
(REV)
usually ships 13-16 days
M4a
272-9872
Gearbox motor assembly
Call for price
1
(disk)
usually ships 13-16 days
M4b
272-9886
Brush motor
Call for price
1
(cylindrical)
usually ships 1-5 days
M4c
272-6547
Motor
Call for price
1
(REV)
usually ships 13-16 days
M5
272-9857
24V 3 stage vacuum motor
Call for price
1
usually ships 13-16 days
M6
272-2175
Chemical pump
Call for price
1
(optional)
usually ships 13-16 days
R1
172-2039
5K potentiometer
Call for price
1
usually ships 13-16 days
S3
272-2195
Key switch assembly
Call for price
1
usually ships 13-16 days