| # | Part | Description | Price | Req | Notes | Availability |
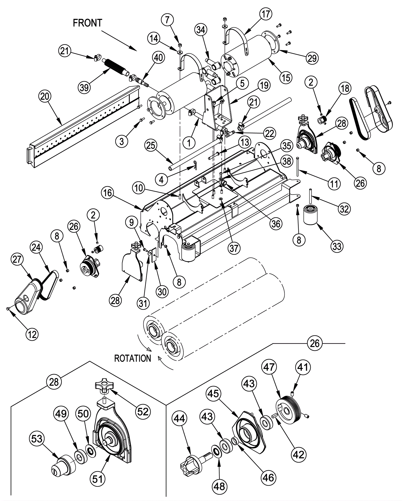
1 |
272-2630
|
Hose |
$5.50
|
1 |
|
usually ships 1-5 days |
2 |
999-0346
|
Screw 5/16-18 x 1/4 set cup point socket alloy plain finish |
$0.99
|
4 |
|
ships same day |
3 |
272-1596
|
Bolt 1/4-20 x 3/4 hex head lock |
$14.41
|
8 |
|
usually ships 1-5 days |
4 |
997-2518
|
Hitch pin |
$0.99
|
1 |
|
ships same day |
5 |
999-0471
|
Nut M8-1.25 nylon insert lock zinc plated |
$0.99
|
3 |
|
ships same day |
7 |
999-0496
|
Nut M8-1.25 nylon insert lock stainless steel |
$1.98
|
2 |
|
ships same day |
8a |
999-0469
|
Nut M6-1 nylon insert lock zinc plated |
$1.32
|
2 |
(before October 2016) |
ships same day |
8b |
999-0497
|
Nut M6-1 nylon insert lock stainless steel |
$0.99
|
8 |
(after September 2016) |
ships same day |
9 |
999-0507
|
Bolt M6-1 x 16mm hex head full thread plain finish |
$0.99
|
2 |
|
ships same day |
10 |
999-0501
|
Bolt M8-1.25 x 25mm hex head full thread stainless steel |
$2.64
|
2 |
|
ships same day |
11a |
999-1329
|
Screw M6-1 x 100mm hex head |
$2.20
|
2 |
(before October 2016) |
ships same day |
11b |
372-1626
|
Screw M6-1 x 95mm hex head |
$9.70
|
2 |
(after September 2016) |
usually ships 13-18 days |
12a |
272-1562
|
Screw 1/4-20 x 3/5 pan head thread forming |
$11.35
|
2 |
(before October 2016) |
ships same day |
13 |
172-3484
|
Clevis pin |
$14.18
|
1 |
|
usually ships 1-5 days |
14 |
172-2067
|
Washer 11/32 x 1/8 flat |
$12.89
|
2 |
|
usually ships 13-18 days |
15a |
272-9886
|
Brush motor |
$1,363.34
|
2 |
|
usually ships 1-5 days |
15b |
172-8948
|
Brush cap assembly |
$273.81
|
1 |
|
usually ships 1-5 days |
16b |
272-9911
|
32 inch brush housing weldment |
$898.30
|
1 |
(32 inch models) (before October 2016) |
usually ships 1-5 days |
16d |
272-9911
|
32 inch brush housing weldment |
$898.30
|
1 |
(32 inch models) (after September 2016) |
usually ships 1-5 days |
17 |
272-9888
|
Motor strap |
$17.74
|
2 |
|
usually ships 1-5 days |
18 |
272-9889
|
Poly-v sheave |
$15.17
|
2 |
|
usually ships 13-18 days |
19 |
272-9871
|
Linkage bracket |
$80.75
|
1 |
|
usually ships 1-5 days |
20a |
272-9890
|
28 inch hopper weldment |
$256.89
|
1 |
(28 inch models) (before October 2016) |
usually ships 13-18 days |
20b |
272-9912
|
32 inch hopper weldment |
$329.16
|
1 |
(32 inch models) (before October 2016) |
ships same day |
20c |
272-9890
|
28 inch hopper weldment |
$256.89
|
1 |
(28 inch models) (after September 2016) |
usually ships 13-18 days |
20d |
272-9912
|
32 inch hopper weldment |
$329.16
|
1 |
(32 inch models) (after September 2016) |
ships same day |
21 |
997-2004
|
Hose clamp |
$2.15
|
6 |
|
ships same day |
22 |
172-4114
|
Tee barb |
$12.89
|
1 |
|
usually ships 13-18 days |
24 |
272-2150
|
Tension belt |
$28.94
|
2 |
|
ships same day |
25a |
272-2145
|
PVC manifold 28 inch |
$14.41
|
2 |
(28 inch models) |
usually ships 1-5 days |
25b |
272-2230
|
32 inch manifold |
$19.25
|
2 |
(32 inch models) |
usually ships 1-5 days |
26a |
172-8933
|
Drive end assembly |
$320.69
|
2 |
(before October 2016) |
ships same day |
26b |
472-4877
|
DRIVE END ASSY |
$111.02
|
2 |
(after September 2016) (includes 41-48) |
usually ships 13-18 days |
27 |
272-2152
|
Belt cover |
$11.35
|
2 |
|
ships same day |
28 |
172-3373
|
Idler end assembly |
$56.72
|
2 |
(includes 49-53) |
ships same day |
29 |
272-9415
|
Motor spacer plate |
$28.94
|
2 |
|
usually ships 1-5 days |
30 |
172-8926
|
Blade |
$12.89
|
2 |
|
ships same day |
31 |
172-0548
|
Washer 17/64 x 47/64 flat stainless steel |
$12.50
|
2 |
|
usually ships 13-18 days |
32 |
172-8944
|
Bushing |
$51.96
|
2 |
|
ships same day |
33 |
172-9040
|
Wheel |
$16.20
|
2 |
|
ships same day |
34 |
172-9147
|
Terminal insulator |
$14.41
|
2 |
|
ships same day |
35 |
999-0081
|
Screw 1/4-20 x 5/8 pan head slotted zinc |
$0.99
|
1 |
|
ships same day |
36 |
270-0336
|
3/8 inch hosebarb |
$13.32
|
1 |
|
usually ships 1-5 days |
37 |
999-0238
|
Washer 1/4 internal star lock zinc plated |
$0.99
|
1 |
|
ships same day |
38 |
999-0335
|
Washer 1/4 x 5/8 SAE flat stainless steel |
$0.99
|
1 |
|
ships same day |
39 |
170-0033
|
Solution hose |
$58.17
|
1 |
|
usually ships 13-18 days |
40 |
272-2213
|
Coupler 1/2 x 3/4 barb |
$12.89
|
1 |
|
usually ships 1-5 days |
41 |
272-1454
|
Screw 1/4-20 X 3/8 socket set lock |
$12.89
|
2 |
|
usually ships 1-5 days |
42 |
172-8956
|
Square keyway |
$12.89
|
1 |
|
usually ships 13-18 days |
43 |
172-4656
|
Ball bearing |
$10.09
|
2 |
|
ships same day |
44 |
472-4878
|
SPINDLE-LONG |
$15.85
|
1 |
|
usually ships 13-18 days |
45 |
272-2169
|
Bearing plate |
$17.17
|
1 |
|
ships same day |
46 |
172-8957
|
Spacer |
$14.41
|
1 |
|
usually ships 13-18 days |
47 |
472-4875
|
SHEAVE-POLY V |
$43.48
|
1 |
|
usually ships 13-18 days |
48 |
172-1837
|
Bearing washer |
$11.35
|
1 |
|
ships same day |
49 |
172-4656
|
Ball bearing |
$10.09
|
1 |
|
ships same day |
50 |
172-1837
|
Bearing washer |
$11.35
|
1 |
|
ships same day |
51 |
272-2170
|
Idler bearing plate |
$28.34
|
1 |
|
usually ships 13-18 days |
52 |
172-2150
|
Knob |
$11.35
|
2 |
|
ships same day |
53 |
172-1838
|
Hub |
$17.17
|
1 |
|
usually ships 13-18 days |
N/S |
172-8969
|
Nylon soft scrubbing brush - CYLINDRICAL |
$225.10
|
2 |
(28 inch models) |
usually ships 13-18 days |
N/S |
172-9308
|
Soft nylon brush - CYLINDRICAL (yellow) |
$329.16
|
2 |
(32 inch models) |
ships same day |