| # | Part | Description | Price | Req | Notes | Availability |
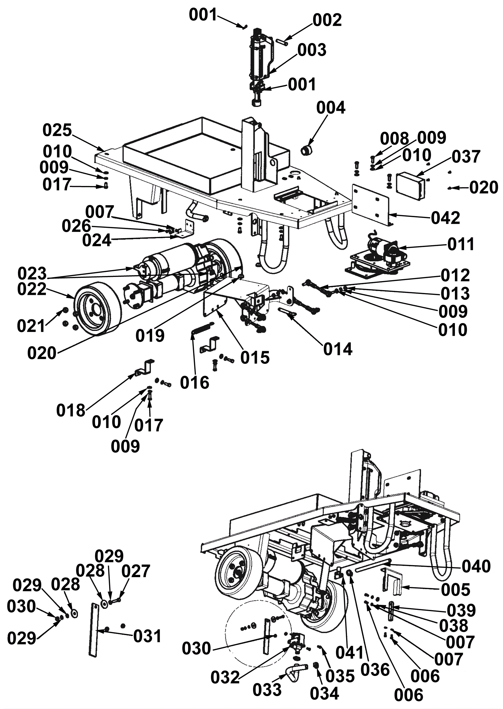
001a |
170-8231
|
Potentiometer and circuit board |
$581.79
|
1 |
|
usually ships 13-18 days |
001b |
270-0118
|
Potentiometer housing |
$101.34
|
1 |
|
usually ships 13-18 days |
001c |
997-2516
|
Cotter pin |
$0.99
|
1 |
|
ships same day |
002 |
170-0196
|
Clevis pin |
$12.89
|
1 |
|
usually ships 13-18 days |
003 |
270-0119
|
Scrub head actuator |
$2,385.48
|
1 |
|
usually ships 1-5 days |
004 |
170-8877
|
Horn |
$190.08
|
1 |
|
usually ships 1-5 days |
005 |
170-8897
|
Brush head stop support |
$190.08
|
1 |
|
usually ships 1-5 days |
006 |
999-0019
|
Bolt 1/4-20 x 5/8 hex head grade 5 zinc plated |
$0.99
|
6 |
|
ships same day |
007 |
999-0060
|
Washer 1/4 split lock plain finish |
$0.99
|
6 |
|
ships same day |
008 |
999-0038
|
Bolt 3/8-16 x 1 hex head grade 5 zinc plated |
$1.87
|
7 |
|
ships same day |
009 |
999-0659
|
Washer 3/8 medium split lock stainless steel |
$0.39
|
21 |
|
ships same day |
010 |
999-0032
|
Washer 3/8 USS flat plain finish |
$2.42
|
21 |
|
ships same day |
011 |
170-8879
|
Power steering assembly |
$3,052.31
|
1 |
|
usually ships 1-5 days |
012 |
170-8880
|
Rod linkage |
$132.00
|
4 |
|
usually ships 1-5 days |
013 |
999-0169
|
Nut 3/8-24 hex jam plain finish |
$0.99
|
8 |
|
ships same day |
014 |
170-8881
|
Quick release pin |
$15.70
|
1 |
|
usually ships 1-5 days |
015 |
170-8882
|
Brush lift weldment (OBSOLETE) |
$560.78
|
1 |
|
usually ships 1-5 days |
016 |
170-1692
|
Spring |
$17.06
|
1 |
|
usually ships 1-5 days |
017 |
999-0119
|
Bolt 3/8-16 x 3/4 hex head grade 5 zinc plated |
$1.01
|
10 |
|
ships same day |
018 |
170-8884
|
Transaxle clamp (OBSOLETE) |
$25.63
|
2 |
|
usually ships 1-5 days |
019 |
170-1290
|
Bumper |
$12.89
|
2 |
|
usually ships 1-5 days |
020 |
999-0811
|
Screw 10-32 x 3/8 pan head phillips stainless steel |
$0.99
|
6 |
|
ships same day |
021 |
170-7142
|
Nut 1/2-20 lug (OBSOLETE) |
$10.85
|
8 |
|
usually ships 13-18 days |
022 |
170-8885
|
10 inch solid wheel |
$545.79
|
2 |
|
usually ships 13-18 days |
023a |
170-8886
|
Transaxle |
$3,400.56
|
1 |
|
usually ships 1-5 days |
023b |
170-8887
|
Transaxle brake (OBSOLETE) |
$471.23
|
1 |
|
usually ships 1-5 days |
024 |
170-8888
|
Front squeegee mount |
$70.94
|
1 |
|
usually ships 1-5 days |
025 |
170-8890
|
Main frame weldment (OBSOLETE) |
$1,890.35
|
1 |
|
usually ships 1-5 days |
026 |
999-0275
|
Screw 1/4-20 x 3/4 hex washer hd unslotted thread rolling |
$0.99
|
2 |
|
ships same day |
027 |
999-0197
|
Screw 1/4-20 x 1 socket head alloy plain finish |
$0.99
|
1 |
|
ships same day |
028 |
999-0160
|
Washer 1/4 x 1 1/4 fender zinc plated |
$0.99
|
2 |
|
ships same day |
029 |
999-0017
|
Washer 1/4 external star lock |
$0.99
|
3 |
|
ships same day |
030 |
999-0294
|
Nut 1/4-20 hex nylon lock type NE stainless steel |
$1.18
|
3 |
|
ships same day |
031 |
170-7146
|
Static strap |
$14.41
|
1 |
|
usually ships 13-18 days |
032 |
170-7011
|
Solenoid valve |
$254.96
|
1 |
|
usually ships 1-5 days |
033 |
170-7102
|
Solution hose |
$34.23
|
1 |
|
usually ships 13-18 days |
034 |
997-2002
|
Hose clamp #6 |
$2.15
|
2 |
|
ships same day |
035 |
999-0334
|
Bolt 1/4-20 x 3/4 inch hex head stainless steel |
$3.85
|
2 |
|
usually ships 16-20 days |
036 |
997-2001
|
Hose clamp |
$2.42
|
1 |
|
ships same day |
037 |
170-8894
|
Steering controller |
$1,868.72
|
1 |
|
usually ships 1-5 days |
038 |
999-0335
|
Washer 1/4 x 5/8 SAE flat stainless steel |
$0.99
|
2 |
|
ships same day |
039 |
170-8895
|
Brush carriage stop pad |
$58.95
|
1 |
|
usually ships 1-5 days |
040 |
170-7018
|
Hose |
$11.35
|
1 |
|
usually ships 13-18 days |
041 |
170-7101
|
Battery drain valve |
$14.41
|
1 |
|
usually ships 13-18 days |
042 |
170-8896
|
Steering controller bracket (OBSOLETE) |
$55.24
|
1 |
|
usually ships 1-5 days |
N/S |
170-8900
|
Solution tank clamp grip (OBSOLETE) |
$2.00
|
1 |
|
usually ships 1-5 days |