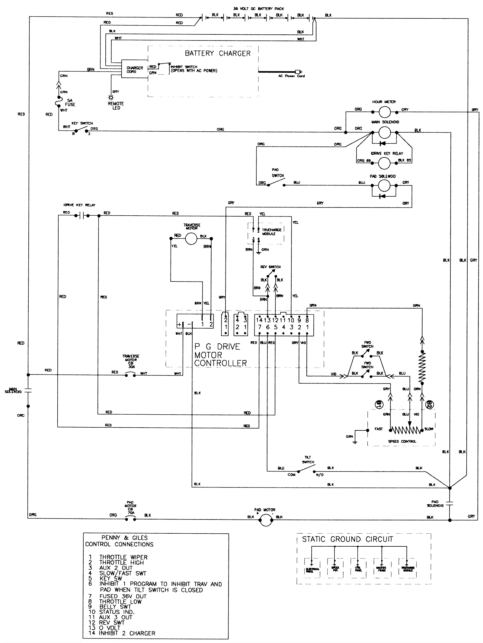
Electrical Diagram - Model 01605A
Click to enlarge