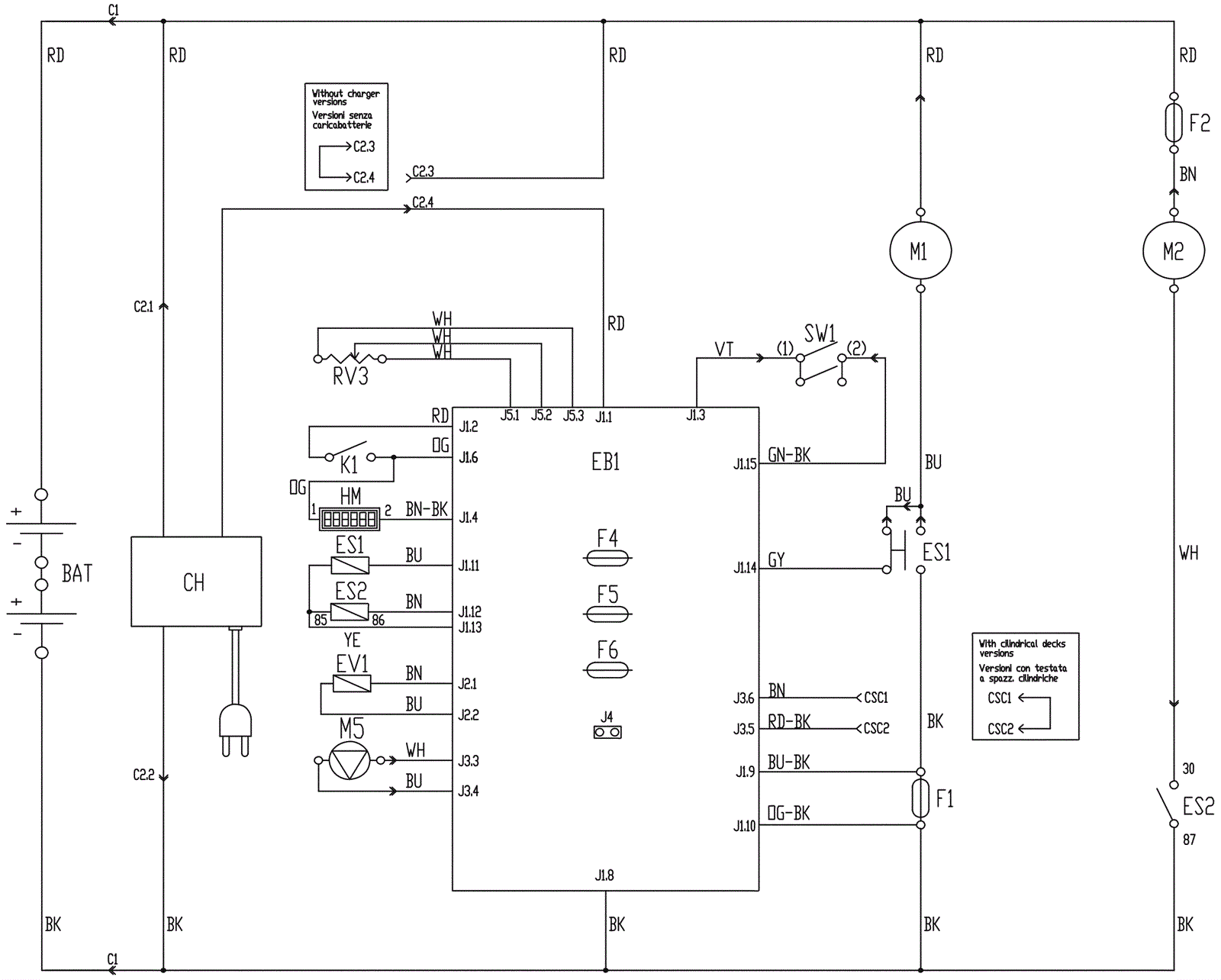
Wiring Diagram - Non-Drive Model
Click to enlarge