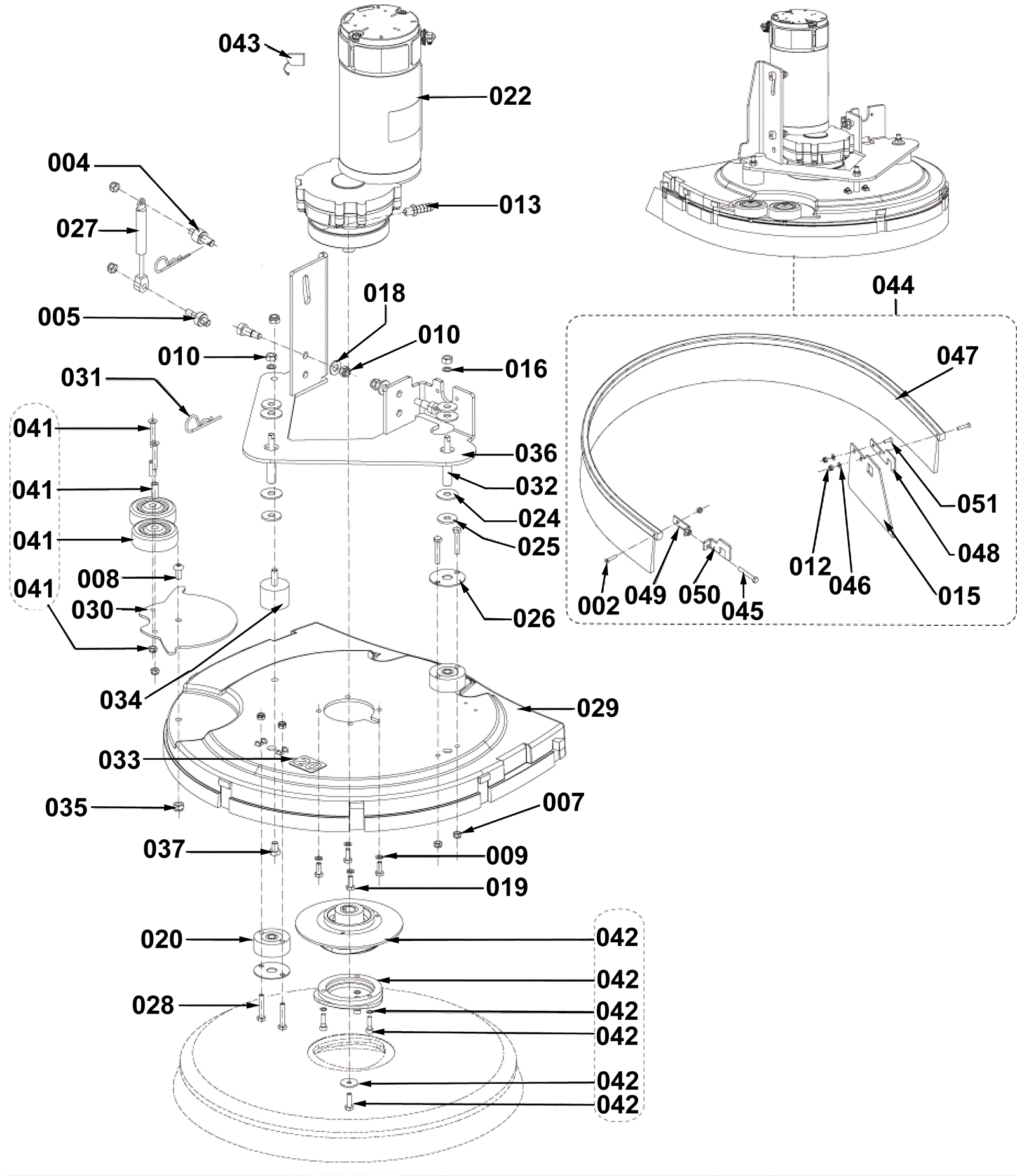
| # | Part | Description | Price | Req | Notes | Availability |
002 |
270-0424
|
Screw M4 x 20mm hex head (OBSOLETE) |
$6.78
|
2 |
|
usually ships 13-18 days |
004 |
172-4814
|
Pin |
$14.41
|
1 |
|
usually ships 13-18 days |
005 |
172-4816
|
Pin |
$15.61
|
1 |
|
usually ships 13-18 days |
008 |
999-0517
|
Bolt M8-1.25 x 16mm hex head full thread zinc |
$0.99
|
1 |
|
ships same day |
009 |
999-1261
|
Washer M6 flat stainless steel |
$0.99
|
4 |
|
ships same day |
010 |
999-0496
|
Nut M8-1.25 nylon insert lock stainless steel |
$1.34
|
9 |
|
ships same day |
012 |
999-0955
|
Nut M4-.7 hex nylon lock |
$1.52
|
2 |
|
ships same day |
013 |
272-1978
|
Rubber barb |
$13.13
|
1 |
|
usually ships 13-18 days |
015 |
N/A
|
Not available |
Call for price
|
1 |
Skirt splash guard |
usually ships 3-26 days |
016 |
999-0412
|
Washer #8 SAE flat |
$0.99
|
4 |
|
ships same day |
018 |
999-0006
|
Washer 3/16 flat zinc plated |
$0.99
|
2 |
|
ships same day |
019 |
172-4810
|
Screw M6 x 16mm hex head stainless steel |
$8.80
|
4 |
|
usually ships 13-18 days |
020 |
272-7135
|
Buffer |
$29.55
|
2 |
|
ships same day |
021 |
172-4807
|
Bolt M10 x 16mm shoulder |
$5.50
|
2 |
|
usually ships 13-18 days |
022 |
372-1270
|
24V brush motor |
$1,763.86
|
1 |
|
usually ships 13-18 days |
024 |
272-1933
|
Rubber gasket (OBSOLETE) |
$8.80
|
4 |
|
usually ships 13-18 days |
025 |
172-5079
|
Washer M9 x 28mm flat (OBSOLETE) |
$8.80
|
4 |
|
usually ships 13-18 days |
026 |
272-1939
|
Vibration damping plate |
$15.62
|
2 |
|
usually ships 13-18 days |
027 |
270-0409
|
Gas spring |
$85.44
|
1 |
|
ships same day |
028 |
270-0410
|
Screw M6-1 x 35mm hex head |
$8.80
|
4 |
|
usually ships 13-18 days |
029 |
270-0426
|
20 inch brush deck (black) |
$457.31
|
1 |
|
usually ships 13-18 days |
030 |
172-4817
|
Bumper wheel kit |
$268.66
|
1 |
|
ships same day |
031 |
272-0721
|
Cotter pin |
$17.74
|
2 |
|
ships same day |
032 |
N/A
|
Not available |
Call for price
|
2 |
(Brush adjustment pin) |
usually ships 3-26 days |
033 |
270-0427
|
20 inch brush decal (OBSOLETE) |
$6.53
|
1 |
|
usually ships 1-5 days |
034 |
272-1919
|
Vibration damping M8 (set of 2) |
$51.96
|
1 |
|
ships same day |
035 |
999-0471
|
Nut M8-1.25 nylon insert lock zinc plated |
$0.99
|
1 |
|
ships same day |
036 |
172-4812
|
Brush deck holder plate |
$225.10
|
1 |
|
usually ships 13-18 days |
037 |
N/A
|
Not available |
Call for price
|
2 |
(Screw) |
usually ships 3-26 days |
041 |
270-0417
|
Bumper wheel kit |
$124.65
|
1 |
|
usually ships 13-18 days |
042 |
272-5385
|
Polygonal holder with flange kit |
$124.22
|
1 |
|
usually ships 13-18 days |
043 |
272-0741
|
Carbon brush (pkg of 4) |
$505.34
|
1 |
|
usually ships 13-18 days |
044 |
272-8568
|
20 inch splash guard kit |
$240.68
|
1 |
(includes 002, 012, 015, 045- 051) |
ships same day |
045 |
270-0428
|
Screw M5 x 30mm (OBSOLETE) |
$18.48
|
1 |
|
usually ships 13-18 days |
046 |
572-3718
|
WASHER PLAIN M4X9SS ISO7089 10 |
$58.98
|
2 |
|
usually ships 13-18 days |
047 |
272-8568
|
20 inch splash guard kit |
$240.68
|
1 |
|
ships same day |
048 |
270-0421
|
Splash guard fixing bracket (OBSOLETE) |
$16.28
|
1 |
|
usually ships 1-5 days |
049 |
270-0422
|
Splash guard fixing bracket (OBSOLETE) |
$19.62
|
1 |
|
usually ships 1-5 days |
050 |
270-0423
|
Splash guard fixing bracket (OBSOLETE) |
$14.26
|
1 |
|
usually ships 13-18 days |
051 |
270-0430
|
Screw M4 x 12 hex head (OBSOLETE) |
$6.78
|
1 |
|
usually ships 13-18 days |