| # | Part | Description | Price | Req | Notes | Availability |
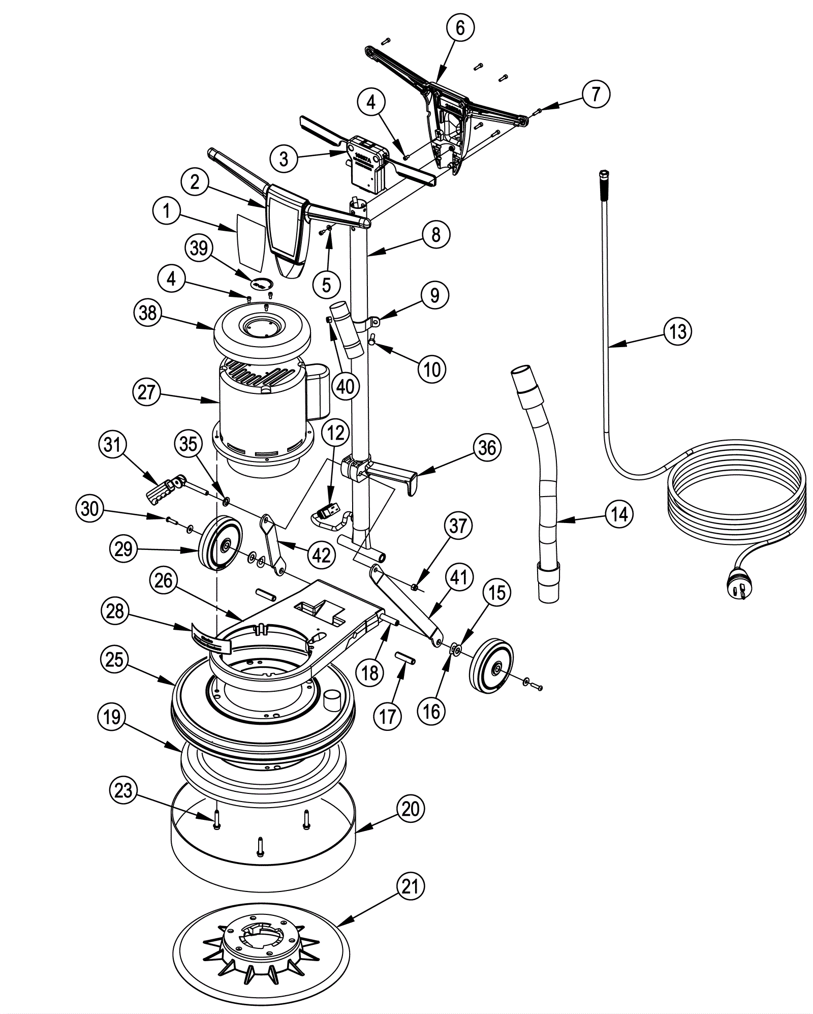
1 |
372-1764
|
Handle decal |
$5.50
|
|
|
usually ships 12-15 days |
2 |
270-0143
|
Front handle |
$105.70
|
|
|
ships same day |
3 |
270-0077
|
Switch assembly |
$134.94
|
|
|
ships same day |
4 |
999-1276
|
Screw 10-32 x 3/8 hex head stainless steel |
$0.99
|
|
|
ships same day |
5 |
372-1765
|
Washer 13/64 flat |
$3.28
|
|
|
usually ships 12-15 days |
6 |
270-0145
|
Rear handle |
$151.35
|
|
|
ships same day |
7 |
999-1275
|
Screw 10-32 x 3/4 hex head stainless steel |
$1.23
|
|
|
ships same day |
8 |
170-7800
|
Handle tube |
$73.43
|
|
|
usually ships 12-15 days |
9 |
170-5181
|
Hose adapter weldment |
$56.28
|
|
|
usually ships 12-15 days |
10 |
999-1334
|
Bolt 5/16-18 x 1 1/4 carriage head stainless steel |
$1.39
|
|
|
usually ships 1-5 days |
12 |
163-0203
|
Interconnect cord |
$36.71
|
|
|
usually ships 12-15 days |
13 |
372-1766
|
120V power cord |
$573.45
|
|
|
usually ships 12-15 days |
14 |
372-1767
|
Squeegee hose (OBSOLETE) |
$120.08
|
|
|
usually ships 13-18 days |
15 |
170-5602
|
Washer |
$1.21
|
|
|
usually ships 12-15 days |
16 |
272-8202
|
Bowed washer |
$1.94
|
|
|
usually ships 12-15 days |
17 |
163-0204
|
1/2 split pin |
$7.67
|
|
|
usually ships 12-15 days |
18 |
163-0217
|
Axle |
$15.33
|
|
|
usually ships 12-15 days |
19 |
372-1768
|
Inner shield |
$129.10
|
|
|
usually ships 12-15 days |
20 |
154-5000
|
Skirt |
$103.28
|
|
|
usually ships 12-15 days |
21 |
154-1660
|
Pad driver assembly |
$205.94
|
|
|
ships same day |
23 |
163-0218
|
Screw 5/16-18 |
$6.46
|
|
|
usually ships 12-15 days |
25a |
154-3891
|
Shroud with bumper assembly |
$138.37
|
|
(DC) |
usually ships 12-15 days |
25b |
170-7812
|
Housing assembly |
$224.91
|
|
(STD) |
usually ships 1-5 days |
26 |
170-7831
|
Main frame |
$114.57
|
|
|
usually ships 12-15 days |
27a |
372-1162
|
Motor |
$1,894.63
|
|
(120v) |
usually ships 12-15 days |
27b |
372-1769
|
Motor |
$1,301.62
|
|
(230v) |
usually ships 12-15 days |
28 |
372-1641
|
Decal (OBSOLETE) |
Call for price
|
|
|
usually ships 13-18 days |
29 |
375-7611
|
Wheel |
$69.01
|
|
|
usually ships 13-18 days |
30 |
272-8200
|
Button head screw |
$2.63
|
|
|
ships same day |
31 |
170-1267
|
Cam assembly with grip, bolt and locking lever |
$19.89
|
|
|
ships same day |
35 |
170-5522
|
Wear washer |
$3.63
|
|
|
ships same day |
36 |
170-1517
|
Handle clamp |
$96.31
|
|
|
ships same day |
37 |
999-0170
|
Nut 3/8-16 hex plain finish |
$0.99
|
|
|
ships same day |
38 |
170-7817
|
Drip cover |
$69.59
|
|
|
usually ships 12-15 days |
39 |
372-1771
|
Decal |
$1.69
|
|
|
usually ships 12-15 days |
40 |
154-3956
|
Nut 5/16 inch lock |
$1.21
|
|
|
usually ships 12-15 days |
41 |
170-7797
|
Left linkage arm |
$20.17
|
|
|
usually ships 12-15 days |
42 |
170-7802
|
Right linkage arm |
$19.97
|
|
|
usually ships 12-15 days |
N/S |
372-1763
|
Hard plate |
$644.66
|
|
(optional) |
usually ships 12-15 days |