| # | Part | Description | Price | Req | Notes | Availability |
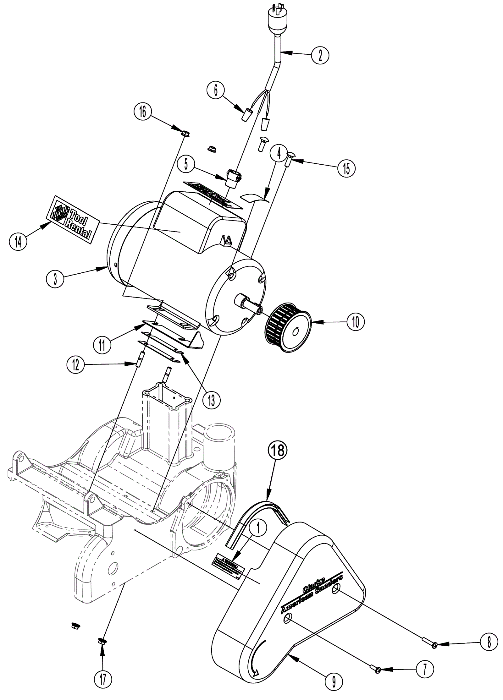
1 |
154-3996
|
Prop 65 decal |
$1.69
|
1 |
|
usually ships 12-15 days |
2a |
372-1650
|
Cord |
$34.69
|
1 |
(07012A) |
usually ships 12-15 days |
2b |
372-1651
|
Cord |
$58.09
|
1 |
(07058A and 07060A) |
usually ships 12-15 days |
3a |
372-1652
|
115V motor |
$2,428.15
|
1 |
(includes 3b-3d) (07012A and 07058A) |
usually ships 12-15 days |
3b |
372-1653
|
115V run capacitor |
$252.34
|
1 |
(included in 3a) |
usually ships 12-15 days |
3c |
372-1654
|
115V start capacitor |
$86.54
|
1 |
(included in 3a) |
usually ships 12-15 days |
3d |
372-1655
|
115V switch terminal |
$117.39
|
1 |
|
usually ships 12-15 days |
4 |
372-1644
|
Decal |
$12.31
|
1 |
|
usually ships 13-18 days |
5 |
170-0826
|
Conduit connector |
$5.50
|
1 |
|
usually ships 1-5 days |
6 |
170-5584
|
Connector |
$1.21
|
2 |
|
usually ships 1-5 days |
7 |
999-0456
|
Screw 1/4-20 x 3/4 pan head phillips stainless steel |
$1.76
|
1 |
|
ships same day |
8 |
170-4887
|
Screw |
$1.21
|
1 |
|
usually ships 12-15 days |
9 |
372-1659
|
Belt guard |
$154.70
|
1 |
|
usually ships 12-15 days |
10 |
372-1660
|
Pulley |
$432.47
|
1 |
|
usually ships 12-15 days |
11 |
372-1661
|
Guard |
$18.56
|
1 |
|
usually ships 12-15 days |
12 |
372-1662
|
Stud |
$86.65
|
2 |
|
usually ships 13-18 days |
13 |
372-1663
|
Shim |
$7.67
|
2 |
|
usually ships 12-15 days |
14 |
372-1664
|
Decal |
$7.04
|
2 |
(07012A) |
usually ships 13-18 days |
15 |
270-0806
|
Screw 5/16-18 x 1 |
$1.21
|
2 |
|
usually ships 1-5 days |
16 |
372-1666
|
Nut |
$12.31
|
2 |
|
usually ships 13-18 days |
17 |
372-1667
|
Nut |
$12.31
|
2 |
|
usually ships 13-18 days |
18 |
370-6803
|
TRIMVINYLBLACK400 FT. SPOOL |
$7.87
|
1 foot |
|
usually ships 12-15 days |