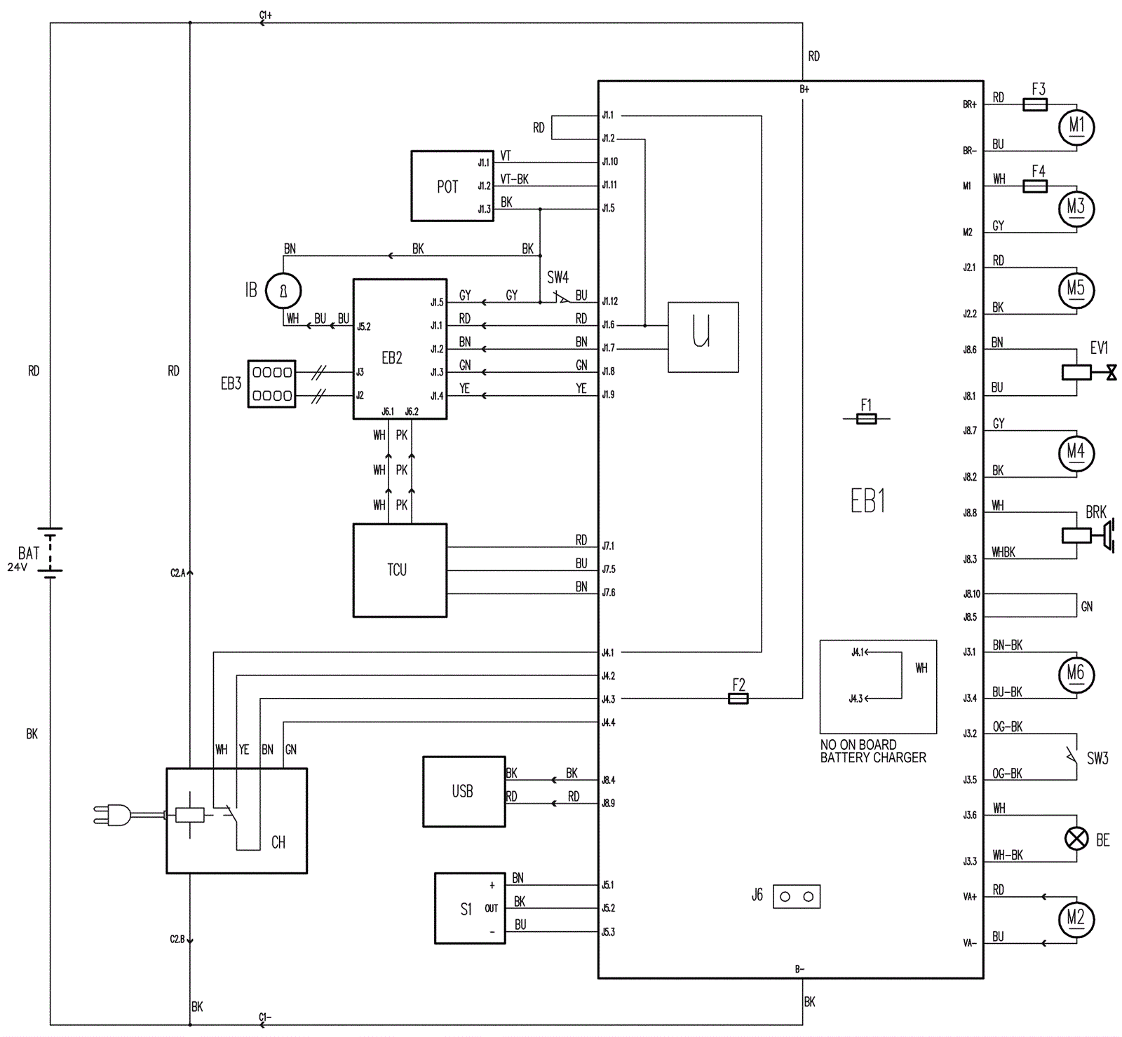
Wiring Diagram - Model 9087412020
Click to enlarge