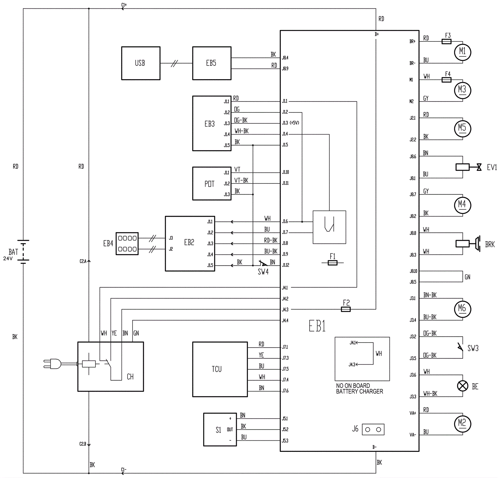
Wiring Diagram - Model 9087361020
Click to enlarge