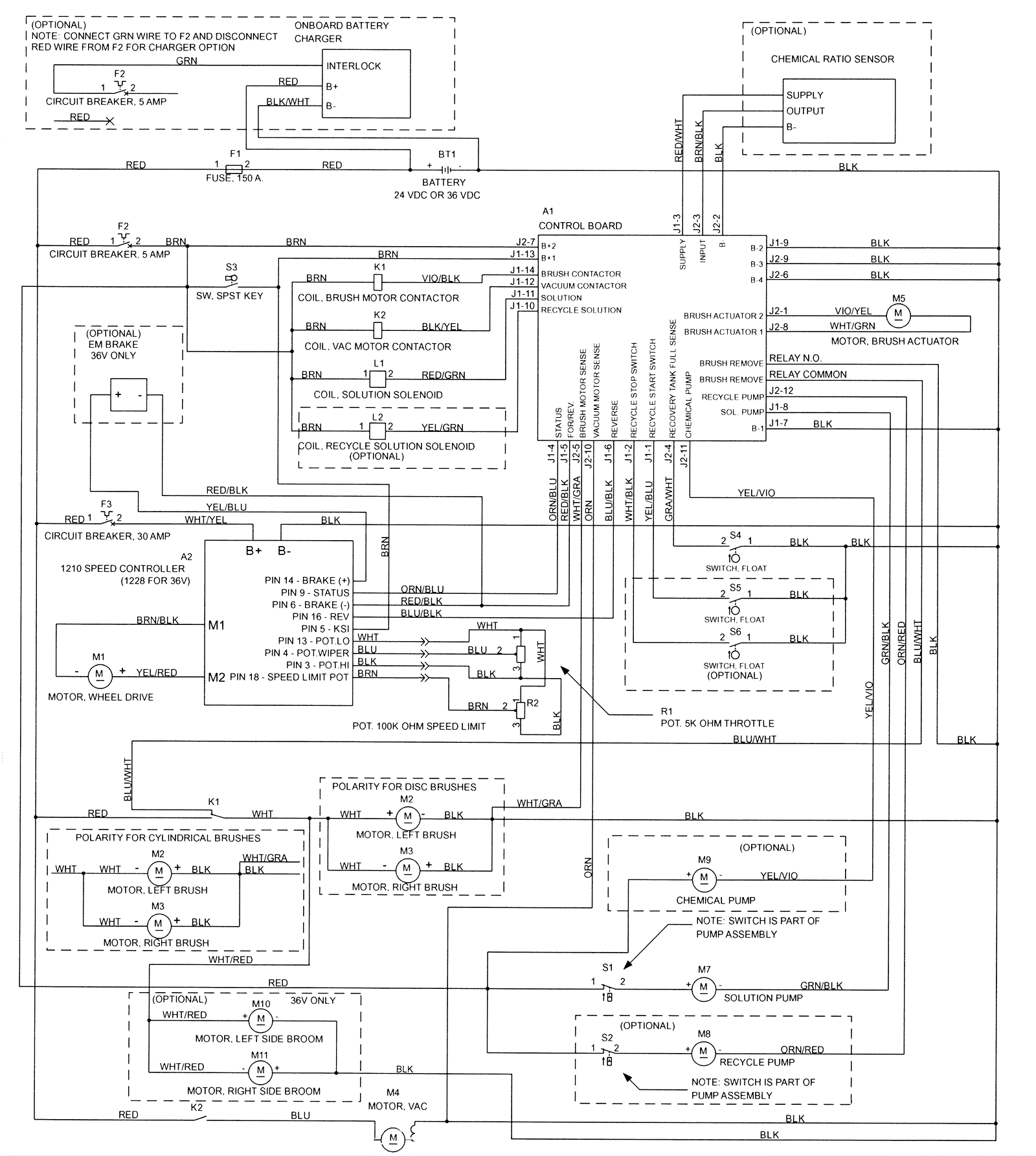
Wiring Diagram
Click to enlarge
#
Part
Description
Price
Req
Notes
Availability
N/S
272-2359
Main harness
$582.34
1
usually ships 1-5 days