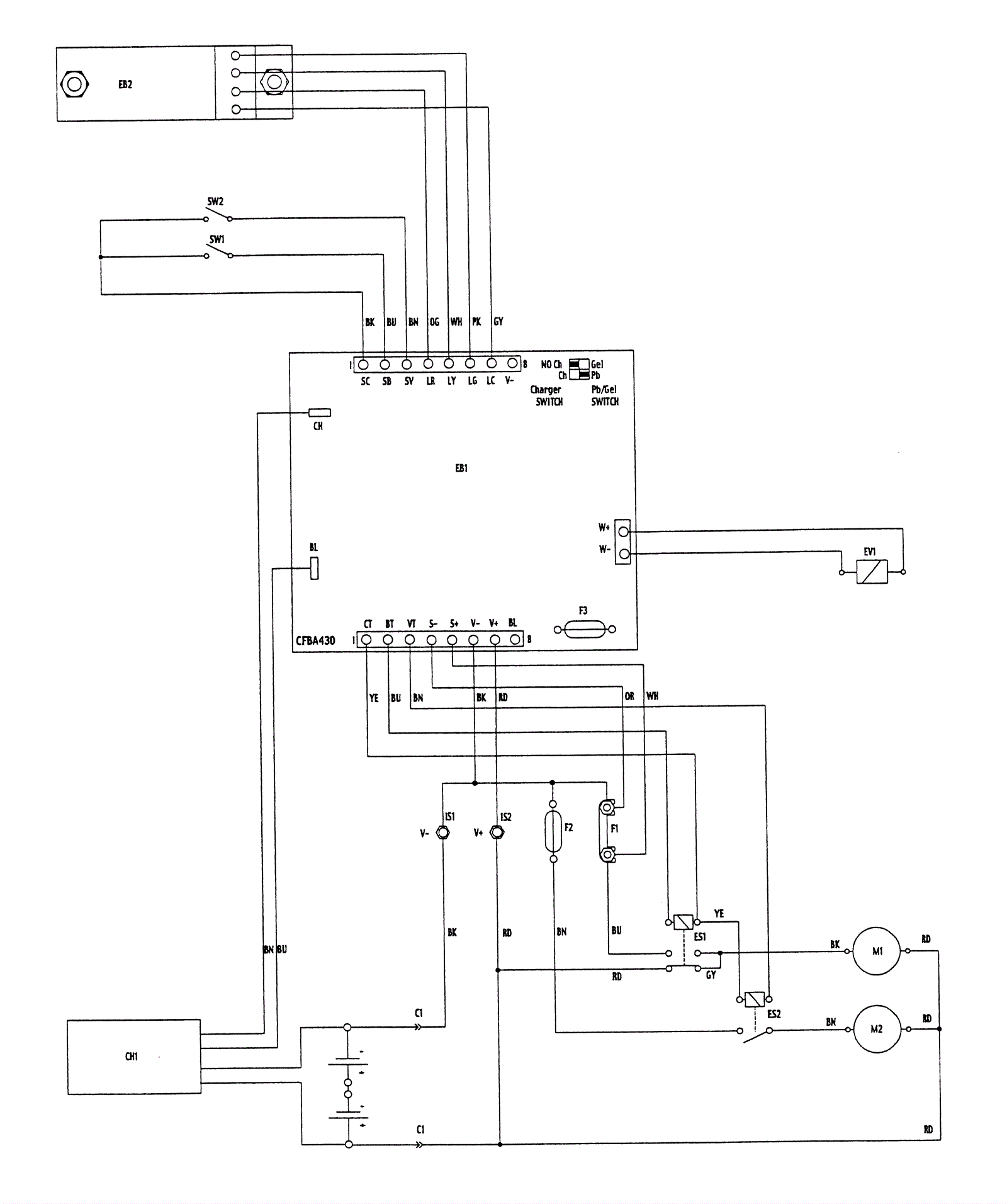
| # | Part | Description | Price | Req | Notes | Availability |
C1 |
991-2102
|
50amp charger plug SB50 only (red) |
$16.27
|
1 |
|
usually ships 18-24 days |
CH1 |
181-0956
|
24V onboard battery charger (OBSOLETE) |
$1,650.00
|
1 |
|
usually ships 13-18 days |
EB1 |
181-0957
|
Electronic card |
$249.19
|
1 |
|
ships same day |
EB2 |
272-5469
|
LED card |
$65.07
|
1 |
|
usually ships 13-18 days |
EB3 |
272-7145
|
Electronic card (OBSOLETE) |
$335.50
|
1 |
|
usually ships 13-18 days |
ES1 |
272-7142
|
Electromagnetic switch |
$281.00
|
1 |
|
usually ships 13-18 days |
ES2 |
272-7141
|
24V switch |
$192.54
|
1 |
|
usually ships 13-18 days |
EV1 |
181-0921
|
24V solenoid valve |
$253.09
|
1 |
|
ships same day |
F1 |
181-0964
|
50amp fuse |
$14.41
|
1 |
|
usually ships 13-18 days |
F2 |
181-0963
|
40amp fuse |
$12.89
|
1 |
|
usually ships 13-18 days |
F3 |
181-0962
|
5 amp fuse |
$5.50
|
1 |
|
usually ships 13-18 days |
F4 |
272-7144
|
30amp fuse |
$12.89
|
1 |
|
usually ships 13-18 days |
IS1 |
272-9579
|
Insulator |
$20.91
|
1 |
|
usually ships 13-18 days |
IS2 |
181-1725
|
Insulator (OBSOLETE) |
$5.94
|
1 |
|
usually ships 1-5 days |
K1 |
172-3785
|
Key switch with two keys |
$64.90
|
1 |
|
ships same day |
K2 |
991-1634
|
Key (pkg of 2) |
$14.21
|
1 |
|
ships same day |
M1 |
272-2571
|
Brush gear motor assembly |
$2,618.28
|
1 |
|
usually ships 13-18 days |
M2 |
181-0895
|
24V 3 stage vacuum motor kit with connector |
$429.00
|
1 |
|
usually ships 1-5 days |
M3 |
272-7083
|
Reduction gear motor |
$1,059.85
|
1 |
|
usually ships 1-5 days |
R1 |
272-2665
|
Potentiometer harness with potentiometer (OBSOLETE) |
$77.00
|
1 |
|
usually ships 13-18 days |
SW1 |
272-2708
|
Switch kit |
$12.89
|
1 |
|
usually ships 13-18 days |
SW2 |
272-2708
|
Switch kit |
$12.89
|
1 |
|
usually ships 13-18 days |