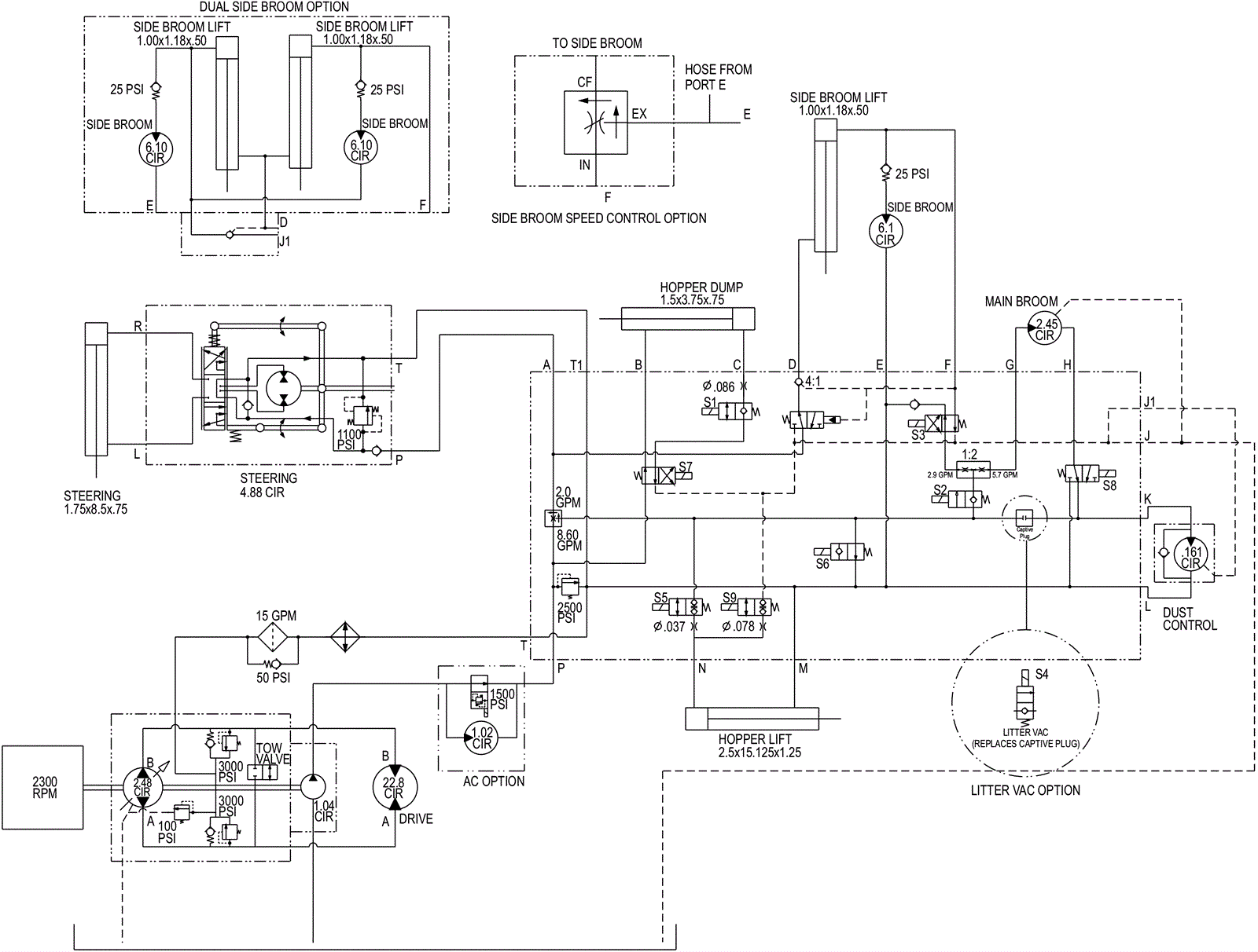
Hydraulic Diagram - After March 2018
Click to enlarge