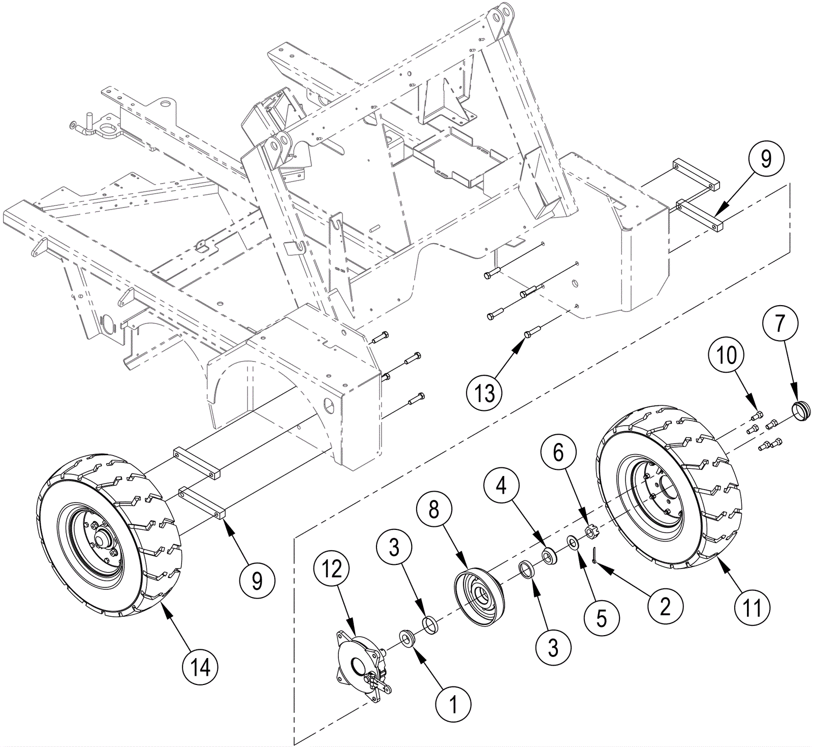
# | Part | Description | Price | Req | Notes | Availability |
1 |
272-4957
|
Bearing cone with seal |
$114.88
|
1 |
(quantity reflects one front wheel assembly only, there are two front wheel assemblies on the machine) |
usually ships 1-5 days |
2 |
170-7716
|
Cotter pin |
$12.31
|
1 |
(quantity reflects one front wheel assembly only, there are two front wheel assemblies on the machine) |
usually ships 1-5 days |
3 |
272-4956
|
Bearing cup |
$13.17
|
2 |
(quantity reflects one front wheel assembly only, there are two front wheel assemblies on the machine) |
usually ships 1-5 days |
4 |
272-4958
|
Cone bearing |
$49.63
|
1 |
(quantity reflects one front wheel assembly only, there are two front wheel assemblies on the machine) |
usually ships 1-5 days |
5 |
472-3629
|
WSH-FLT 18-8 SS-1.062X2X.13 |
$6.22
|
1 |
(quantity reflects one front wheel assembly only, there are two front wheel assemblies on the machine) |
usually ships 13-18 days |
6 |
999-1890
|
Nut 1-14 slotted |
$8.79
|
1 |
(quantity reflects one front wheel assembly only, there are two front wheel assemblies on the machine) |
usually ships 1-5 days |
7 |
272-3783
|
Grease cap |
$35.60
|
1 |
(quantity reflects one front wheel assembly only, there are two front wheel assemblies on the machine) |
usually ships 1-5 days |
8 |
472-4154
|
HUB AND DRUM-MACHINED |
$275.91
|
1 |
(quantity reflects one front wheel assembly only, there are two front wheel assemblies on the machine) |
usually ships 13-18 days |
9 |
372-2300
|
Spacer |
$66.95
|
4 |
(only used on machines that do not have stadoffs welded onto the chassis for mounting the wheel assemblies) |
usually ships 13-18 days |
10 |
272-7699
|
Wheel stud |
$5.39
|
5 |
(quantity reflects one front wheel assembly only, there are two front wheel assemblies on the machine) |
usually ships 1-5 days |
11a |
372-2301
|
Wheel assembly |
$1,118.25
|
1 |
(quantity reflects one front wheel assembly only, there are two front wheel assemblies on the machine) |
usually ships 13-18 days |
11b |
372-2304
|
Rim assembly 6 x 9 x 4 |
$215.00
|
1 |
|
usually ships 13-18 days |
11c |
372-2305
|
Pneumatic tire 6 x 9 |
$360.40
|
1 |
|
usually ships 13-18 days |
11d |
372-2306
|
Tube |
$65.97
|
1 |
|
usually ships 13-18 days |
11e |
372-2307
|
Flap (OBSOLETE) |
$46.22
|
1 |
|
usually ships 13-18 days |
12a |
372-2302
|
Axle shaft assembly |
$643.69
|
1 |
(quantity reflects one front wheel assembly only, there are two front wheel assemblies on the machine) |
usually ships 13-18 days |
12b |
272-3074
|
Brake shoe |
$120.08
|
1 |
(use 2 per brake assembly) |
usually ships 13-18 days |
12c |
272-3075
|
Spring |
$13.76
|
1 |
(use 2 per brake assembly) |
usually ships 13-18 days |
13a |
472-3471
|
SCR HEX 1/2-20 X 2.00 |
$12.31
|
8 |
(only used on machines that do not have stadoffs welded onto the chassis for mounting the wheel assemblies) |
usually ships 13-18 days |
13b |
472-3613
|
SCR-HEX 1/2-20 X 2.25 |
$10.85
|
8 |
(only used on machines that do have standoffs welded onto the chassis for mounting the wheel assemblies) |
usually ships 13-18 days |
14a |
372-2303
|
Front wheel assembly |
$2,527.02
|
2 |
(includes 1-8, 10-12) |
usually ships 13-18 days |
14b |
370-6535
|
WHL ASSY PNEUMATIC FOAM FILLED |
$1,164.11
|
2 |
|
usually ships 13-18 days |