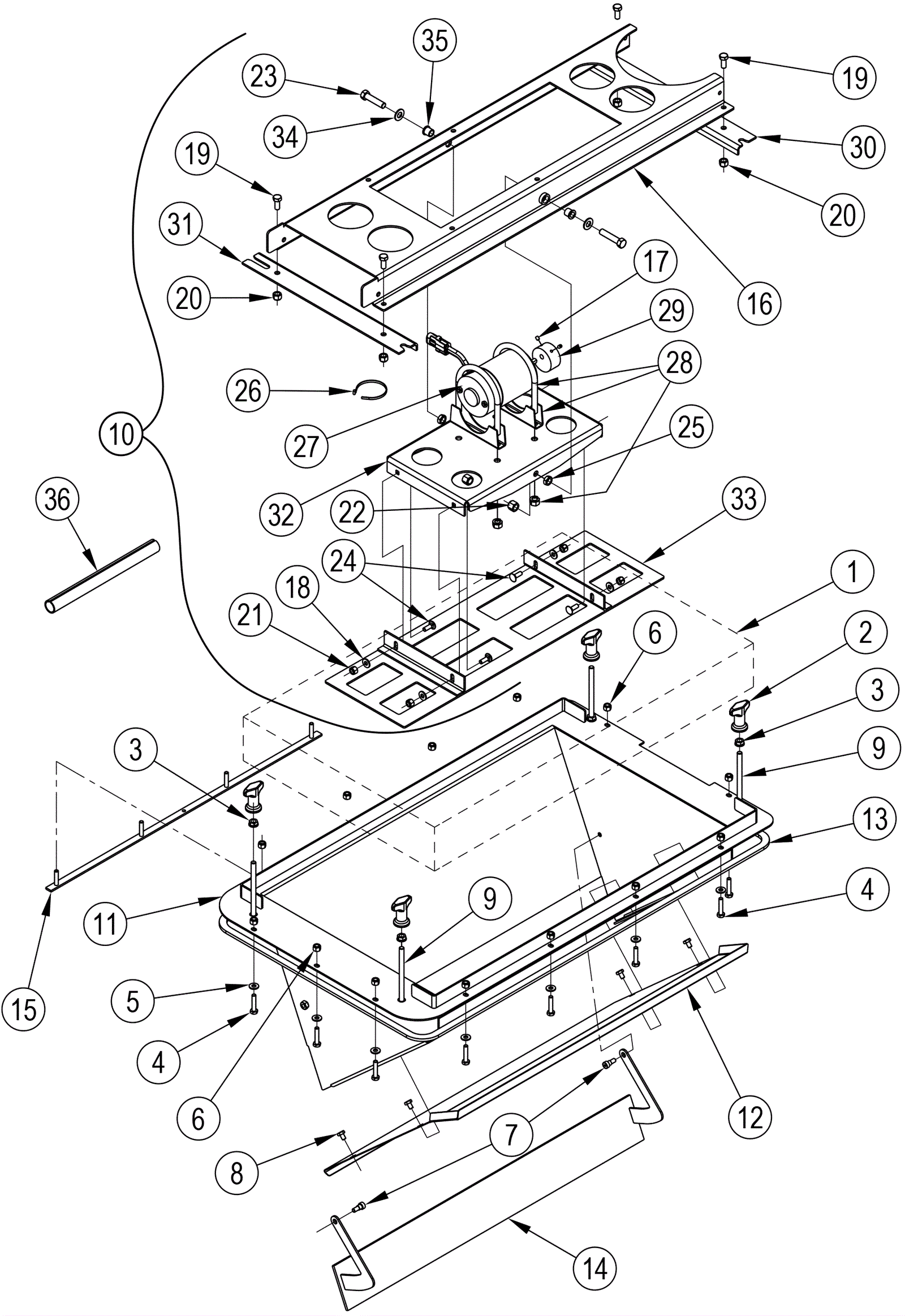
RETRIEVER 360B Control Handle Assembly

#PartDescriptionPriceReqNotesAvailability
1a 372-2085 Panel filter shaker assembly $2,485.07 1 (includes 1b-15) usually ships 13-18 days
1b 372-2086 Filter panel ultra-web cellulose $297.34 1 usually ships 13-18 days
1c 472-7696 FILTER PANEL POLY HIGH FLOW $425.50 1 ships same day
1d 372-0407 Teflon HEPA filter $1,683.87 1 (it is recommended that the HEPA filter be used with the "plugged filter switch kit") (part 372-0406 includes both the HEPA filter and the plugger filter switch kit) usually ships 13-18 days
2 172-4099 Nut 5/16-18 thumb $13.32 4 ships same day
3 372-2088 Nut 5/16-18 hex head with flange loc $15.85 4 usually ships 13-18 days
4 999-0298 Bolt 1/4-20 x 1 1/4 hex head stainless steel $0.99 9 ships same day
5 999-0123 Washer 1/4 SAE flat zinc plated $0.99 8 ships same day
6 999-0294 Nut 1/4-20 hex nylon lock type NE stainless steel $1.18 13 ships same day
7 472-3509 SCR SOC SHD .31X.25X1/4-20 $12.89 2 usually ships 13-18 days
8 999-0360 Screw 1/4-20 x 3/8 hex head thread rolling unslotted $0.99 4 ships same day
9 472-4288 ROD THREADED $12.89 4 usually ships 13-18 days
10 372-2089 Filter shaker assembly $1,170.81 1 (includes 16-35) usually ships 13-18 days
11 372-2090 Seal plate weldment $930.11 1 usually ships 13-18 days
12 372-2091 Dust plate $153.00 1 usually ships 13-18 days
13 372-2092 Gasket 1/2 x 1/4 $32.56 1 ships same day
14 372-2093 Door filter chamber weldment $153.00 1 usually ships 13-18 days
15 372-2094 Clamp filter seal weldment $73.78 1 usually ships 13-18 days
16 372-2095 Filter shaker plate $240.68 1 usually ships 13-18 days
17 999-0284 Screw 10-24 x 3/16 cup point socket set alloy plain finish $0.99 2 ships same day
18 999-0123 Washer 1/4 SAE flat zinc plated $0.99 4 ships same day
19 999-0132 Bolt 5/16-18 x 3/4 hex head grade 5 zinc plated $2.64 4 ships same day
20 999-0211 Nut 5/16-18 hex nylon insert lock zinc plated $0.99 4 ships same day
21 999-0294 Nut 1/4-20 hex nylon lock type NE stainless steel $1.18 4 ships same day
22 999-0188 Nut 3/8-16 nylon insert lock zinc plated $0.99 2 ships same day
23 472-3529 SCR HEX HD LOC 3/8-16 1.75 $12.89 2 usually ships 13-18 days
24 272-3627 Screw 1/4-20 x 3/4 carriage head stainless steel $12.89 4 usually ships 13-18 days
25 999-0628 Nut 3/8-16 hex jam stainless steel $0.99 2 ships same day
26 372-2096 Cable tie $12.89 1 usually ships 13-18 days
27 372-2097 12VDC motor $473.52 1 usually ships 13-18 days
28 372-2098 3 inch muffler clamp $14.41 2 usually ships 13-18 days
29 372-2099 Eccentric $37.27 1 usually ships 13-18 days
30 372-2100 Left hand filter shaker bracket $27.26 1 usually ships 13-18 days
31 372-2101 Right hand filter shaker bracket $27.26 1 usually ships 13-18 days
32 372-2102 Plate shaker motor mounting $109.53 1 usually ships 13-18 days
33 372-2103 Shaker weldment $184.81 1 usually ships 13-18 days
34 999-0120 Washer 3/8 SAE flat $0.99 2 ships same day
35 372-2104 Flange bearing $16.20 2 usually ships 13-18 days
36 372-0408 Conduit $12.89 1 usually ships 13-18 days