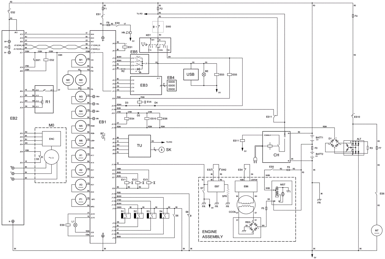
| # | Part | Description | Price | Req | Notes | Availability |
A1 |
472-1313
|
ACTUATOR 24V DC STRK 45MM PKD |
$449.44
|
1 |
|
usually ships 13-18 days |
A2 |
472-1313
|
ACTUATOR 24V DC STRK 45MM PKD |
$449.44
|
1 |
|
usually ships 13-18 days |
A3 |
472-1313
|
ACTUATOR 24V DC STRK 45MM PKD |
$449.44
|
1 |
|
usually ships 13-18 days |
ALT |
372-0323
|
24V pmg alternator |
$4,168.18
|
1 |
|
usually ships 13-18 days |
BE |
472-1026
|
BEACON KIT BE |
$705.76
|
1 |
|
usually ships 13-18 days |
CH |
372-0394
|
Hybrid kit |
$3,680.69
|
1 |
|
usually ships 13-18 days |
EB1 |
572-3713
|
CONTROLLER MAIN MACHINE KIT |
$2,325.10
|
1 |
|
usually ships 13-18 days |
EB2 |
472-1307
|
CONTROLLER DRIVE 24V 240A PKD |
$2,565.04
|
1 |
|
usually ships 13-18 days |
EB3 |
472-1319
|
CONTROLLER DISPLAY PKD |
$457.31
|
1 |
|
usually ships 13-18 days |
EB4 |
472-1318
|
CONTROL PANEL BLACK PKD |
$205.27
|
1 |
|
usually ships 13-18 days |
EB5 |
372-0178
|
Dashboard side control panel |
$136.64
|
1 |
|
usually ships 13-18 days |
EV4 |
472-1210
|
SOLENOID VALVE 12V 8W KIT |
$288.88
|
1 |
|
usually ships 13-18 days |
ES1 |
472-1304
|
CONTACTOR 24V 100A PKD |
$216.63
|
1 |
|
usually ships 13-18 days |
ES2 |
472-1303
|
CONTACTOR 24V 200A PKD |
$288.88
|
1 |
|
usually ships 13-18 days |
F1 |
472-1308
|
FUSE BOLT DOWN 150A PKD |
$28.94
|
1 |
|
usually ships 13-18 days |
F2 |
272-8363
|
10amp fuse |
$32.56
|
1 |
|
usually ships 1-5 days |
F3 |
472-1412
|
FUSE BOLT-DOWN 160A |
$109.53
|
1 |
|
usually ships 13-18 days |
F4 |
472-1308
|
FUSE BOLT DOWN 150A PKD |
$28.94
|
1 |
|
usually ships 13-18 days |
HN |
472-1366
|
HORN 24V PKD |
$77.69
|
1 |
|
usually ships 13-18 days |
KEY |
472-3152
|
KEY START ASSY WITH SPARE KEY |
$264.79
|
1 |
|
usually ships 13-18 days |
L1 |
372-0392
|
Front light kit |
$601.68
|
1 |
|
usually ships 13-18 days |
M0 |
472-1396
|
MOTORWHEEL TV-130 24V AC 1.2KW |
$7,935.84
|
1 |
|
usually ships 13-18 days |
M1 |
472-1371
|
FAN RADIAL 24V PKD |
$465.05
|
1 |
|
usually ships 13-18 days |
M2 |
372-0308
|
24V motor filter shaker |
$401.42
|
1 |
|
usually ships 13-18 days |
M3 |
472-1324
|
GEARCASE HYD 24V 800W PKD |
$2,805.74
|
1 |
|
usually ships 13-18 days |
M4 |
472-1320
|
MOTOR 24V 1000W 3800 RPM KIT |
$1,683.87
|
1 |
|
usually ships 13-18 days |
M5 |
472-1314
|
MOTOR GEARBOX 24VDC 120W PKD |
$994.48
|
1 |
|
usually ships 13-18 days |
M6 |
372-4010
|
Gearbox assembly |
$833.77
|
1 |
|
usually ships 13-18 days |
R1 |
372-0189
|
Accelerator pedal kit |
$881.93
|
1 |
|
usually ships 13-18 days |
S1 |
472-1382
|
SWITCH BACK UP PROXIMITY PKD |
$118.76
|
1 |
|
usually ships 13-18 days |
S2 |
472-1382
|
SWITCH BACK UP PROXIMITY PKD |
$118.76
|
1 |
|
usually ships 13-18 days |
S3 |
472-1382
|
SWITCH BACK UP PROXIMITY PKD |
$118.76
|
1 |
|
usually ships 13-18 days |
S4 |
472-1382
|
SWITCH BACK UP PROXIMITY PKD |
$118.76
|
1 |
|
usually ships 13-18 days |
S6 |
472-3299
|
SWITCH PRESSURE KIT |
$232.99
|
1 |
|
usually ships 13-18 days |
SW0 |
272-8340
|
Emergency switch |
$106.34
|
1 |
|
usually ships 13-18 days |
USB |
372-0393
|
USB port kit |
$255.24
|
1 |
|
usually ships 13-18 days |