| # | Part | Description | Price | Req | Notes | Availability |
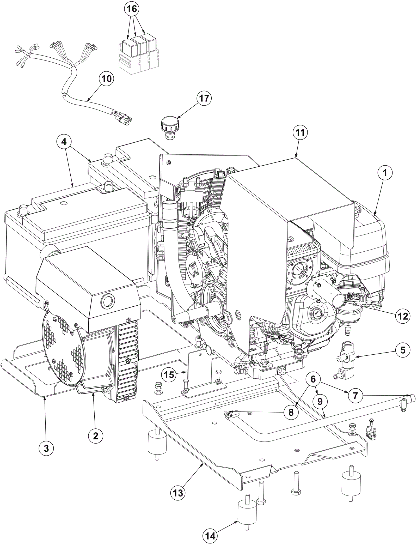
1 |
472-1336
|
ENGINE GX270 MODIFIED LPG KIT |
$8,336.34
|
1 |
|
usually ships 13-18 days |
2 |
372-0323
|
24V pmg alternator |
$4,168.18
|
1 |
|
usually ships 13-18 days |
3 |
372-0324
|
LPG battery stopper |
$264.79
|
1 |
|
usually ships 13-18 days |
4 |
472-1392
|
BATTERY START 12V 77 AH PKD |
$794.22
|
2 |
|
usually ships 13-18 days |
5 |
372-0325
|
Feeding kit |
$425.50
|
1 |
|
usually ships 13-18 days |
6 |
372-0326
|
LPG oil drain hose |
$312.82
|
1 |
|
usually ships 13-18 days |
7 |
372-0327
|
Feeding kit |
$41.97
|
1 |
|
usually ships 13-18 days |
8 |
372-0328
|
Hose barb |
$51.96
|
1 |
|
usually ships 13-18 days |
9 |
372-0329
|
Oil drain hose |
Call for price
|
1 |
|
usually ships 13-18 days |
10 |
372-0330
|
LPG harness |
$360.98
|
1 |
|
usually ships 13-18 days |
11 |
372-0331
|
Muffler protection |
$192.54
|
1 |
|
usually ships 13-18 days |
12 |
372-0332
|
Muffler extension |
$130.44
|
1 |
|
usually ships 13-18 days |
13 |
372-0333
|
LPG engine support |
$264.79
|
1 |
|
usually ships 13-18 days |
14 |
372-0334
|
Vibration damper |
$120.29
|
4 |
|
usually ships 13-18 days |
15 |
372-0335
|
Relay support bracket |
$104.81
|
1 |
|
usually ships 13-18 days |
16 |
272-8305
|
24V micro relay |
$41.97
|
3 |
|
usually ships 1-5 days |
17 |
372-0356
|
Oil cap |
$58.32
|
1 |
|
usually ships 13-18 days |