| # | Part | Description | Price | Req | Notes | Availability |
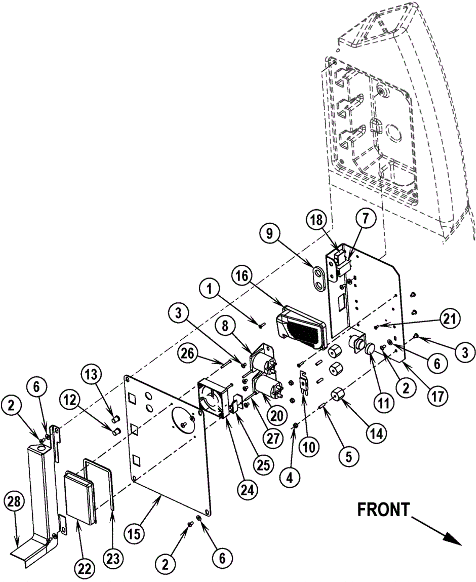
1 |
999-0705
|
Screw 10-24 x 3/4 pan head phillips stainless steel |
$0.99
|
2 |
|
ships same day |
2 |
999-0522
|
Screw 1/4-20 x 1/2 pan head phillips stainless steel |
$1.03
|
6 |
|
ships same day |
3 |
999-0509
|
Screw 1/4-20 x 3/8 pan head phillips zinc plated |
$0.99
|
7 |
|
ships same day |
4 |
999-0152
|
Nut 1/4-20 nylon insert lock zinc plated |
$0.99
|
3 |
|
ships same day |
5 |
172-0345
|
Terminal stud |
$12.89
|
3 |
|
usually ships 13-18 days |
6 |
999-0123
|
Washer 1/4 SAE flat zinc plated |
$0.99
|
6 |
|
ships same day |
7 |
172-2160
|
10amp circuit breaker |
$80.75
|
1 |
(control circuit) |
usually ships 13-18 days |
8 |
272-8184
|
36V 100amp contactor |
$58.17
|
1 |
(brush drive) |
usually ships 13-18 days |
9 |
172-8826
|
Gasket |
$12.89
|
1 |
|
usually ships 1-5 days |
10 |
172-8836
|
150amp fuse |
$20.59
|
1 |
|
usually ships 13-18 days |
11 |
172-8839
|
Backup alarm |
$55.14
|
1 |
|
usually ships 13-18 days |
12 |
172-0231
|
Reset button boot |
$51.96
|
1 |
|
usually ships 13-18 days |
13 |
172-0232
|
Clear boot cap |
$40.16
|
1 |
|
usually ships 13-18 days |
14 |
172-0103
|
Electrical mount |
$14.41
|
3 |
|
usually ships 1-5 days |
15 |
272-0415
|
Electrical cover (OBSOLETE) |
$46.20
|
1 |
|
usually ships 1-5 days |
16 |
272-0409
|
Controller |
$1,044.05
|
1 |
|
usually ships 1-5 days |
17 |
172-3312
|
Electrical panel (OBSOLETE) |
$59.62
|
1 |
|
usually ships 1-5 days |
18 |
272-2581
|
45amp circuit breaker |
$158.82
|
1 |
(wheel drive) |
usually ships 13-18 days |
20 |
272-8183
|
36V 200amp contactor |
$103.32
|
1 |
(vacuum system) |
usually ships 13-18 days |
21 |
999-1165
|
Screw 8-32 x 3/8 truss head phillips stainless steel |
$0.99
|
1 |
|
ships same day |
22 |
272-0410
|
Fan cover |
$10.78
|
1 |
|
usually ships 1-5 days |
23 |
272-0411
|
Gasket |
$12.89
|
1 |
|
usually ships 1-5 days |
24 |
272-0412
|
Fan assembly (OBSOLETE) |
$192.61
|
1 |
|
usually ships 1-5 days |
25 |
272-0413
|
Board holder |
$10.78
|
1 |
|
usually ships 1-5 days |
26 |
172-2034
|
Screw 8-15 x 1 1/2 pan phil plastite |
$11.69
|
3 |
|
usually ships 1-5 days |
27 |
272-0414
|
Screw 8-15 x 1 3/4 pan phillips plastic |
$12.89
|
1 |
|
usually ships 1-5 days |
28 |
272-5409
|
Harness guide weldment |
$58.17
|
1 |
|
usually ships 1-5 days |