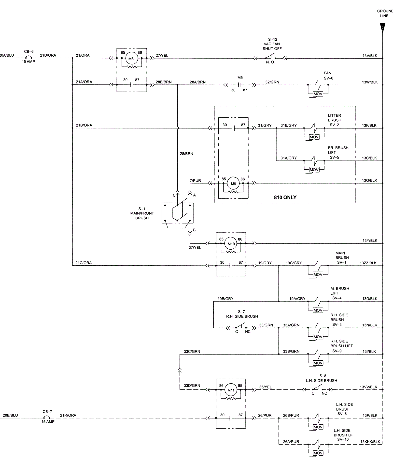
Electrical Schematic 7
Click to enlarge