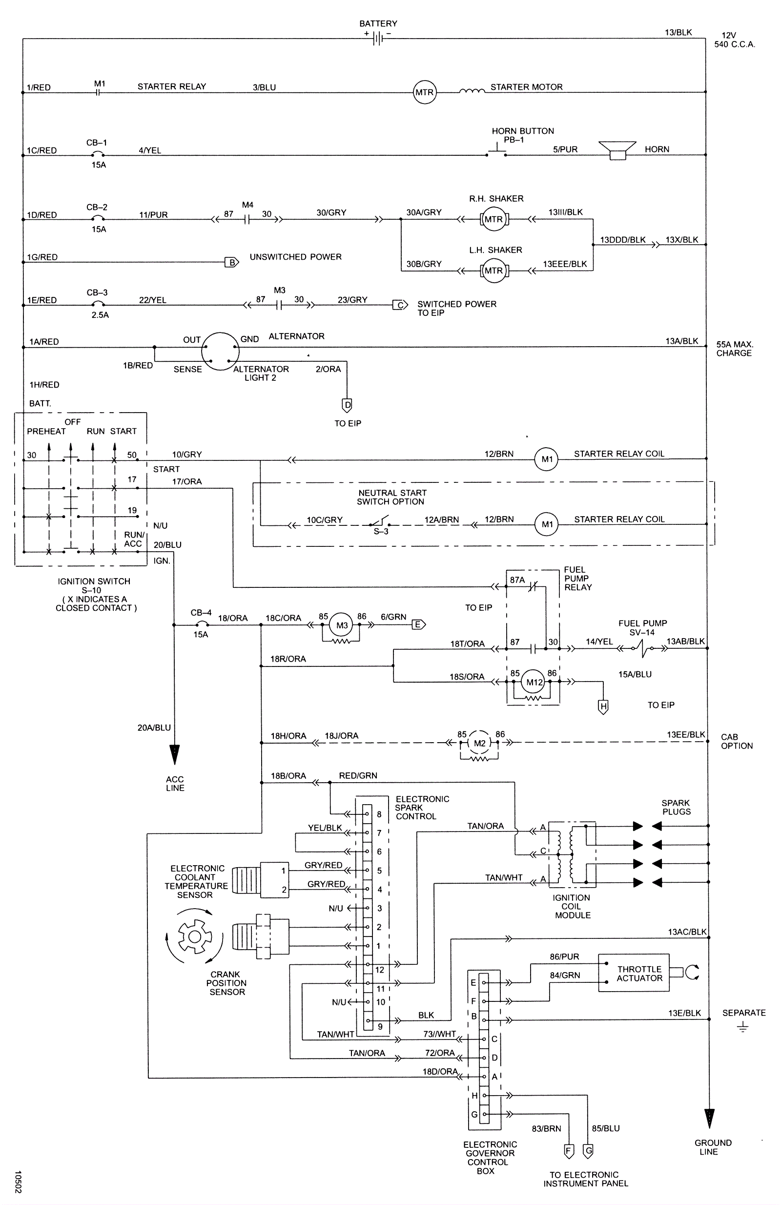
Electrical Schematic 5
Click to enlarge