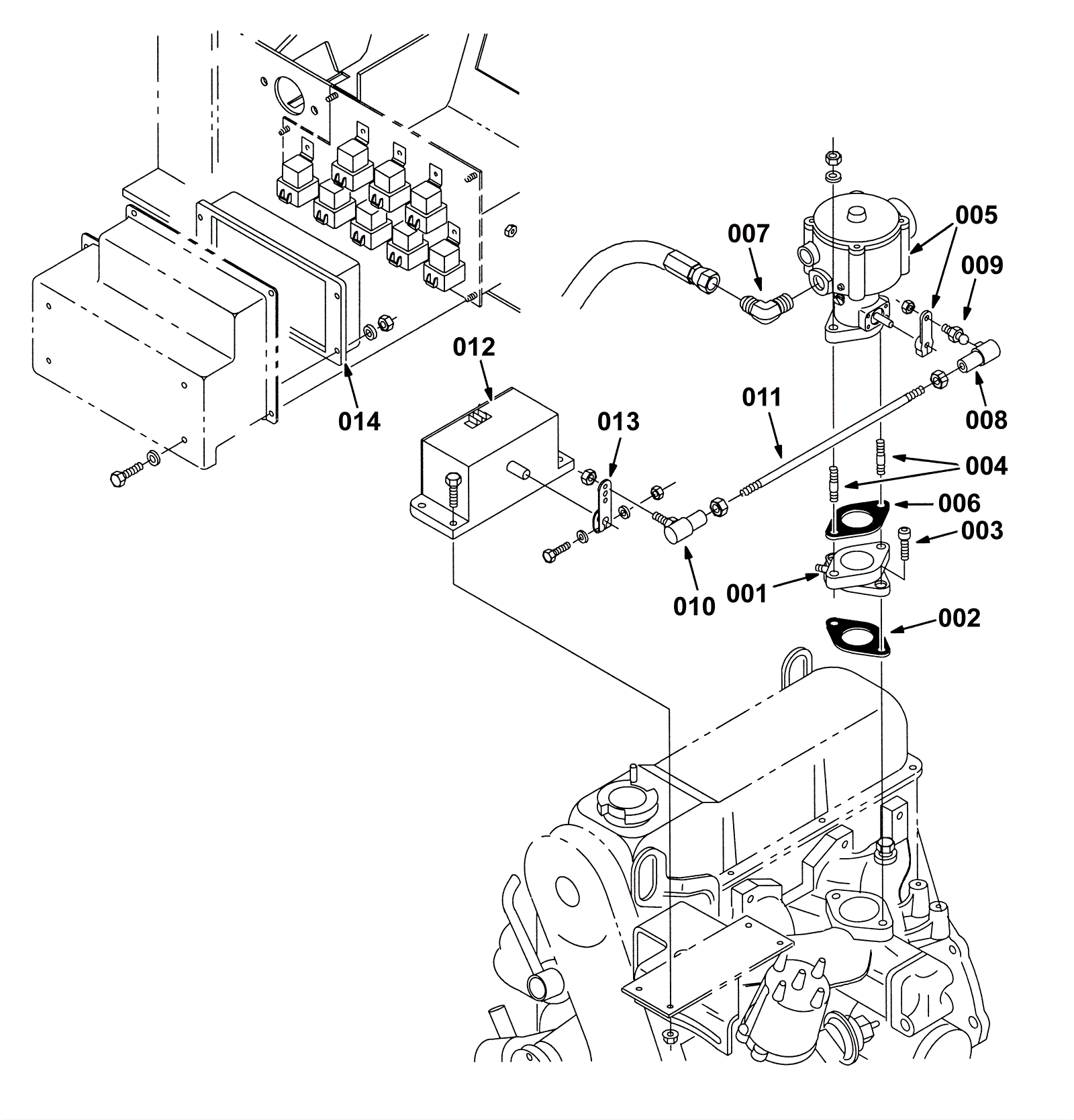
Carburetor and Governor Group, LPG 1
Click to enlarge