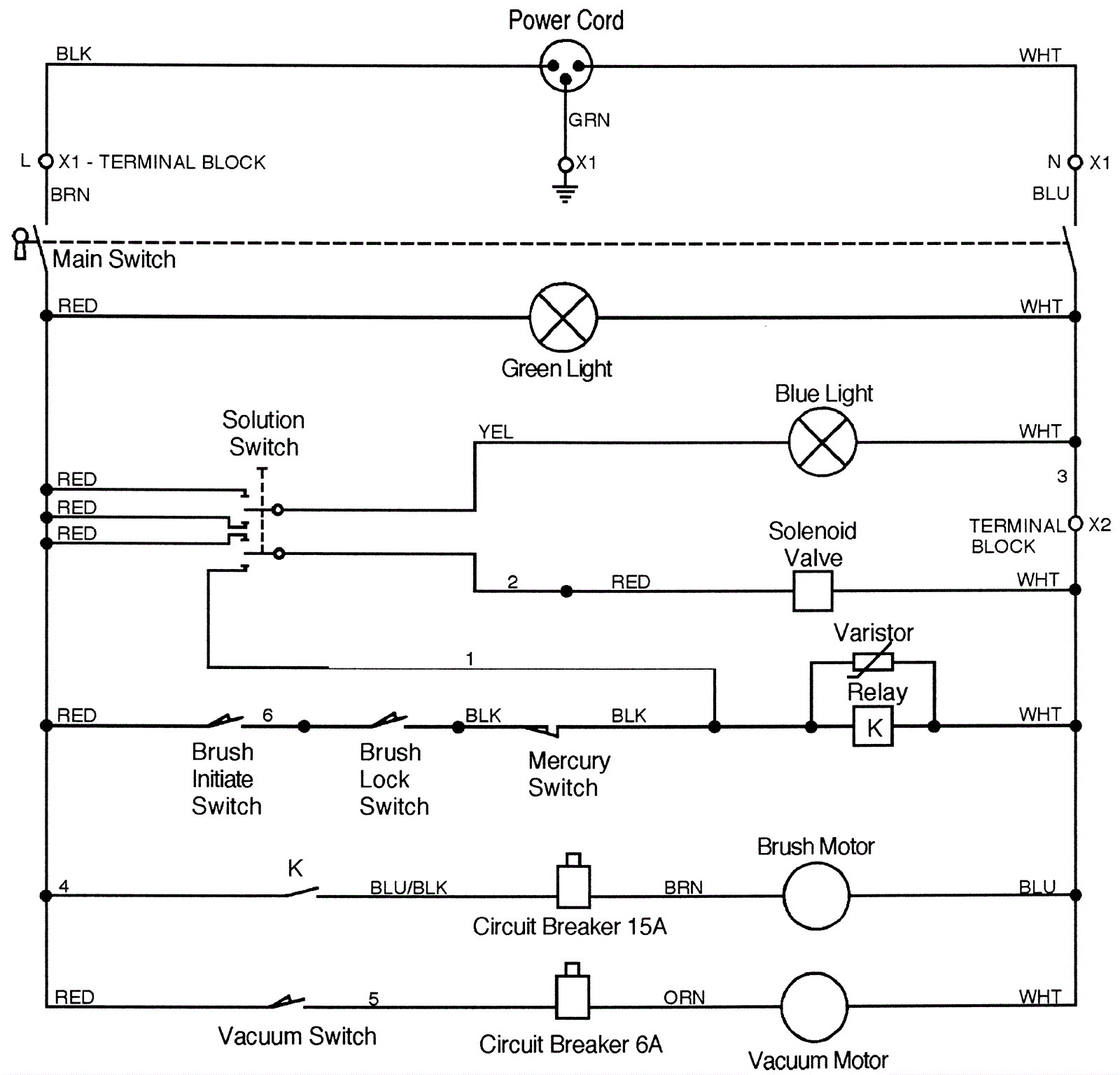
115V Wiring Diagram
Click to enlarge